Aplicación de los Separadores de Aceite
Hasta ahora, la costumbre en nuestro país de instalar separadores de aceite, se ha limitado a sistemas de baja temperatura con refrigerantes halogenados. Poco caso se ha hecho a los problemas causados por el aceite en sistemas de media y alta temperatura. Sin embargo, por todo lo expuesto hasta ahora en este capítulo, nos damos cuenta de la importancia de instalar siempre un separador de aceite en sistemas de refrigeración comercial, industrial o aire acondicionado, ya sea con compresores herméticos, abiertos o semiherméticos. A continuación, se dan algunas recomendaciones sobre aplicaciones de separadores de aceite en diferentes sistemas.

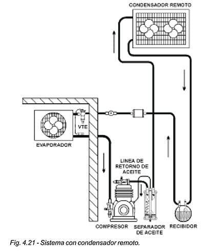
Sistemas con Compresor Hermético

Sistemas con Compresor Hermético
En este tipo de sistemas, la válvula de expansión alimenta el refrigerante líquido a baja presión a un tanque o acumulador, en lugar de alimentarlo directamente al evaporador, como se muestra en la figura 4.22. Algunas veces, se utiliza una válvula de expansión de tipo flotador en el lado de baja. El líquido a baja presión es luego recirculado al evaporador mediante una bomba. La mezcla de líquido y vapor de refrigerante que sale del evaporador regresa al tanque, en el cual se mantiene un nivel a través de un control de nivel de líquido. El vapor es succionado por la parte superior del tanque, y si el sistema no cuenta con separador de aceite, el tanque irá acumulando el aceite y, dependiendo de su miscibilidad con el refrigerante, se formarán una sola fase o dos capas. En esta última, la capa superior es la capa rica en aceite.

Para evitar que el aceite se acumule en el tanque, es indispensable instalar en el sistema un separador de aceite. Aunque esto evitaría un exceso de aceite en el tanque, algo de aceite logrará emigrar mezclado con el refrigerante hacia el tanque, en donde se separarán debido a que su miscibilidad disminuye con la temperatura, y esta pequeña cantidad de aceite flotará sobre el refrigerante líquido. Aunque esta cantidad de aceite es pequeña, después de un tiempo se acumulará una cantidad considerable, la cual deberá ser retornada al compresor. Para esto, es necesario hacer una conexión desde el tanque, en un punto justo en el nivel del líquido, hasta la línea de retorno de aceite, la cual debe pasar por un intercambiador de calor con la línea de descarga. De esta manera, si algo de refrigerante líquido se va con el aceite, éste se evaporará en el intercambiador. Se recomienda instalar una válvula de paso en esta línea.
Sistemas en Paralelo

Sistemas de Etapas Múltiples
Cualquier sistema de refrigeración que contenga más de una etapa de compresión, es considerado como sistema de etapas múltiples. Estos sistemas se utilizan para alcanzar temperaturas muy bajas, cuando éstas no pueden alcanzarse con una sola etapa por razones económicas, o cuando la relación de compresión es mayor de 10:1, lo que dificultaría alcanzar las temperaturas de evaporación y condensación requeridas. Hay dos tipos de sistemas de etapas múltiples: el de doble etapa (compound) y el sistema en cascada.

Sistemas de Doble Etapa

Sistemas en Cascada



