<?xml version="1.0" encoding="UTF-8" ?><!-- generator=Zoho Sites --><rss version="2.0" xmlns:atom="http://www.w3.org/2005/Atom" xmlns:content="http://purl.org/rss/1.0/modules/content/"><channel><atom:link href="https://www.climasmonterrey.com/blogs/tag/preguntas-valvulas-de-termo-expansion/feed" rel="self" type="application/rss+xml"/><title>Climasmonterrey.com Centro - Blog #Válvulas de Termo Expansión</title><description>Climasmonterrey.com Centro - Blog #Válvulas de Termo Expansión</description><link>https://www.climasmonterrey.com/blogs/tag/preguntas-valvulas-de-termo-expansion</link><lastBuildDate>Sat, 25 Apr 2026 17:30:56 -0700</lastBuildDate><generator>http://zoho.com/sites/</generator><item><title><![CDATA[¿Cómo Ajustar el Sobrecalentamiento?]]></title><link>https://www.climasmonterrey.com/blogs/post/como-ajustar-el-sobrecalentamiento</link><description><![CDATA[Normalmente, todas las válvulas de termo expansión tendrán un buen funcionamiento con el ajuste preestablecido de la fábrica, y por lo general, no es ]]></description><content:encoded><![CDATA[
<div class="zpcontent-container blogpost-container "><div data-element-id="elm_tSRhZZwiSGeRIFEr-mi5lg" data-element-type="section" class="zpsection "><style type="text/css"></style><div class="zpcontainer"><div data-element-id="elm_PqHuBXKkQ0OUpbQpb5X4oA" data-element-type="row" class="zprow zpalign-items- zpjustify-content- "><style type="text/css"></style><div data-element-id="elm_KkOaoENkSkSzEi0bZzg0ww" data-element-type="column" class="zpelem-col zpcol-12 zpcol-md-12 zpcol-sm-12 zpalign-self- "><style type="text/css"></style><div data-element-id="elm_GF92Shqx9KcLfMXyxpxmIg" data-element-type="heading" class="zpelement zpelem-heading "><style> [data-element-id="elm_GF92Shqx9KcLfMXyxpxmIg"].zpelem-heading { border-radius:1px; } </style><h2
 class="zpheading zpheading-style-none zpheading-align-left " data-editor="true"><span style="color:inherit;"><span style="font-weight:600;font-size:13px;"><span style="font-size:20px;">Cómo Ajustar el Sobrecalentamiento</span></span></span></h2></div>
<div data-element-id="elm_pmtJ1QgPyYsE7zEueElWsg" data-element-type="text" class="zpelement zpelem-text "><style> [data-element-id="elm_pmtJ1QgPyYsE7zEueElWsg"].zpelem-text{ border-radius:1px; } </style><div class="zptext zptext-align-left " data-editor="true"><div style="color:inherit;"><div style="font-size:13px;"><span style="font-size:16px;">Normalmente, todas las válvulas de termo expansión tendrán un buen funcionamiento con el ajuste preestablecido de la fábrica, y por lo general, no es necesario modificarlo. Aunque ocasionalmente, en muy pocos sistemas, el ajuste de sobrecalentamiento puede requerir alguna modificación en la instalación, sin importar la marca de la válvula.</span></div><div style="font-size:13px;">&nbsp;</div><div style="font-size:13px;"><span style="font-size:16px;">Antes de ver el procedimiento para variar el sobrecalentamiento, es conveniente conocer cómo se hace el ajuste de fábrica.</span></div><div style="font-size:13px;">&nbsp;</div><div style="font-size:13px;"><span style="font-size:16px;">El sobrecalentamiento en lo que a válvulas de termoexpansión se refiere, puede dividirse en tres categorías:</span></div><div style="font-size:13px;">&nbsp;</div><div style="font-size:13px;"><span style="font-size:16px;"><span style="font-weight:600;">Sobrecalentamiento estático</span>&nbsp;- Es el sobrecalentamiento necesario para contrarrestar la fuerza del resorte, de tal manera, que cualquier sobrecalentamiento adicional causará que se abra la válvula.</span></div><div style="font-size:13px;">&nbsp;</div><div style="font-size:13px;"><span style="font-size:16px;"><span style="font-weight:600;">Sobrecalentamiento de apertura</span>&nbsp;- Cantidad de sobrecalentamiento que se requiere, para levantar de su asiento la aguja de la válvula, a fin de permitir el flujo de refrigerante hasta su capacidad de clasificación.</span></div><div style="font-size:13px;">&nbsp;</div><div style="font-size:13px;"><span style="font-size:16px;"><span style="font-weight:600;">Sobrecalentamiento de operación</span>&nbsp;- Bajo condiciones normales, es el sobrecalentamiento al cual opera la válvula en un sistema de refrigeración; o sea, a su capacidad nominal. El sobrecalentamiento de operación, es la suma de los sobrecalentamientos estático y de apertura.</span></div><div style="font-size:13px;">&nbsp;</div><div style="font-size:13px;"><span style="font-size:16px;">En la<em>&nbsp;figura 6.48</em>, se ilustran los tres sobrecalentamientos. La capacidad de reserva es importante, puesto que proporciona la habilidad para compensar los incrementos sustanciales, que ocasionalmente se presentan como carga en el evaporador, &quot;flash gas&quot; intermitente, reducción en la presión de alta debido a condiciones ambientales bajas, falta de refrigerante, etc...</span></div></div></div>
</div><div data-element-id="elm_7dmtCV_4adht7YH4GnqCYw" data-element-type="image" class="zpelement zpelem-image "><style> @media (min-width: 992px) { [data-element-id="elm_7dmtCV_4adht7YH4GnqCYw"] .zpimage-container figure img { width: 400px !important ; height: 339px !important ; } } @media (max-width: 991px) and (min-width: 768px) { [data-element-id="elm_7dmtCV_4adht7YH4GnqCYw"] .zpimage-container figure img { width:400px ; height:339px ; } } @media (max-width: 767px) { [data-element-id="elm_7dmtCV_4adht7YH4GnqCYw"] .zpimage-container figure img { width:400px ; height:339px ; } } [data-element-id="elm_7dmtCV_4adht7YH4GnqCYw"].zpelem-image { border-radius:1px; } </style><div data-caption-color="" data-size-tablet="" data-size-mobile="" data-align="center" data-tablet-image-separate="false" data-mobile-image-separate="false" class="zpimage-container zpimage-align-center zpimage-size-original zpimage-tablet-fallback-original zpimage-mobile-fallback-original hb-lightbox " data-lightbox-options="
                type:fullscreen,
                theme:dark"><figure role="none" class="zpimage-data-ref"><a class="zpimage-anchor" style="cursor:pointer;" href="javascript:;"><picture><img class="zpimage zpimage-style-none zpimage-space-none " src='https://cdn1.zohoecommerce.com/images/Blog-imagenes/Filtros-Deshidratadores/figura-6-48.jpg?storefront_domain=www.climasmonterrey.com' width="400" height="339" loading="lazy" size="original" alt="" data-lightbox="true"/></picture></a></figure></div>
</div><div data-element-id="elm_nap5XlLIRR9HZ9nz4i8mDg" data-element-type="text" class="zpelement zpelem-text "><style> [data-element-id="elm_nap5XlLIRR9HZ9nz4i8mDg"].zpelem-text{ border-radius:1px; } </style><div class="zptext zptext-align-left " data-editor="true"><p><span style="color:inherit;"><span style="font-size:16px;">El ajuste de fábrica del sobrecalentamiento estático, se hace con la aguja de la válvula comenzando a levantarse del asiento. Las termo válvulas están diseñadas de tal manera, que es necesario un incremento en el sobrecalentamiento del gas refrigerante que sale del evaporador, usualmente de 2° a 3°C por arriba del ajuste estático de fábrica, para que la aguja abra hasta su posición de clasificación. Este sobrecalentamiento adicional se conoce como gradiente. Por ejemplo, si el ajuste estático de fábrica es de 3°C, el sobrecalentamiento de operación en la posición de clasificación, será de 5° a 6°C, a menos que se especifique lo contrario.&nbsp;</span><em style="font-size:16px;">Figura 6.49</em><span style="font-size:16px;">.</span></span><br></p></div>
</div><div data-element-id="elm_kUyINiFp-doy84G-I1sjTw" data-element-type="image" class="zpelement zpelem-image "><style> @media (min-width: 992px) { [data-element-id="elm_kUyINiFp-doy84G-I1sjTw"] .zpimage-container figure img { width: 400px !important ; height: 314px !important ; } } @media (max-width: 991px) and (min-width: 768px) { [data-element-id="elm_kUyINiFp-doy84G-I1sjTw"] .zpimage-container figure img { width:400px ; height:314px ; } } @media (max-width: 767px) { [data-element-id="elm_kUyINiFp-doy84G-I1sjTw"] .zpimage-container figure img { width:400px ; height:314px ; } } [data-element-id="elm_kUyINiFp-doy84G-I1sjTw"].zpelem-image { border-radius:1px; } </style><div data-caption-color="" data-size-tablet="" data-size-mobile="" data-align="center" data-tablet-image-separate="false" data-mobile-image-separate="false" class="zpimage-container zpimage-align-center zpimage-size-original zpimage-tablet-fallback-original zpimage-mobile-fallback-original hb-lightbox " data-lightbox-options="
                type:fullscreen,
                theme:dark"><figure role="none" class="zpimage-data-ref"><a class="zpimage-anchor" style="cursor:pointer;" href="javascript:;"><picture><img class="zpimage zpimage-style-none zpimage-space-none " src='https://cdn1.zohoecommerce.com/images/Blog-imagenes/Filtros-Deshidratadores/figura-6-49.jpg?storefront_domain=www.climasmonterrey.com' width="400" height="314" loading="lazy" size="original" alt="" data-lightbox="true"/></picture></a></figure></div>
</div><div data-element-id="elm_62AW5a-3XYgYimZy5c18Mw" data-element-type="text" class="zpelement zpelem-text "><style> [data-element-id="elm_62AW5a-3XYgYimZy5c18Mw"].zpelem-text{ border-radius:1px; } </style><div class="zptext zptext-align-left " data-editor="true"><div style="color:inherit;"><div style="font-size:13px;"><span style="font-size:16px;">Generalmente, los fabricantes proporcionan las termo válvulas del tipo ajustable, con un ajuste de sobrecalentamiento estático de fábrica de entre 3° y 6°C. Si el sobrecalentamiento de operación se eleva innecesariamente, disminuye la capacidad del evaporador.</span></div><div style="font-size:13px;">&nbsp;</div><div style="font-size:13px;"><span style="font-size:16px;">Si el vástago de ajuste se gira en el sentido de las manecillas del reloj, se aumentará la presión del resorte P3, aumentando el sobrecalentamiento estático, y se disminuyendo la capacidad de la válvula. Girando el vástago en el sentido contrario a las manecillas del reloj, se disminuye el sobrecalentamiento estático, y se aumenta la capacidad de la válvula dentro de un rango limitado.</span></div><div style="font-size:13px;">&nbsp;</div><div style="font-size:13px;"><span style="font-size:16px;">Si después de haber hecho la medición correcta del sobrecalentamiento, como se mencionó anteriormente, se determina que hay que hacer un ajuste, el procedimiento más recomendable es el siguiente:</span></div><div style="font-size:13px;">&nbsp;</div><div style="font-size:13px;"><span style="font-size:16px;">Si el sobrecalentamiento está bajo, habrá que girar el vástago aproximadamente media vuelta en sentido de las manecillas del reloj, esperar de 15 a 30 minutos, hasta que se estabilice el sistema a las nuevas condiciones, y luego hacer otra medición del sobrecalentamiento. Si aún está bajo el sobrecalentamiento, se repite el procedimiento.</span></div><div style="font-size:13px;">&nbsp;</div><div style="font-size:13px;"><span style="font-size:16px;">Si el sobrecalentamiento está alto, se tendrá que proceder de la misma manera, sólo que girando el vástago de ajuste en el sentido contrario. Es importante, entre una lectura y otra, esperar de 15 a 30 minutos a que se estabilice el sistema.</span></div></div></div>
</div></div></div></div></div></div> ]]></content:encoded><pubDate>Tue, 12 Sep 2023 09:41:17 -0600</pubDate></item><item><title><![CDATA[¿Cómo medir y ajustar el sobrecalentamiento?]]></title><link>https://www.climasmonterrey.com/blogs/post/medicion-y-ajuste-del-sobrecalentamiento</link><description><![CDATA[A menos que se especifique lo contrario, todos los fabricantes de válvulas de termo expansión, ajustan las válvulas a un sobrecalentamiento estándar, ]]></description><content:encoded><![CDATA[
<div class="zpcontent-container blogpost-container "><div data-element-id="elm_aCgpWIxTSkWzcDL3Eo5MtA" data-element-type="section" class="zpsection "><style type="text/css"></style><div class="zpcontainer"><div data-element-id="elm_VrxYvewpQjmmsNt881B2SA" data-element-type="row" class="zprow zpalign-items- zpjustify-content- "><style type="text/css"></style><div data-element-id="elm_svCLPSt1TtuAVY0gjxyPDg" data-element-type="column" class="zpelem-col zpcol-12 zpcol-md-12 zpcol-sm-12 zpalign-self- "><style type="text/css"></style><div data-element-id="elm_t0EE_PGlbbCSHt8UzHgW8A" data-element-type="heading" class="zpelement zpelem-heading "><style> [data-element-id="elm_t0EE_PGlbbCSHt8UzHgW8A"].zpelem-heading { border-radius:1px; } </style><h2
 class="zpheading zpheading-style-none zpheading-align-left " data-editor="true"><span style="color:inherit;"><span style="font-weight:600;font-size:13px;"><span style="font-size:20px;">Medición y Ajuste del Sobrecalentamiento</span></span></span></h2></div>
<div data-element-id="elm_0YuNfma-EAHOTNntIz380Q" data-element-type="text" class="zpelement zpelem-text "><style> [data-element-id="elm_0YuNfma-EAHOTNntIz380Q"].zpelem-text{ border-radius:1px; } </style><div class="zptext zptext-align-left " data-editor="true"><p><span style="color:inherit;"><span style="font-size:16px;">A menos que se especifique lo contrario, todos los fabricantes de válvulas de termo expansión, ajustan las válvulas a un sobrecalentamiento estándar, el cual es suficiente para que la válvula funcione a su capacidad nominal. Generalmente, este ajuste es suficiente para que la válvula opere adecuadamente y no es necesario cambiarlo. Algunos fabricantes ajustan el sobrecalentamiento a una &quot;temperatura de baño&quot;, la cual es codificada alfabéticamente sobre la placa como se muestra en la&nbsp;</span><em style="font-size:16px;">figura 6.45</em><span style="font-size:16px;">. Así pues, una válvula con un &quot;10A&quot; estampado en la placa, ha sido ajustada a un sobrecalentamiento estático de 10°F (5.6°C) con un baño de 32°F (0°C). De manera similar una válvula estampada con &quot;10C&quot;, ha sido ajustada a un sobrecalentamiento estático de 10°F (5.6°C) con un baño de 0°F (-18°C).</span></span><br></p></div>
</div><div data-element-id="elm_LNoPoCoh0EGXmcnPRd3k4A" data-element-type="image" class="zpelement zpelem-image "><style> @media (min-width: 992px) { [data-element-id="elm_LNoPoCoh0EGXmcnPRd3k4A"] .zpimage-container figure img { width: 400px !important ; height: 252px !important ; } } @media (max-width: 991px) and (min-width: 768px) { [data-element-id="elm_LNoPoCoh0EGXmcnPRd3k4A"] .zpimage-container figure img { width:400px ; height:252px ; } } @media (max-width: 767px) { [data-element-id="elm_LNoPoCoh0EGXmcnPRd3k4A"] .zpimage-container figure img { width:400px ; height:252px ; } } [data-element-id="elm_LNoPoCoh0EGXmcnPRd3k4A"].zpelem-image { border-radius:1px; } </style><div data-caption-color="" data-size-tablet="" data-size-mobile="" data-align="center" data-tablet-image-separate="false" data-mobile-image-separate="false" class="zpimage-container zpimage-align-center zpimage-size-original zpimage-tablet-fallback-original zpimage-mobile-fallback-original hb-lightbox " data-lightbox-options="
                type:fullscreen,
                theme:dark"><figure role="none" class="zpimage-data-ref"><a class="zpimage-anchor" style="cursor:pointer;" href="javascript:;"><picture><img class="zpimage zpimage-style-none zpimage-space-none " src='https://cdn1.zohoecommerce.com/images/Blog-imagenes/Filtros-Deshidratadores/figura-6-45.jpg?storefront_domain=www.climasmonterrey.com' width="400" height="252" loading="lazy" size="original" alt="" data-lightbox="true"/></picture></a></figure></div>
</div><div data-element-id="elm_h2yAffUeCz0UrvWqVKqPVQ" data-element-type="text" class="zpelement zpelem-text "><style> [data-element-id="elm_h2yAffUeCz0UrvWqVKqPVQ"].zpelem-text{ border-radius:1px; } </style><div class="zptext zptext-align-left " data-editor="true"><div style="color:inherit;"><div style="font-size:13px;"><span style="font-size:16px;">Con frecuencia se refiere al sobrecalentamiento como el &quot;pulso&quot; de la válvula de termo expansión. El sobrecalentamiento es importante para evaluar el funcionamiento de una válvula, sobre todo, para hacer un buen diagnóstico cuando se sospecha que la válvula es la que está fallando. Para conocer el sobrecalentamiento que está manteniendo una válvula de termo expansión en un sistema de refrigeración, se necesita determinar los valores que son: la presión y la temperatura del gas de succión, justo en el sitio donde está ubicado el bulbo de la válvula. Con un termómetro de precisión adecuado, se puede medir la temperatura directamente sobre la línea de succión . Se puede utilizar un termómetro de bolsillo para refrigeración, con abrazadera apropiada para el bulbo; o bien, se puede ser aun más preciso, utilizando un potenciómetro (termómetro eléctrico) con termopares (cables y sondas).</span></div><div style="font-size:13px;">&nbsp;</div><div style="font-size:13px;"><span style="font-size:16px;">El elemento sensor de su termómetro deberá ser fijado con cinta en la línea de succión, en el punto donde está ubicado el bulbo, y deberá aislarse contra el medio ambiente. Los elementos de temperatura de este tipo, así como los termómetros, si no se aislan, darán una lectura promedio de la línea de succión y el ambiente.</span></div><div style="font-size:13px;">&nbsp;</div><div style="font-size:13px;"><span style="font-size:16px;">La presión se puede medir por dos métodos:</span></div><div style="font-size:13px;">&nbsp;</div><div style="font-size:13px;"><span style="font-size:16px;">1) Si la válvula cuenta con igualador externo, se puede instalar una conexión &quot;T&quot; en la línea del igualador externo, y medir allí directamente la presión con un manómetro calibrado. Suponiendo que se cuenta con un manómetro y medidor de temperatura exactos, este método proporcionará lecturas de sobrecalentamiento lo suficientemente exactas para todo fin práctico.</span></div><div style="font-size:13px;">&nbsp;</div><div style="font-size:13px;"><span style="font-size:16px;">2) Si la válvula no cuenta con igualador externo, la presión se mide en la válvula de servicio de succión del compresor. Con este segundo método se pueden hacer dos consideraciones:</span></div><div style="font-size:13px;">&nbsp;</div><div style="font-size:13px;"><span style="font-size:16px;">a) Estimar la caída de presión en la línea de succión por las conexiones, accesorios y tuberías, y sumar éste valor a la presión leída en el compresor. El resultado será la presión que se tiene en el sitio donde está ubicado el bulbo. &nbsp;</span></div><div style="font-size:13px;"><span style="font-size:16px;">&nbsp; &nbsp; &nbsp; &nbsp; &nbsp; &nbsp; &nbsp; &nbsp; &nbsp; &nbsp; &nbsp; &nbsp; &nbsp; &nbsp;.</span></div><div style="font-size:13px;"><span style="font-size:16px;">b) Si el equipo es muy compacto, donde no se considera caída de presión en la línea de succión, la presión será entonces la misma que la leída en la válvula de servicio del compresor.</span></div><div style="font-size:13px;">&nbsp;</div><div style="font-size:13px;"><span style="font-size:16px;">Puesto que las estimaciones de caída de presión en la línea de succión, generalmente, no son lo suficientemente precisas para proporcionar una perspectiva real de sobrecalentamiento, no se puede confiar en este método para obtener valores absolutos. Cabe hacer notar que el error en este caso siempre será positivo, y que el sobrecalentamiento resultante, será mayor que el valor real.</span></div><div style="font-size:13px;">&nbsp;</div><div style="font-size:13px;"><span style="font-size:16px;">Volviendo a expresar lo anterior, el único método de verificar el sobrecalentamiento que arrojará un valor absoluto, es en el que se obtienen las lecturas de presión y temperatura a la salida del evaporador.</span></div><div style="font-size:13px;">&nbsp;</div><div style="font-size:13px;"><span style="font-size:16px;">Otros métodos empleados arrojarán un sobrecalentamiento ficticio, el cual puede resultar engañoso, cuando se utiliza para analizar el funcionamiento de una válvula de termo expansión.</span></div><div style="font-size:13px;">&nbsp;</div><div style="font-size:13px;"><span style="font-size:16px;">Al darse cuenta de las limitaciones de estos métodos aproximados y de la dirección del error, con frecuencia es posible determinar que la causa de una aparente avería en la válvula, se debe al uso de métodos inadecuados de instrumentación, más que a un mal funcionamiento.</span></div><div style="font-size:13px;">&nbsp;</div><div style="font-size:13px;"><span style="font-size:16px;">Otro error más que se presentará al detectar fallas en áreas montañosas o lugares muy altos sobre el nivel del mar, es la baja presión manométrica, comparadas con las lecturas al nivel del mar. Utilice una tabla de presióntemperatura que tenga lecturas corregidas a 1500 o a 2000 m. (Ver tabla 13.6, capítulo &quot;Psicrometría&quot;).</span></div><div style="font-size:13px;">&nbsp;</div><div style="font-size:13px;"><span style="font-weight:600;"><span style="font-size:20px;">Ejemplos de Cómo Medir el Sobrecalentamiento</span></span></div><div style="font-size:13px;">&nbsp;</div><div style="font-size:13px;"><span style="font-size:16px;">Enseguida, veremos un ejemplo de cada uno de los métodos descritos anteriormente, acerca de la medición del sobrecalentamiento.</span></div><div style="font-size:13px;">&nbsp;</div><div style="font-size:13px;"><span style="font-size:16px;">Ejemplo 1: Cuando la válvula cuenta con igualador externo, en un sistema con R-22. &nbsp; &nbsp; &nbsp; &nbsp; &nbsp; &nbsp; &nbsp; &nbsp; &nbsp; &nbsp; &nbsp; &nbsp;</span></div><div style="font-size:13px;"><span style="font-size:16px;">Refiriéndonos a la<em>&nbsp;figura 6.46</em>, primero determinamos la temperatura del vapor sobrecalentado a la salida del evaporador, justo en el sitio donde está ubicado el bulbo. Para hacer esto, se necesita primero limpiar el área del tubo de succión donde se va a hacer la medición, y fijar el termopar con cinta aislante. Digamos que la temperatura obtenida sea de 11°C.</span></div></div></div>
</div><div data-element-id="elm_mDQZb2xkgmYIiNP4eyBE5Q" data-element-type="image" class="zpelement zpelem-image "><style> @media (min-width: 992px) { [data-element-id="elm_mDQZb2xkgmYIiNP4eyBE5Q"] .zpimage-container figure img { width: 400px !important ; height: 277px !important ; } } @media (max-width: 991px) and (min-width: 768px) { [data-element-id="elm_mDQZb2xkgmYIiNP4eyBE5Q"] .zpimage-container figure img { width:400px ; height:277px ; } } @media (max-width: 767px) { [data-element-id="elm_mDQZb2xkgmYIiNP4eyBE5Q"] .zpimage-container figure img { width:400px ; height:277px ; } } [data-element-id="elm_mDQZb2xkgmYIiNP4eyBE5Q"].zpelem-image { border-radius:1px; } </style><div data-caption-color="" data-size-tablet="" data-size-mobile="" data-align="center" data-tablet-image-separate="false" data-mobile-image-separate="false" class="zpimage-container zpimage-align-center zpimage-size-original zpimage-tablet-fallback-original zpimage-mobile-fallback-original hb-lightbox " data-lightbox-options="
                type:fullscreen,
                theme:dark"><figure role="none" class="zpimage-data-ref"><a class="zpimage-anchor" style="cursor:pointer;" href="javascript:;"><picture><img class="zpimage zpimage-style-none zpimage-space-none " src='https://cdn1.zohoecommerce.com/images/Blog-imagenes/Filtros-Deshidratadores/figura-6-46.jpg?storefront_domain=www.climasmonterrey.com' width="400" height="277" loading="lazy" size="original" alt="" data-lightbox="true"/></picture></a></figure></div>
</div><div data-element-id="elm_xqpyU33TrGeYFzO6gXVDYA" data-element-type="text" class="zpelement zpelem-text "><style> [data-element-id="elm_xqpyU33TrGeYFzO6gXVDYA"].zpelem-text{ border-radius:1px; } </style><div class="zptext zptext-align-left " data-editor="true"><div style="color:inherit;"><div style="font-size:13px;"><span style="font-size:16px;">Enseguida, se determina la presión de succión con un manómetro calibrado. Este manómetro se conecta a una &quot;T&quot;, previamente instalada en la línea del igualador externo. Dependiendo de la facilidad de acceso que se tenga, la conexión &quot;T&quot; puede instalarse en cualquiera de los dos extremos de la línea del igualador, como se muestra en la&nbsp;<em>figura 6.46</em>. También se puede hacer una desviación, utilizando las mangueras del múltiple de servicio. Supongamos que la presión leída sea de 70 psig. De la tabla de presión-temperatura, se determina la temperatura de saturación para el R-22, correspondiente a la presión leída, que en este caso es de 5°C.</span></div><div style="font-size:13px;">&nbsp;</div><div style="font-size:13px;"><span style="font-size:16px;">El sobrecalentamiento va a ser el valor que resulte de restar la temperatura de saturación (5°C) de la tempera-tura sensible medida en el primer paso (11°C); es decir: Sobrecalentamiento = 11°C 5°C = 6°C.</span></div><div style="font-size:13px;">&nbsp;</div><div style="font-size:13px;"><span style="font-size:16px;">Ejemplo 2: Cuando la válvula no cuenta con igualador externo, en un sistema con R-134a. &nbsp; &nbsp; &nbsp; &nbsp; &nbsp; &nbsp; &nbsp; &nbsp; &nbsp; &nbsp;.</span></div><div style="font-size:13px;"><span style="font-size:16px;">Refiriéndonos a la&nbsp;<em>figura 6.47</em>, el método alterno para determinar el sobrecalentamiento cuando la válvula no cuenta con igualador externo, o en instalaciones estrechamente unidas, es el siguiente: primero, determinamos la temperatura del vapor sobrecalentado a la salida del evaporador, de la misma manera que el ejemplo anterior. Digamos que la temperatura es de 2°C.</span></div></div></div>
</div><div data-element-id="elm_UlmtpY3y5jb2KbWASyqiAQ" data-element-type="image" class="zpelement zpelem-image "><style> @media (min-width: 992px) { [data-element-id="elm_UlmtpY3y5jb2KbWASyqiAQ"] .zpimage-container figure img { width: 400px !important ; height: 282px !important ; } } @media (max-width: 991px) and (min-width: 768px) { [data-element-id="elm_UlmtpY3y5jb2KbWASyqiAQ"] .zpimage-container figure img { width:400px ; height:282px ; } } @media (max-width: 767px) { [data-element-id="elm_UlmtpY3y5jb2KbWASyqiAQ"] .zpimage-container figure img { width:400px ; height:282px ; } } [data-element-id="elm_UlmtpY3y5jb2KbWASyqiAQ"].zpelem-image { border-radius:1px; } </style><div data-caption-color="" data-size-tablet="" data-size-mobile="" data-align="center" data-tablet-image-separate="false" data-mobile-image-separate="false" class="zpimage-container zpimage-align-center zpimage-size-original zpimage-tablet-fallback-original zpimage-mobile-fallback-original hb-lightbox " data-lightbox-options="
                type:fullscreen,
                theme:dark"><figure role="none" class="zpimage-data-ref"><a class="zpimage-anchor" style="cursor:pointer;" href="javascript:;"><picture><img class="zpimage zpimage-style-none zpimage-space-none " src='https://cdn1.zohoecommerce.com/images/Blog-imagenes/Filtros-Deshidratadores/figura-6-47.jpg?storefront_domain=www.climasmonterrey.com' width="400" height="282" loading="lazy" size="original" alt="" data-lightbox="true"/></picture></a></figure></div>
</div><div data-element-id="elm_T_HzYiMWFPP8HiQfqMdcTw" data-element-type="text" class="zpelement zpelem-text "><style> [data-element-id="elm_T_HzYiMWFPP8HiQfqMdcTw"].zpelem-text{ border-radius:1px; } </style><div class="zptext zptext-align-left " data-editor="true"><div style="color:inherit;"><div style="font-size:13px;"><span style="font-size:16px;">Medimos la presión de succión con un manómetro calibrado, directamente en la válvula de servicio de succión del compresor; en este caso, la presión es de 22 psig. Enseguida, estimamos la pérdida de presión por conexiones y accesorios en la línea de succión. Para nuestro ejemplo, consideramos esta caída de presión de 2 psi. Sumamos este valor a la presión obtenida en la válvula de servicio del compresor, para obtener la presión de succión a la salida del evaporador, que es la que necesitamos:</span></div><div style="font-size:13px;"><span style="font-size:16px;">Presión de succión = 22 psig + 2.0 psi = 24 psig.</span></div><div style="font-size:13px;">&nbsp;</div><div style="font-size:13px;"><span style="font-size:16px;">De la tabla de presión-temperatura para R-134a, determinamos la temperatura de saturación correspondiente a esta presión, que para este ejemplo es de -3°C.</span></div><div style="font-size:13px;">&nbsp;</div><div style="font-size:13px;"><span style="font-size:16px;">Nuevamente, el sobrecalentamiento será el valor que resulte de restar la temperatura de saturación (-3°C) a la temperatura sensible medida en el primer paso (2°C); es decir:</span></div><div style="font-size:13px;"><span style="font-size:16px;">Sobrecalentamiento = 2°C (-3)°C = 5°C.</span></div><div style="font-size:13px;">&nbsp;</div><div style="font-size:13px;"><span style="font-size:16px;">Como regla general, el sobrecalentamiento a la salida del evaporador, independientemente del refrigerante que se está utilizando, deberá estar aproximadamente dentro de los siguientes valores:</span></div><div style="font-size:13px;">&nbsp;</div><div style="font-size:13px;"><span style="font-size:16px;">1. Alta temp. (temp. evap. 0°C o mayor) entre 6° y 7°C.</span></div><div style="font-size:13px;"><span style="font-size:16px;">2. Temp. media (temp. evap. -18° a 0°C) entre 3° y 6°C.</span></div><div style="font-size:13px;"><span style="font-size:16px;">3. Baja temp. (temp. evap. abajo de -18°C) entre 1° y 3°C.</span></div></div></div>
</div></div></div></div></div></div> ]]></content:encoded><pubDate>Tue, 12 Sep 2023 09:39:50 -0600</pubDate></item><item><title><![CDATA[¿Cómo seleccionar una Válvula de Termo Expansión?]]></title><link>https://www.climasmonterrey.com/blogs/post/como-seleccionar-una-valvula-de-termo-expansion</link><description><![CDATA[Supongamos que en un sistema se va a reemplazar la válvula de termo expansión porque falló, y no se conoce su capacidad. ¿Qué se debe hacer? Si se ins ]]></description><content:encoded><![CDATA[
<div class="zpcontent-container blogpost-container "><div data-element-id="elm_mazDdYoES_uZRaJbMGUtyw" data-element-type="section" class="zpsection "><style type="text/css"></style><div class="zpcontainer"><div data-element-id="elm_dlnkXJW1QXqWaiPwjPRjnw" data-element-type="row" class="zprow zpalign-items- zpjustify-content- "><style type="text/css"></style><div data-element-id="elm_FRhkmQR6RseDdz1PPj65SA" data-element-type="column" class="zpelem-col zpcol-12 zpcol-md-12 zpcol-sm-12 zpalign-self- "><style type="text/css"></style><div data-element-id="elm__t2raxSU_OAfIEJzIz5xaA" data-element-type="heading" class="zpelement zpelem-heading "><style> [data-element-id="elm__t2raxSU_OAfIEJzIz5xaA"].zpelem-heading { border-radius:1px; } </style><h2
 class="zpheading zpheading-style-none zpheading-align-left " data-editor="true"><span style="color:inherit;"><span style="font-weight:600;font-size:13px;"><span style="font-size:20px;">Cómo Seleccionar una Válvula de Termo expansión</span></span></span></h2></div>
<div data-element-id="elm_9aCWQA0u0ba2sXWe2uceRA" data-element-type="text" class="zpelement zpelem-text "><style> [data-element-id="elm_9aCWQA0u0ba2sXWe2uceRA"].zpelem-text{ border-radius:1px; } </style><div class="zptext zptext-align-left " data-editor="true"><div style="color:inherit;"><div style="font-size:13px;"><span style="font-size:16px;">Supongamos que en un sistema se va a reemplazar la válvula de termo expansión porque falló, y no se conoce su capacidad. ¿Qué se debe hacer? Si se instala una válvula de mayor tamaño, va a funcionar erráticamente o a inundar el evaporador. Si la válvula es muy pequeña, no alimentará suficiente, lo cual también puede causar daño al compresor.</span></div><div style="font-size:13px;">&nbsp;</div><div style="font-size:13px;"><span style="font-size:16px;">Los fabricantes de válvulas de termo expansión las clasifican en base a un conjunto específico de condiciones y normas, determinadas por el Instituto de Refrigeración y Aire Acondicionado (ARI), o por la Sociedad Americana de Ingenieros en Calefacción, Refrigeración y Aire Acondicionado (ASHRAE). Esta clasificación es nominal, y es la que viene grabada en la placa y en la caja de la válvula. De acuerdo a la norma 750 de ARI, la capacidad nominal se determina a una temperatura en el evaporador de 40°F (4.4°C), y a una caída de presión a través de la válvula de 60 psi (414 kPa) para el R-12, el R-134a y el R-500, y 100 psi (690 kPa) para el R-22 y el R-502. Además, el refrigerante que llega a la entrada de la válvula debe ser completamente líquido, estar libre de vapor y debe estar a una temperatura de 100°F (37.8°C).</span></div><div style="font-size:13px;">&nbsp;</div><div style="font-size:13px;"><span style="font-size:16px;">Todos los fabricantes de válvulas de termo expansión clasifican sus válvulas de acuerdo a esta norma, y publican sus valores en forma de tablas en sus respectivos catálogos, para diferentes refrigerantes y a varias temperaturas de evaporación. Si la temperatura del refrigerante que llega a la válvula es diferente a 100°F (37.8°C), se proporciona una tabla con factores para hacer la corrección. Esta clasificación o capacidad nominal, puede ser muy diferente a la que realmente se requiere en el trabajo. Si se confía en la etiqueta o en la placa y se sigue ciegamente, puede resultar caro por las vueltas que haya que dar para revisar el equipo.</span></div><div style="font-size:13px;">&nbsp;</div><div style="font-size:13px;"><span style="font-size:16px;">Cada fabricante de válvulas tiene una herramienta para ayudarle al técnico a determinar exactamente cuál válvula va en cada aplicación. Esta se llama Carta de Capacidad Extendida, y muestra lo que cada válvula puede hacer en cada situación. Estas cartas o tablas, generalmente se publican en el catálogo.</span></div><div style="font-size:13px;">&nbsp;</div><div style="font-size:13px;"><span style="font-size:16px;">Para usar estas cartas, es necesario determinar cuatro datos básicos, además del refrigerante usado en el sistema:</span></div><div style="font-size:13px;">&nbsp;</div><div style="font-size:13px;"><span style="font-size:16px;">-La capacidad del sistema de refrigeración.</span></div><div style="font-size:13px;"><span style="font-size:16px;">-La temperatura del líquido que entra a la válvula.</span></div><div style="font-size:13px;"><span style="font-size:16px;">-La temperatura de saturación del evaporador.</span></div><div style="font-size:13px;"><span style="font-size:16px;">-La caída de presión a través de la válvula.</span></div><div style="font-size:13px;">&nbsp;</div><div style="font-size:13px;"><span style="font-size:16px;">Para obtener esta información, se recomienda lo siguiente:</span></div></div></div>
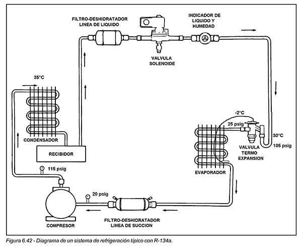
</div><div data-element-id="elm_7zRlrMqdGBSOnvSHc7O_OQ" data-element-type="text" class="zpelement zpelem-text "><style> [data-element-id="elm_7zRlrMqdGBSOnvSHc7O_OQ"].zpelem-text{ border-radius:1px; } </style><div class="zptext zptext-align-left " data-editor="true"><div style="color:inherit;"><div style="font-size:13px;"><span style="font-size:16px;">1.<span style="font-weight:600;">&nbsp;La Capacidad del Sistema de Refrigeración.</span>&nbsp;Debe determinarse el tamaño del sistema en kcal/h o toneladas de refrigeración (1 T.R. = 3,024 kcal/h). Si se tiene disponible, debe revisarse la literatura del fabricante del sistema; si no se tiene disponible ningún tipo de literatura del fabricante, deberá encontrarse la clasificación del compresor en su placa. No debe tratarse de igualar la válvula a esa clasificación, porque puede variar dependiendo de la temperatura deseada en el espacio refrigerado. La temperatura promedio de un evaporador de aire acondicionado es de 5°C; para refrigeración, es de 3° a 8°C abajo de la temperatura del producto más frío almacenado.</span></div><div style="font-size:13px;">&nbsp;</div><div style="font-size:13px;"><span style="font-size:16px;">Así pues, la capacidad del compresor en refrigeración, puede ser considerablemente menor que su capacidad nominal en la placa. Sirve solamente como una guía para la verdadera clasificación de la válvula.</span></div><div style="font-size:13px;">&nbsp;</div><div style="font-size:13px;"><span style="font-size:16px;">2.&nbsp;<span style="font-weight:600;">Temperatura del Líquido que Ingresa a la Válvula</span>&nbsp;. Para que la lectura sea lo más precisa posible, esta temperatura se determina con un termómetro de los que se fijan a la tubería con una correa, o con uno similar. Como ya se mencionó antes, las capacidades nominales de las válvulas, se establecen a una temperatura del refrigerante líquido, libre de vapor, en la entrada de la válvula de 100°F (37.8°C). Si la temperatura del líquido medida a la entrada de la válvula, es mayor o menor de 100°F, en las cartas de capacidad extendidas se muestran unos factores de corrección que servirán para hacer la compensación.</span></div><div style="font-size:13px;">&nbsp;</div><div style="font-size:13px;"><span style="font-size:16px;">Puesto que la capacidad y rendimiento de la válvula de termo expansión está basada en el refrigerante líquido que entra, se deberá prestar especial cuidado a la caída de presión total en la línea de líquido. Si esta caída de presión es muy grande, el refrigerante líquido se evaporará antes de llegar a la válvula, formando lo que se conoce como &quot;Flash Gas&quot;. En este caso, se le deberá proporcionar un subenfriamiento al refrigerante líquido a la salida del condensador (ver capítulo de Indicadores de Líquido y Humedad), para asegurar que el refrigerante entre a la válvula totalmente líquido, todo el tiempo.</span></div><div style="font-size:13px;">&nbsp;</div><div style="font-size:13px;"><span style="font-size:16px;">3.<span style="font-weight:600;">&nbsp;Temperatura de Saturación del Evaporador</span>. Si no se conoce esta temperatura, se puede estimar siguiendo la guía del punto 1. Debe ser menor que la temperatura requerida en el espacio refrigerado; si no, no se llevaría a cabo la transmisión de calor.</span></div><div style="font-size:13px;">&nbsp;</div><div style="font-size:13px;"><span style="font-size:16px;">Si se observa detenidamente la tabla de capacidades del catálogo de Valycontrol, S.A. de C.V., se notará que la capacidad de una válvula de termo expansión disminuye al bajar la temperatura del evaporador. Esto se debe a que a menor temperatura de evaporación, se reduce el calor latente absorbido por kg. de refrigerante líquido. Como resultado, se reduce el efecto global de refrigeración. La temperatura deseada en el evaporador, es importante, cuando se desea seleccionar correctamente el tamaño de una válvula de termo expansión.</span></div><div style="font-size:13px;">&nbsp;</div><div style="font-size:13px;"><span style="font-size:16px;">4.&nbsp;<span style="font-weight:600;">Caída de Presión a Través de la Válvula</span>. Aquí, cabe aclarar, que lo que se debe determinar es la diferencia entre la presión del lado de entrada de la válvula y la presión del lado de la salida. No debe caerse en el error común, de simplemente sacar la diferencia entre las presiones de descarga y de succión del compresor. Puede que también sea necesario estimar la caída de presión debida a longitudes de tubería o a conexiones y accesorios, tales como válvulas de paso, solenoides, filtros, distribuidores, etc...</span></div><div style="font-size:13px;">&nbsp;</div><div style="font-size:13px;"><span style="font-size:16px;">La presión a la salida de la válvula será más alta que la presión de succión indicada en el compresor, debido a pérdidas por fricción a través del distribuidor, de los tubos del evaporador, conexiones, válvulas y filtros.</span></div><div style="font-size:13px;">&nbsp;</div><div style="font-size:13px;"><span style="font-size:16px;">La presión a la entrada de la válvula será más baja que la presión de descarga indicada en el compresor, debido a pérdidas por fricción creadas por la longitud de la línea de líquido, tubería del condensador, válvulas, conexiones, filtros y otros accesorios y, posiblemente, por alguna tubería vertical con flujo ascendente. La única excepción a esto es cuando la válvula está ubicada considerablemente abajo del recibidor, y la presión estática que se acumula es más que suficiente para contrarrestar las pérdidas por fricción. El diámetro de la línea de líquido deberá seleccionarse adecuadamente, dando la debida consideración a su longitud, además de la longitud equivalente adicional por el uso de conexiones y válvulas. Cuando sea necesario un levantamiento vertical en la línea de líquido, deberá incluirse una caída de presión adicional por la pérdida de presión estática.</span></div><div style="font-size:13px;">&nbsp;</div><div style="font-size:13px;"><span style="font-size:16px;">En resumen, la caída de presión a través de la válvula de termo expansión, será la diferencia entre las presiones de descarga y succión en el compresor, menos las caídas de presión en la línea de líquido y la de succión. Algunas veces habrá que consultar tablas para determinar las caídas de presión, tanto en tubería como en conexiones, válvulas y accesorios. (Ver tabla 15.28, capítulo &quot;Información Técnica&quot;).</span></div><div style="font-size:13px;">&nbsp;</div><div style="font-size:13px;"><span style="font-size:16px;">Así que, cuando no se conozca el tamaño exacto de la válvula, tómese unos cuantos minutos para seguir los pasos recomendados y podrá hacer la selección más adecuada. Vale la pena invertir este tiempo por la satisfacción que deja el haber hecho la mejor elección, y también, para ahorrarse las molestias y costosas llamadas para regresar a hacer reparaciones.</span></div><div style="font-size:13px;">&nbsp;</div><div style="font-size:13px;"><span style="font-size:16px;">A continuación ponemos algunos ejemplos de selección.</span></div><div style="font-size:13px;">&nbsp;</div><div style="font-size:13px;"><span style="font-size:16px;">Ejemplo 1 Reemplazo de una válvula de termo expansión en un sistema de refrigeración comercial con R-134a, como el que se muestra en la&nbsp;<em>figura 6.42</em>. La capacidad del sistema es de 2.5 TR (7,560 kcal/h) y es para conservación de productos lácteos.</span></div></div></div>
</div><div data-element-id="elm_TBQc0517keedKUBV4g76Zg" data-element-type="image" class="zpelement zpelem-image "><style> @media (min-width: 992px) { [data-element-id="elm_TBQc0517keedKUBV4g76Zg"] .zpimage-container figure img { width: 551.2px !important ; height: 452px !important ; } } @media (max-width: 991px) and (min-width: 768px) { [data-element-id="elm_TBQc0517keedKUBV4g76Zg"] .zpimage-container figure img { width:551.2px ; height:452px ; } } @media (max-width: 767px) { [data-element-id="elm_TBQc0517keedKUBV4g76Zg"] .zpimage-container figure img { width:551.2px ; height:452px ; } } [data-element-id="elm_TBQc0517keedKUBV4g76Zg"].zpelem-image { border-radius:1px; } </style><div data-caption-color="" data-size-tablet="" data-size-mobile="" data-align="center" data-tablet-image-separate="false" data-mobile-image-separate="false" class="zpimage-container zpimage-align-center zpimage-size-custom zpimage-tablet-fallback-custom zpimage-mobile-fallback-custom hb-lightbox " data-lightbox-options="
                type:fullscreen,
                theme:dark"><figure role="none" class="zpimage-data-ref"><a class="zpimage-anchor" style="cursor:pointer;" href="javascript:;"><picture><img class="zpimage zpimage-style-none zpimage-space-none " src='https://cdn1.zohoecommerce.com/images/Blog-imagenes/Filtros-Deshidratadores/figura-6-42.jpg?storefront_domain=www.climasmonterrey.com' width="551.2" height="452" loading="lazy" size="custom" alt="" data-lightbox="true"/></picture></a></figure></div>
</div><div data-element-id="elm_X3sJpfN69sadwBTUB-1Dvg" data-element-type="text" class="zpelement zpelem-text "><style> [data-element-id="elm_X3sJpfN69sadwBTUB-1Dvg"].zpelem-text{ border-radius:1px; } </style><div class="zptext zptext-align-left " data-editor="true"><div style="color:inherit;"><div style="font-size:13px;"><span style="font-size:16px;">Siguiendo los pasos mencionados anteriormente, los valores que nos falta determinar son la temperatura del líquido, la temperatura de evaporación y la caída de presión a través de la válvula.</span></div><div style="font-size:13px;">&nbsp;</div><div style="font-size:13px;"><span style="font-size:16px;">Generalmente, en la conservación de productos lácteos, la temperatura de estos debe ser de 4°C (40°F); por lo que la temperatura de evaporación es menor que la del producto, digamos -2°C (28°F).</span></div><div style="font-size:13px;">&nbsp;</div><div style="font-size:13px;"><span style="font-size:16px;">Tal como se mencionó anteriormente, la temperatura del líquido a la entrada de la válvula, se determina midiendo directamente en la tubería con un termómetro. Si el sistema no está operando y no hay manera de medir la temperatura directamente, podemos estimarla a partir de los datos de diseño, es decir, si la temperatura de condensación es de 35°C, el líquido llegará a la válvula a una temperatura menor, dependiendo de la caída de presión que haya en la línea de líquido. Digamos que para este ejemplo la temperatura es de 32°C (90°F).</span></div><div style="font-size:13px;">&nbsp;</div><div style="font-size:13px;"><span style="font-size:16px;">Para determinar la caída de presión a través de la válvula, tomamos como referencia las presiones de descarga y de succión medidas en el compresor. Digamos que éstas son de 115 y 20 psig, respectivamente. Refiriéndonos a la&nbsp;<em>figura 6.42</em>, podemos determinar las caídas de presión en la línea de líquido y en la línea de succión. Existen tablas donde viene la longitud equivalente para conexiones, válvulas y accesorios. Deben considerarse, además, las pérdidas por fricción en el condensador, el evaporador y las tuberías. Para este ejemplo, digamos que la caída de presión en la línea de líquido es de 10 psi, por lo que la presión del refrigerante a la entrada de la válvula, es de 115 10 = 105 psi. Haciendo las mismas consideraciones en la línea de succión, la caída de presión a través del evaporador, del filtro de succión y por la tubería, es de 5 psi; por lo que la presión a la salida de la válvula es 20 + 5 = 25 psig. La caída de presión a través de la válvula es de 105 25 = 80 psig.</span></div><div style="font-size:13px;">&nbsp;</div><div style="font-size:13px;"><span style="font-size:16px;">En la&nbsp;<em>figura 6.43&nbsp;</em>se muestra un segmento de la carta de capacidad extendida para R-134a, tomado del catálogo de Valycontrol, S.A. de C.V.</span></div></div></div>
</div><div data-element-id="elm_Mw4P8QFumEM4EMcLXVPBRw" data-element-type="image" class="zpelement zpelem-image "><style> @media (min-width: 992px) { [data-element-id="elm_Mw4P8QFumEM4EMcLXVPBRw"] .zpimage-container figure img { width: 800px !important ; height: 295px !important ; } } @media (max-width: 991px) and (min-width: 768px) { [data-element-id="elm_Mw4P8QFumEM4EMcLXVPBRw"] .zpimage-container figure img { width:800px ; height:295px ; } } @media (max-width: 767px) { [data-element-id="elm_Mw4P8QFumEM4EMcLXVPBRw"] .zpimage-container figure img { width:800px ; height:295px ; } } [data-element-id="elm_Mw4P8QFumEM4EMcLXVPBRw"].zpelem-image { border-radius:1px; } </style><div data-caption-color="" data-size-tablet="" data-size-mobile="" data-align="center" data-tablet-image-separate="false" data-mobile-image-separate="false" class="zpimage-container zpimage-align-center zpimage-size-original zpimage-tablet-fallback-original zpimage-mobile-fallback-original hb-lightbox " data-lightbox-options="
                type:fullscreen,
                theme:dark"><figure role="none" class="zpimage-data-ref"><a class="zpimage-anchor" style="cursor:pointer;" href="javascript:;"><picture><img class="zpimage zpimage-style-none zpimage-space-none " src='https://cdn1.zohoecommerce.com/images/Blog-imagenes/Filtros-Deshidratadores/figura-6-43.jpg?storefront_domain=www.climasmonterrey.com' width="800" height="295" loading="lazy" size="original" alt="" data-lightbox="true"/></picture></a></figure></div>
</div><div data-element-id="elm_HE6lcM6SfRr5mpSvGv0wbA" data-element-type="text" class="zpelement zpelem-text "><style> [data-element-id="elm_HE6lcM6SfRr5mpSvGv0wbA"].zpelem-text{ border-radius:1px; } </style><div class="zptext zptext-align-left " data-editor="true"><p><span style="color:inherit;"><span style="font-size:16px;">El siguiente paso es seleccionar la válvula. Primero, entramos con la temperatura de evaporación, que en nuestro caso, es de -2°C (28°F). Como este valor cae entre las columnas de 40° y 20°F, interpolamos a un valor intermedio. Enseguida, como la caída de presión a través de la válvula es de 80 psi y la capacidad del sistema es de 2.5 TR, tomamos los valores en la columna de 80, donde cruzan con la capacidad nominal de 2.5 TR, correspondiente al modelo HF 2-1/2 M. En la columna de 40°F, tenemos un valor de 2.74 y en la de 20°F un valor de 2.62. El valor promedio entre estos dos es de 2.68 TR, lo que nos indica que la selección es adecuada, ya que el valor resultante debe ser igual o ligeramente mayor que el tonelaje del sistema. Pero además, hay que corregir este valor, utilizando los factores de la&nbsp;</span><em style="font-size:16px;">tabla 6.44</em><span style="font-size:16px;">, ya que la temperatura del líquido es menor de 37.8°C (100°F). La temperatura del líquido a la entrada de la válvula para este ejemplo es de 32°C (90°F); por lo que el factor de corrección en la&nbsp;</span><em style="font-size:16px;">tabla 6.44</em><span style="font-size:16px;">, es el correspondiente a la intercepción de R-134a y 90°F, o sea, 1.07.</span></span><br></p></div>
</div><div data-element-id="elm_045OCBvNGzvghk5Av2rJFA" data-element-type="image" class="zpelement zpelem-image "><style> @media (min-width: 992px) { [data-element-id="elm_045OCBvNGzvghk5Av2rJFA"] .zpimage-container figure img { width: 600px !important ; height: 144px !important ; } } @media (max-width: 991px) and (min-width: 768px) { [data-element-id="elm_045OCBvNGzvghk5Av2rJFA"] .zpimage-container figure img { width:600px ; height:144px ; } } @media (max-width: 767px) { [data-element-id="elm_045OCBvNGzvghk5Av2rJFA"] .zpimage-container figure img { width:600px ; height:144px ; } } [data-element-id="elm_045OCBvNGzvghk5Av2rJFA"].zpelem-image { border-radius:1px; } </style><div data-caption-color="" data-size-tablet="" data-size-mobile="" data-align="center" data-tablet-image-separate="false" data-mobile-image-separate="false" class="zpimage-container zpimage-align-center zpimage-size-original zpimage-tablet-fallback-original zpimage-mobile-fallback-original hb-lightbox " data-lightbox-options="
                type:fullscreen,
                theme:dark"><figure role="none" class="zpimage-data-ref"><a class="zpimage-anchor" style="cursor:pointer;" href="javascript:;"><picture><img class="zpimage zpimage-style-none zpimage-space-none " src='https://cdn1.zohoecommerce.com/images/Blog-imagenes/Filtros-Deshidratadores/figura-6-44.jpg?storefront_domain=www.climasmonterrey.com' width="600" height="144" loading="lazy" size="original" alt="" data-lightbox="true"/></picture></a></figure></div>
</div><div data-element-id="elm_ngUKs2-vD74WOjhpq6H7KA" data-element-type="text" class="zpelement zpelem-text "><style> [data-element-id="elm_ngUKs2-vD74WOjhpq6H7KA"].zpelem-text{ border-radius:1px; } </style><div class="zptext zptext-align-left " data-editor="true"><div style="color:inherit;"><div style="font-size:13px;"><span style="font-size:16px;">La capacidad real de la válvula de expansión seleccionada, una vez instalada en nuestro sistema, será de: 2.68 x 1.07 = 2.86 TR.</span></div><div style="font-size:13px;">&nbsp;</div><div style="font-size:13px;"><span style="font-size:16px;">Ejemplo 2 Se tienen los siguientes datos: Refrigerante del sistema = R-502 (baja temperatura). Capacidad del evaporador = 12 TR (36,288 kcal/h). Temperatura de evaporación = -25°C (-13°F). Temperatura de condensación = 49°C (120°F). Caída de presión en tuberías, conexiones y accesorios = 10 psi.</span></div><div style="font-size:13px;">&nbsp;</div><div style="font-size:13px;"><span style="font-size:16px;">Para el R-502 a una temperatura de condensación de 49°C (120°F), corresponde una presión de 283 psig, y a una temperatura de evaporación de -25°C (-13°F), corresponde una presión de 20 psig. La presión de condensación, menos la presión de evaporación es 283 20 = 263 psi. A este valor se le resta la caída de presión en las líneas, y tenemos que la caída de presión a través de la válvula es de 263 10 = 253.</span></div><div style="font-size:13px;">&nbsp;</div><div style="font-size:13px;"><span style="font-size:16px;">Con estos datos, nos vamos a las cartas de capacidad extendida en el catálogo, y vemos que para R-502, la válvula que anda en el rango de 12 TR, es el modelo TRAE12R. Nuevamente, como la temperatura de evaporación cae en un valor intermedio de los que vienen en la carta, interpolamos entre las temperaturas de -10° y -20°F, entrando con una caída de presión de 250 psi. Los valores de la tabla son 15.7 TR a -10°F y 13.1 TR a -20°F, por lo que el valor interpolado es de 14.19 TR. Como la temperatura del líquido es diferente a los 100°F, tenemos que hacer la corrección correspondiente. De la tabla de factores de corrección, vemos que a 43°C (110°F) para R-502, es 0.91; por lo que la capacidad real de la válvula será 14.9 x 0.91 = 13.5 TR. En este ejemplo, la caída de presión de 10 psi, es la diferencia entre la presión de la línea de líquido y la de la línea de succión, por lo que simplemente se resta de la diferencia entre las presiones de descarga y de succión.</span></div><div style="font-size:13px;">&nbsp;</div><div style="font-size:13px;"><span style="font-size:16px;">El factor de corrección se selecciona a la temperatura de 43°C, y no a la de condensación (49°C), ya que se considera que hay una caída de temperatura entre la descarga del compresor y la entrada a la válvula de termo expansión. También, está válvula deberá ser con igualador externo debido a la caída de presión en el evaporador. La conexión es soldable.</span></div><div style="font-size:13px;">&nbsp;</div><div style="font-size:13px;"><span style="font-size:16px;">Ejemplo 3 Se tienen los siguientes datos: Refrigerante = R-22 (sistema de aire acondicionado). Capacidad del evaporador = 7.5 TR (22,680 kcal/h). Temperatura de evaporación = 5°C (41°F). Temperatura de condensación = 35°C (95°F). Caída de presión en tuberías, conexiones y accesorios = 12 psi.</span></div><div style="font-size:13px;">&nbsp;</div><div style="font-size:13px;"><span style="font-size:16px;">Para el R-22 a una temperatura de 5°C, corresponde una presión de 70 psig, y a 35°C, corresponde una presión de 182 psig. La diferencia entre estas presiones es de 182 70 = 112 psi. Si restamos a este valor la caída de presión en tuberías, conexiones y accesorios, tenemos que la caída de presión a través de la válvula es de 112 12 = 100 psi.</span></div><div style="font-size:13px;">&nbsp;</div><div style="font-size:13px;"><span style="font-size:16px;">De la carta de capacidad extendida en el catálogo, tenemos que el modelo seleccionado es la válvula TCL7-1/2H, la cual a una temperatura de evaporación de 40°F da un valor de 7.4 TR. Nuevamente, tenemos que corregir este valor, ya que la temperatura del líquido entra a menos de 100°F. De la tabla de factores de corrección a 90°F, el factor es 1.06, por lo que la capacidad real de la válvula seleccionada a las condiciones de operación, es de 7.4 x 1.06 = 7.84 TR.</span></div></div></div>
</div></div></div></div></div></div> ]]></content:encoded><pubDate>Tue, 12 Sep 2023 09:38:33 -0600</pubDate></item><item><title><![CDATA[¿Cuáles son las Válvulas de T.E. de Puerto Balanceado?]]></title><link>https://www.climasmonterrey.com/blogs/post/cuales-son-las-valvulas-de-termo-expansion-de-puerto-balanceado</link><description><![CDATA[Vimos en el tema de &quot;Fluctuación&quot; , que el patrón de flujo de una válvula de termo expansión de un sólo puerto, puede causar dificultades en ]]></description><content:encoded><![CDATA[
<div class="zpcontent-container blogpost-container "><div data-element-id="elm_Az1g2GsHRGWvR-Ap3wPHMA" data-element-type="section" class="zpsection "><style type="text/css"></style><div class="zpcontainer"><div data-element-id="elm_rNZ1OmppT2CDip6wN4QfHw" data-element-type="row" class="zprow zpalign-items- zpjustify-content- "><style type="text/css"></style><div data-element-id="elm_eFcxxRksTGGtd6FmQIRKrg" data-element-type="column" class="zpelem-col zpcol-12 zpcol-md-12 zpcol-sm-12 zpalign-self- "><style type="text/css"></style><div data-element-id="elm_MfDNwZ5S0CCI0DtDMTw7Qg" data-element-type="heading" class="zpelement zpelem-heading "><style> [data-element-id="elm_MfDNwZ5S0CCI0DtDMTw7Qg"].zpelem-heading { border-radius:1px; } </style><h2
 class="zpheading zpheading-style-none zpheading-align-left " data-editor="true"><span style="color:inherit;"><span style="font-weight:600;font-size:13px;"><span style="font-size:20px;">Válvulas de Termo Expansión de Puerto Balanceado</span></span></span></h2></div>
<div data-element-id="elm_3j7EHqLFzM8v_drpOyQ9AQ" data-element-type="imagetext" class="zpelement zpelem-imagetext "><style> @media (min-width: 992px) { [data-element-id="elm_3j7EHqLFzM8v_drpOyQ9AQ"] .zpimagetext-container figure img { width: 400px !important ; height: 423px !important ; } } @media (max-width: 991px) and (min-width: 768px) { [data-element-id="elm_3j7EHqLFzM8v_drpOyQ9AQ"] .zpimagetext-container figure img { width:400px ; height:423px ; } } @media (max-width: 767px) { [data-element-id="elm_3j7EHqLFzM8v_drpOyQ9AQ"] .zpimagetext-container figure img { width:400px ; height:423px ; } } [data-element-id="elm_3j7EHqLFzM8v_drpOyQ9AQ"].zpelem-imagetext{ border-radius:1px; } </style><div data-size-tablet="" data-size-mobile="" data-align="left" data-tablet-image-separate="false" data-mobile-image-separate="false" class="zpimagetext-container zpimage-with-text-container zpimage-align-left zpimage-size-original zpimage-tablet-fallback-original zpimage-mobile-fallback-original hb-lightbox " data-lightbox-options="
            type:fullscreen,
            theme:dark"><figure role="none" class="zpimage-data-ref"><a class="zpimage-anchor" style="cursor:pointer;" href="javascript:;"><picture><img class="zpimage zpimage-style-none zpimage-space-none " src="https://cdn1.zohoecommerce.com/figura-6-11.jpg?storefront_domain=www.climasmonterrey.com" width="400" height="423" loading="lazy" size="original" alt="" data-lightbox="true"/></picture></a></figure><div class="zpimage-text zpimage-text-align-left " data-editor="true"><div style="color:inherit;"><div style="font-size:13px;"><span style="font-size:16px;">Vimos en el tema de &quot;Fluctuación&quot; , que el patrón de flujo de una válvula de termo expansión de un sólo puerto, puede causar dificultades en condiciones de baja carga. Mientras más grande el área del puerto (tonelajes más grandes), más propensa está la válvula a fluctuar u oscilar.</span></div><div style="font-size:13px;">&nbsp;</div><div style="font-size:13px;"><span style="font-size:16px;">En años pasados, cuando la energía no era tan costosa, los técnicos en refrigeración especulaban con sus sistemas. Con frecuencia, las temperaturas de condensación andaban cerca de los 40°C y utilizaban mucha más energía; pero lo que hacían era derramar más agua sobre el condensador, para compensar por el amplio rango de condiciones ambientales cambiantes, y todos se sentían satisfechos con los resultados.</span></div><div style="font-size:13px;">&nbsp;</div><div style="font-size:13px;"><span style="font-size:16px;">Pero los tiempos cambian. Muchos de los sistemas en la actualidad emplean temperaturas de condensación bases en el rango de 16° a 21°C. Son más eficientes, proporcionan mayor capacidad y duran más. Pero también pueden desbalancearse con mayor facilidad, cambiando el sobre-calentamiento, la capacidad y la eficiencia, y quizás aún, inundando el compresor.</span></div><div style="font-size:13px;">&nbsp;</div><div style="font-size:13px;"><span style="font-size:16px;">Una solución útil al problema del desbalance, es una idea que surgió hace más de 30 años: las válvulas de puerto balanceado (algunas veces llamadas: &quot;válvulas de doble puerto&quot;). En efecto, las válvulas de puerto balanceado &quot;balancean&quot; el sistema, operando a un sobrecalentamiento constante, sobre un rango muy amplio de presión hidrostática y de variaciones de carga.</span></div></div></div>
</div></div><div data-element-id="elm_-5bjrbRjUlllvThpJ200Mg" data-element-type="imagetext" class="zpelement zpelem-imagetext "><style> @media (min-width: 992px) { [data-element-id="elm_-5bjrbRjUlllvThpJ200Mg"] .zpimagetext-container figure img { width: 400px !important ; height: 434px !important ; } } @media (max-width: 991px) and (min-width: 768px) { [data-element-id="elm_-5bjrbRjUlllvThpJ200Mg"] .zpimagetext-container figure img { width:400px ; height:434px ; } } @media (max-width: 767px) { [data-element-id="elm_-5bjrbRjUlllvThpJ200Mg"] .zpimagetext-container figure img { width:400px ; height:434px ; } } [data-element-id="elm_-5bjrbRjUlllvThpJ200Mg"].zpelem-imagetext{ border-radius:1px; } </style><div data-size-tablet="" data-size-mobile="" data-align="right" data-tablet-image-separate="false" data-mobile-image-separate="false" class="zpimagetext-container zpimage-with-text-container zpimage-align-right zpimage-size-original zpimage-tablet-fallback-original zpimage-mobile-fallback-original hb-lightbox " data-lightbox-options="
            type:fullscreen,
            theme:dark"><figure role="none" class="zpimage-data-ref"><a class="zpimage-anchor" style="cursor:pointer;" href="javascript:;"><picture><img class="zpimage zpimage-style-none zpimage-space-none " src="https://cdn1.zohoecommerce.com/images/Blog-imagenes/Filtros-Deshidratadores/figura-6-40.jpg?storefront_domain=www.climasmonterrey.com" width="400" height="434" loading="lazy" size="original" alt="" data-lightbox="true"/></picture></a></figure><div class="zpimage-text zpimage-text-align-left " data-editor="true"><div style="color:inherit;"><div style="font-size:13px;"><span style="font-size:16px;">En una válvula de termo expansión convencional, como la de la&nbsp;<em>figura 6.11</em>, con la dirección del flujo de tal forma que la presión de entrada está aplicada debajo de la aguja, al aumentar la presión, la válvula tiende a moverse en la dirección de abrir. Inversamente, cuando la presión de entrada baja, la válvula tiende a moverse en la dirección de cerrar. Este cambio en la posición de la aguja de la válvula, con un cambio en la presión de entrada, se conoce como desbalance. El resultado, una operación errática y una variación en el ajuste original del sobrecalentamiento. El mismo fenómeno ocurre cuando la presión de salida (evaporador) varía al cambiar las condiciones de carga, con los mismos resultados.</span></div><div style="font-size:13px;">&nbsp;</div><div style="font-size:13px;"><span style="font-size:16px;">La diferencia en construcción de los dos tipos de válvulas hace toda la diferencia. En la válvula de puerto balanceado, como la mostrada en la&nbsp;<em>figura 6.40</em>, una pequeña flecha conecta la aguja de la válvula a la varilla ajustada arriba de la línea de apertura. Esta área es igual al área efectiva del puerto.</span></div></div></div>
</div></div><div data-element-id="elm_CeANDMRYtmIpKTYHv4xZvQ" data-element-type="imagetext" class="zpelement zpelem-imagetext "><style> @media (min-width: 992px) { [data-element-id="elm_CeANDMRYtmIpKTYHv4xZvQ"] .zpimagetext-container figure img { width: 400px !important ; height: 391px !important ; } } @media (max-width: 991px) and (min-width: 768px) { [data-element-id="elm_CeANDMRYtmIpKTYHv4xZvQ"] .zpimagetext-container figure img { width:400px ; height:391px ; } } @media (max-width: 767px) { [data-element-id="elm_CeANDMRYtmIpKTYHv4xZvQ"] .zpimagetext-container figure img { width:400px ; height:391px ; } } [data-element-id="elm_CeANDMRYtmIpKTYHv4xZvQ"].zpelem-imagetext{ border-radius:1px; } </style><div data-size-tablet="" data-size-mobile="" data-align="left" data-tablet-image-separate="false" data-mobile-image-separate="false" class="zpimagetext-container zpimage-with-text-container zpimage-align-left zpimage-size-original zpimage-tablet-fallback-original zpimage-mobile-fallback-original hb-lightbox " data-lightbox-options="
            type:fullscreen,
            theme:dark"><figure role="none" class="zpimage-data-ref"><a class="zpimage-anchor" style="cursor:pointer;" href="javascript:;"><picture><img class="zpimage zpimage-style-none zpimage-space-none " src="https://cdn1.zohoecommerce.com/images/Blog-imagenes/Filtros-Deshidratadores/figura-6-41.jpg?storefront_domain=www.climasmonterrey.com" width="400" height="391" loading="lazy" size="original" alt="" data-lightbox="true"/></picture></a></figure><div class="zpimage-text zpimage-text-align-left " data-editor="true"><div style="color:inherit;"><div style="font-size:13px;"><span style="font-size:16px;">Cuando se aplica una presión aumentada, ésta empuja sobre las dos, la aguja y la varilla. Debido a que está actuando sobre dos áreas iguales, pero en direcciones opuestas, el cambio de presión se cancela y la válvula permanece en su posición moduladora original.</span></div><div style="font-size:13px;">&nbsp;&nbsp;&nbsp;&nbsp;&nbsp;</div><div style="font-size:13px;"><span style="font-size:16px;">La válvula está diseñada de tal manera que crea un &quot;contra-flujo&quot; en contra las válvulas, y por lo tanto, elimina cualquier desequilibro a través de los dos puertos. Ver&nbsp;<em>figura 6.41</em>.</span></div><div style="font-size:13px;"><br></div><div style="font-size:13px;"><div style="color:inherit;"><div><span style="font-size:16px;">El flujo a través del puerto superior, entra en los orificios radiales superiores de la caja del ensamble del asiento, se mueve hacia arriba a través del asiento superior, luego hacia abajo, a través del pasaje interno del carrete, y sale de los orificios que se encuentran en la parte inferior del carrete. La caída de presión a través de este puerto, ejerce una fuerza en la dirección de cerrar (hacia arriba).</span></div><div>&nbsp;</div><div><span style="font-size:16px;">El flujo a través del puerto inferior, entra en los orificios radiales inferiores de la caja del ensamble del asiento y se mueve hacia abajo, a través del puerto formado por el asiento de la caja y el carrete de la válvula. El líquido a alta&nbsp;presión actúa hacia abajo sobre el carrete y la caída de presión a través del carrete, y el asiento ejerce una fuerza en dirección de abrir.&nbsp;</span></div><div>&nbsp;</div><div><span style="font-size:16px;">Puesto que el área de puerto efectiva, tanto de los puertos de la caja superior e inferior, es casi la misma, la fuerza neta desbalanceada a través de estos es insignificante. Esta característica hace posible que las nuevas cajas de ensamble de doble puerto, modulen sobre un rango de cargas mucho más amplio de lo que era posible con el estilo tradicional de válvulas de un solo puerto. Las válvulas de flujo reversible, proporcionan un control satisfactorio a cargas menores del 15% de la capacidad nominal de la válvula. Su funcionamiento es superior a cualquier producto competitivo disponible. El funcionamiento real en el campo, ha demostrado la superioridad de las válvula s de termo expansión de doble puerto, así como su habilidad para reducir la fluctuación a un mínimo.</span></div><div>&nbsp;</div><div><span style="font-size:16px;">Parecería entonces, que una válvula de termo expansión de puerto balanceado es el &quot;cura todo&quot; del sistema. Pero, aunque las válvula de termo expansión permitirían que un sistema opere en un rango ligeramente más amplio de presión hidrostática y condiciones de carga, deberán seleccionarse adecuadamente, para asegurar un funcionamiento adecuado del sistema.</span></div><div>&nbsp;</div><div><span style="font-size:16px;">Normalmente, una válvula de termo expansión con la conexión adecuada, trabajará bien en el sistema para el cual fue diseñada. Cuando se selecciona el tamaño adecuado, esta mantendrá operando el sistema a una eficiencia alta, con buena economía.</span></div></div></div></div></div>
</div></div></div></div></div></div></div> ]]></content:encoded><pubDate>Tue, 12 Sep 2023 09:37:08 -0600</pubDate></item><item><title><![CDATA[¿Cuáles son los Tipos de Cargas del Bulbo Remoto?]]></title><link>https://www.climasmonterrey.com/blogs/post/cuales-son-los-tipos-de-cargas-del-bulbo-remoto</link><description><![CDATA[Habrá ocasiones en que el técnico de servicio en refrigeración, tenga que enfrentarse a situaciones donde la válvula de termo expansión no opere adecu ]]></description><content:encoded><![CDATA[
<div class="zpcontent-container blogpost-container "><div data-element-id="elm_tLvArKAVTgixnlGZV7GKgg" data-element-type="section" class="zpsection "><style type="text/css"></style><div class="zpcontainer"><div data-element-id="elm_9fqBZEG2TYamsg81THhr-w" data-element-type="row" class="zprow zpalign-items- zpjustify-content- "><style type="text/css"></style><div data-element-id="elm_FW5N4TyfRAycHLfgtLs5sQ" data-element-type="column" class="zpelem-col zpcol-12 zpcol-md-12 zpcol-sm-12 zpalign-self- "><style type="text/css"></style><div data-element-id="elm_buiCkE0EJM8nivN2rOSD3g" data-element-type="heading" class="zpelement zpelem-heading "><style> [data-element-id="elm_buiCkE0EJM8nivN2rOSD3g"].zpelem-heading { border-radius:1px; } </style><h2
 class="zpheading zpheading-style-none zpheading-align-left " data-editor="true"><span style="color:inherit;"><span style="font-weight:600;font-size:20px;">Tipos de Cargas del Bulbo Remoto</span></span></h2></div>
<div data-element-id="elm_Gc3ib9lgFG8zwlhe-KCYSw" data-element-type="text" class="zpelement zpelem-text "><style> [data-element-id="elm_Gc3ib9lgFG8zwlhe-KCYSw"].zpelem-text{ border-radius:1px; } </style><div class="zptext zptext-align-left " data-editor="true"><div style="color:inherit;"><p style="margin-bottom:10px;font-size:13px;"><span style="font-size:16px;">Habrá ocasiones en que el técnico de servicio en refrigeración, tenga que enfrentarse a situaciones donde la válvula de termo expansión no opere adecuadamente porque haya sido mal seleccionada, y haya que reemplazarla por el modelo correcto. ¿Cómo se debe proceder? Es de primordial importancia que los técnicos sepan escoger el reemplazo correcto, y un punto importante, es el tipo de carga del bulbo. Para esto, es necesario estar familiarizado con los diferentes tipos de cargas en el elemento de poder. (El elemento de poder consta de: el bulbo, el tubo capilar y la parte superior del diafragma).&nbsp;</span></p><p style="margin-bottom:10px;font-size:13px;"><span style="font-size:16px;">Como se mencionó anteriormente, la función principal de una válvula de termo expansión, es controlar el sobrecalentamiento del gas refrigerante a la salida del evaporador. Pero hay varios tipos de válvulas y varios tipos de cargas, cada una con su propio uso específico. Entender la carga del elemento de poder y cómo afecta la presión en el diafragma, es básico para un buen servicio. Existen varios tipos básicos de cargas de uso común en la actualidad, las cuales pueden resumirse en cuatro tipos generales:</span></p><p style="margin-bottom:10px;font-size:13px;"><span style="font-size:16px;"><span style="font-weight:600;">1. La Carga Líquida</span>. Aquí, el elemento de poder está cargado con el mismo tipo de refrigerante que contiene el sistema donde se está usando la válvula.</span></p><p style="margin-bottom:10px;font-size:13px;"><span style="font-size:16px;"><span style="font-weight:600;">2. La Carga Gaseosa</span>. Es una carga líquida limitada. El elemento de poder contiene el mismo tipo de refrigerante que el sistema, pero en una cantidad menor que la carga líquida.</span></p><p style="margin-bottom:10px;font-size:13px;"><span style="font-size:16px;"><span style="font-weight:600;">3. La Carga Cruzada</span>. El elemento de poder está cargado con un refrigerante diferente al que contiene el sistema donde está instalada la válvula. Puede ser líquida o gaseosa.</span></p><p style="margin-bottom:10px;font-size:13px;"><span style="font-size:16px;"><span style="font-weight:600;">4. La Carga de Adsorción</span>. El elemento de poder contiene una carga cruzada gaseosa, y además, se utiliza algún tipo de adsorbente.</span></p></div></div>
</div><div data-element-id="elm_wlVv0xeepBg12pDYNegtXw" data-element-type="heading" class="zpelement zpelem-heading "><style> [data-element-id="elm_wlVv0xeepBg12pDYNegtXw"].zpelem-heading { border-radius:1px; } </style><h2
 class="zpheading zpheading-style-none zpheading-align-left " data-editor="true"><span style="color:inherit;"><span style="font-weight:600;font-size:20px;">La Carga Líquida</span></span></h2></div>
<div data-element-id="elm_pLL5fgmf6LDENmHN2V7kDA" data-element-type="imagetext" class="zpelement zpelem-imagetext "><style> @media (min-width: 992px) { [data-element-id="elm_pLL5fgmf6LDENmHN2V7kDA"] .zpimagetext-container figure img { width: 353px !important ; height: 427.13px !important ; } } @media (max-width: 991px) and (min-width: 768px) { [data-element-id="elm_pLL5fgmf6LDENmHN2V7kDA"] .zpimagetext-container figure img { width:353px ; height:427.13px ; } } @media (max-width: 767px) { [data-element-id="elm_pLL5fgmf6LDENmHN2V7kDA"] .zpimagetext-container figure img { width:353px ; height:427.13px ; } } [data-element-id="elm_pLL5fgmf6LDENmHN2V7kDA"].zpelem-imagetext{ border-radius:1px; } </style><div data-size-tablet="" data-size-mobile="" data-align="left" data-tablet-image-separate="false" data-mobile-image-separate="false" class="zpimagetext-container zpimage-with-text-container zpimage-align-left zpimage-size-custom zpimage-tablet-fallback-custom zpimage-mobile-fallback-custom hb-lightbox " data-lightbox-options="
            type:fullscreen,
            theme:dark"><figure role="none" class="zpimage-data-ref"><a class="zpimage-anchor" style="cursor:pointer;" href="javascript:;"><picture><img class="zpimage zpimage-style-none zpimage-space-none " src="https://cdn1.zohoecommerce.com/images/Blog-imagenes/Filtros-Deshidratadores/figura-6-30.jpg?storefront_domain=www.climasmonterrey.com" width="353" height="427.13" loading="lazy" size="custom" alt="" data-lightbox="true"/></picture></a></figure><div class="zpimage-text zpimage-text-align-left " data-editor="true"><p><span style="color:inherit;"><span style="font-size:16px;">En este tipo de carga, el elemento de poder contiene el mismo refrigerante que el sistema en el cual se está usando la válvula. Cuando se fabrica la válvula, el refrigerante se introduce al bulbo en forma líquida. El bulbo debe tener un volumen interno mayor, que el volumen combinado de la cámara del diafragma y el tubo capilar. El elemento de poder con carga líquida convencional, ilustrado en la&nbsp;</span><em style="font-size:16px;">figura 6.30</em><span style="font-size:16px;">, incluye un bulbo de tamaño suficiente, que contiene bastante líquido para asegurar que el punto de control esté siempre en el bulbo. Con este tipo de carga, siempre habrá algo de refrigerante en forma líquida en el bulbo, independientemente de su temperatura y de que el capilar y la caja del diafragma estén llenos de líquido. Si esto no se da, y por alguna razón el bulbo se quedara sin líquido, sólo contendría vapor y cuando cambiara la temperatura, la presión de ese vapor cambiaría muy levemente. Sin líquido, el bulbo pierde control.</span></span><br></p><p><span style="color:inherit;"><span style="font-size:16px;"><br></span></span></p><p><span style="color:inherit;"><span style="font-size:16px;">Si la temperatura del capilar o de la caja del diafragma se vuelve más fría que la del bulbo, y algo de vapor se condensa en cualquiera de los dos, siempre habrá suficiente refrigerante líquido en el bulbo para asegurar el control en ese punto. De esta manera, la presión del elemento de poder es siempre la presión de saturación correspondiente a la temperatura del bulbo. Este factor es extremadamente importante en aplicaciones de baja temperatura.</span></span><span style="color:inherit;"><span style="font-size:16px;"><br></span></span></p></div>
</div></div><div data-element-id="elm_rHQQ5Pcb42x0Mx-uU3dRkg" data-element-type="imagetext" class="zpelement zpelem-imagetext "><style> @media (min-width: 992px) { [data-element-id="elm_rHQQ5Pcb42x0Mx-uU3dRkg"] .zpimagetext-container figure img { width: 400px !important ; height: 390px !important ; } } @media (max-width: 991px) and (min-width: 768px) { [data-element-id="elm_rHQQ5Pcb42x0Mx-uU3dRkg"] .zpimagetext-container figure img { width:400px ; height:390px ; } } @media (max-width: 767px) { [data-element-id="elm_rHQQ5Pcb42x0Mx-uU3dRkg"] .zpimagetext-container figure img { width:400px ; height:390px ; } } [data-element-id="elm_rHQQ5Pcb42x0Mx-uU3dRkg"].zpelem-imagetext{ border-radius:1px; } </style><div data-size-tablet="" data-size-mobile="" data-align="right" data-tablet-image-separate="false" data-mobile-image-separate="false" class="zpimagetext-container zpimage-with-text-container zpimage-align-right zpimage-size-original zpimage-tablet-fallback-original zpimage-mobile-fallback-original hb-lightbox " data-lightbox-options="
            type:fullscreen,
            theme:dark"><figure role="none" class="zpimage-data-ref"><a class="zpimage-anchor" style="cursor:pointer;" href="javascript:;"><picture><img class="zpimage zpimage-style-none zpimage-space-none " src="https://cdn1.zohoecommerce.com/images/Blog-imagenes/Filtros-Deshidratadores/figura-6-31.jpg?storefront_domain=www.climasmonterrey.com" width="400" height="390" loading="lazy" size="original" alt="" data-lightbox="true"/></picture></a></figure><div class="zpimage-text zpimage-text-align-left " data-editor="true"><div><p style="color:inherit;margin-bottom:10px;font-size:13px;"><span style="font-size:16px;">Si graficamos los valores de presión vs. la temperatura, puesto que el refrigerante es el mismo en el bulbo que en el evaporador, las curvas serían idénticas y quedarían una sobre otra, como se muestra en la<em>&nbsp;figura 6.31</em>. Estas curvas cuando se aplican a un sistema en operación, indican que siempre habrá una relación directa a través del diafragma en los cambios de presión del bulbo y los cambios de presión del evaporador. Cuando el compresor se detiene, la presión del evaporador sube inmediatamente, antes que la del bulbo y la válvula se cierra, puesto que la presión del evaporador vence a la presión del bulbo. Durante el ciclo de paro, cuando el evaporador y el bulbo tienen la misma temperatura, sus presiones también son iguales y entonces la fuerza del resorte cierra la válvula.</span></p><p style="color:inherit;margin-bottom:10px;font-size:13px;"><span style="font-size:16px;">Si debido a condiciones adversas del ambiente se eleva la temperatura del bulbo más que la del evaporador, hasta un punto donde se contrarresta la fuerza del resorte, la válvula abrirá y alimentará refrigerante al evaporador. Esto puede sobrecargar el compresor y causar una inundación al arranque.</span></p><p style="color:inherit;margin-bottom:10px;font-size:13px;"><span style="font-size:16px;">Cuando el compresor arranca, la presión de succión baja rápidamente, desbalanceado las presiones sobre el diafragma. La válvula abre bastante porque la presión del bulbo es alta, ya que no ha bajado la temperatura del gas de succión. El resultado es una condición que tiende a llenar el evaporador, antes que el bulbo se enfríe para regular la válvula y producir una temperatura de sobrecalentamiento al gas de succión. Frecuentemente ocurren regresos de líquido y posible daño al compresor. La sobrealimentación al arranque, también provoca una alta carga de presión al compresor. Las posibilidades de sobrecarga del motor y de una consecuente quemadura, son muy posibles .</span></p><p style="color:inherit;margin-bottom:10px;font-size:13px;"><span style="font-size:16px;">Las válvulas de termo expansión con cargas líquidas, se usan normalmente cuando prevalece en el evaporador un rango de temperatura extremadamente estrecho o limitado, una condición fuera del alcance de otras cargas de bulbo.</span></p><p style="color:inherit;margin-bottom:10px;font-size:13px;"><span style="font-size:16px;">Las cargas líquidas tienen ventajas y desventajas.</span></p><p style="color:inherit;margin-bottom:10px;font-size:13px;"><span style="font-size:16px;">Las ventajas son: obviamente que el control del flujo siempre estará en el bulbo, sin importar la ubicación o temperatura del cuerpo de la válvula y la caja del diafragma.</span></p><p style="margin-bottom:10px;"><span style="color:inherit;font-size:16px;">Las desventajas son: la válvula abre demasiado en el arranque, con las posibles consecuencias ya mencionadas; el sobrecalentamiento durante el arranque es bajo o nulo. Una ubicación inadecuada del bulbo, puede causar que la válvula abra durante el ciclo de paro; el sobrecalentamiento aumente a bajas temperaturas del evaporador y la presión de succión disminuya muy lentamente después del arranque. Las válvulas con carga líquida convencional no tiene características </span><span style="font-size:16px;">anti fluctuantes</span><span style="color:inherit;font-size:16px;">.</span></p></div></div>
</div></div><div data-element-id="elm_PTIIcPLndevAraSD5WOxyA" data-element-type="imageheadingtext" class="zpelement zpelem-imageheadingtext "><style> @media (min-width: 992px) { [data-element-id="elm_PTIIcPLndevAraSD5WOxyA"] .zpimageheadingtext-container figure img { width: 400px !important ; height: 390px !important ; } } @media (max-width: 991px) and (min-width: 768px) { [data-element-id="elm_PTIIcPLndevAraSD5WOxyA"] .zpimageheadingtext-container figure img { width:400px ; height:390px ; } } @media (max-width: 767px) { [data-element-id="elm_PTIIcPLndevAraSD5WOxyA"] .zpimageheadingtext-container figure img { width:400px ; height:390px ; } } [data-element-id="elm_PTIIcPLndevAraSD5WOxyA"].zpelem-imageheadingtext{ border-radius:1px; } </style><div data-size-tablet="" data-size-mobile="" data-align="left" data-tablet-image-separate="false" data-mobile-image-separate="false" class="zpimageheadingtext-container zpimage-with-text-container zpimage-align-left zpimage-size-original zpimage-tablet-fallback-original zpimage-mobile-fallback-original hb-lightbox " data-lightbox-options="
            type:fullscreen,
            theme:dark"><figure role="none" class="zpimage-data-ref"><a class="zpimage-anchor" style="cursor:pointer;" href="javascript:;"><picture><img class="zpimage zpimage-style-none zpimage-space-none " src='https://cdn1.zohoecommerce.com/images/Blog-imagenes/Filtros-Deshidratadores/figura-6-31.jpg?storefront_domain=www.climasmonterrey.com' data-src="/images/Blog-imagenes/Filtros-Deshidratadores/figura-6-31.jpg" width="400" height="390" loading="lazy" size="original" alt="" data-lightbox="true"/></picture></a></figure><div class="zpimage-headingtext-container"><h3 class="zpimage-heading zpimage-text-align-left" data-editor="true"><span style="color:inherit;"><span style="font-weight:600;font-size:13px;"><span style="font-size:20px;">La Carga Gaseosa</span></span></span></h3><div class="zpimage-text zpimage-text-align-left " data-editor="true"><div style="color:inherit;"><p style="margin-bottom:10px;font-size:13px;"><span style="font-size:16px;">En una válvula de termo expansión con carga gaseosa, el elemento de poder contiene el mismo tipo de refrigerante que el sistema donde se utiliza la válvula, sólo que la cantidad de líquido está limitada, de tal manera, que a cierta temperatura del bulbo remoto, la pequeña cantidad de líquido en su interior se habrá evaporado. Cuando esto sucede, toda la carga se convierte en un vapor saturado, y cualquier incremento posterior en la temperatura del bulbo lo convierte en un gas sobrecalentado y, puesto que un gas se comprime, la presión ejercida por éste se verá limitada.</span></p><p style="margin-bottom:10px;font-size:13px;"><span style="font-size:16px;">Por lo tanto, en una válvula con carga gaseosa, la presión máxima que puede desarrollarse sobre la parte superior del diafragma, está limitada por la cantidad de carga en el bulbo remoto.</span></p></div></div>
</div></div></div><div data-element-id="elm_-f0jvWj6wH3qG4LFY76ShQ" data-element-type="imagetext" class="zpelement zpelem-imagetext "><style> @media (min-width: 992px) { [data-element-id="elm_-f0jvWj6wH3qG4LFY76ShQ"] .zpimagetext-container figure img { width: 400px !important ; height: 367px !important ; } } @media (max-width: 991px) and (min-width: 768px) { [data-element-id="elm_-f0jvWj6wH3qG4LFY76ShQ"] .zpimagetext-container figure img { width:400px ; height:367px ; } } @media (max-width: 767px) { [data-element-id="elm_-f0jvWj6wH3qG4LFY76ShQ"] .zpimagetext-container figure img { width:400px ; height:367px ; } } [data-element-id="elm_-f0jvWj6wH3qG4LFY76ShQ"].zpelem-imagetext{ border-radius:1px; } </style><div data-size-tablet="" data-size-mobile="" data-align="right" data-tablet-image-separate="false" data-mobile-image-separate="false" class="zpimagetext-container zpimage-with-text-container zpimage-align-right zpimage-size-original zpimage-tablet-fallback-original zpimage-mobile-fallback-original hb-lightbox " data-lightbox-options="
            type:fullscreen,
            theme:dark"><figure role="none" class="zpimage-data-ref"><a class="zpimage-anchor" style="cursor:pointer;" href="javascript:;"><picture><img class="zpimage zpimage-style-none zpimage-space-none " src="https://cdn1.zohoecommerce.com/images/Blog-imagenes/Filtros-Deshidratadores/figura-6-32.jpg?storefront_domain=www.climasmonterrey.com" width="400" height="367" loading="lazy" size="original" alt="" data-lightbox="true"/></picture></a></figure><div class="zpimage-text zpimage-text-align-left " data-editor="true"><div style="color:inherit;"><p style="margin-bottom:10px;font-size:13px;"><span style="font-size:16px;">Mientras la temperatura del bulbo esté debajo del punto de evaporación completa, la presión sigue la curva de saturación igual que en la carga líquida (<em>figura 6.32</em>). Cuando la temperatura del bulbo alcanza ese punto, el líquido se evapora completamente. Más allá de ese punto, la temperatura del vapor aumenta y se sobrecalienta, limitando la presión ejercida por el bulbo. A esto se le conoce como efecto de Máxima Presión de Operación (MOP, por sus siglas en inglés). Cuando se fabrica la válvula, el punto donde la carga se evapora completamente, puede variar en cualquier lugar a lo largo de la curva de saturación. El punto MOP depende de cómo fue cargado inicialmente el bulbo, y dónde se va a utilizar la válvula.</span></p><p style="margin-bottom:10px;font-size:13px;"><span style="font-size:16px;">Durante el ciclo de trabajo normal, la temperatura del bulbo está por debajo del punto limitante, y hay algo de líquido en el bulbo. Por lo tanto, opera igual que un elemento con carga líquida convencional.</span></p></div></div>
</div></div><div data-element-id="elm_ZO-qgnpKtBthnxpZbtjqMg" data-element-type="imagetext" class="zpelement zpelem-imagetext "><style> @media (min-width: 992px) { [data-element-id="elm_ZO-qgnpKtBthnxpZbtjqMg"] .zpimagetext-container figure img { width: 400px !important ; height: 392px !important ; } } @media (max-width: 991px) and (min-width: 768px) { [data-element-id="elm_ZO-qgnpKtBthnxpZbtjqMg"] .zpimagetext-container figure img { width:400px ; height:392px ; } } @media (max-width: 767px) { [data-element-id="elm_ZO-qgnpKtBthnxpZbtjqMg"] .zpimagetext-container figure img { width:400px ; height:392px ; } } [data-element-id="elm_ZO-qgnpKtBthnxpZbtjqMg"].zpelem-imagetext{ border-radius:1px; } </style><div data-size-tablet="" data-size-mobile="" data-align="left" data-tablet-image-separate="false" data-mobile-image-separate="false" class="zpimagetext-container zpimage-with-text-container zpimage-align-left zpimage-size-original zpimage-tablet-fallback-original zpimage-mobile-fallback-original hb-lightbox " data-lightbox-options="
            type:fullscreen,
            theme:dark"><figure role="none" class="zpimage-data-ref"><a class="zpimage-anchor" style="cursor:pointer;" href="javascript:;"><picture><img class="zpimage zpimage-style-none zpimage-space-none " src="https://cdn1.zohoecommerce.com/images/Blog-imagenes/Filtros-Deshidratadores/figura-6-12.jpg?storefront_domain=www.climasmonterrey.com" width="400" height="392" loading="lazy" size="original" alt="" data-lightbox="true"/></picture></a></figure><div class="zpimage-text zpimage-text-align-left " data-editor="true"><div style="color:inherit;"><p style="margin-bottom:10px;font-size:13px;"><span style="font-size:16px;">De acuerdo a la relación de las presiones ejercidas en una válvula de termo expansión, P1 = P2 + P3 (ver&nbsp;<em>figura 6.12</em>), es fácil deducir que, si la presión ejercida por el bulbo (P1) se limita hasta un cierto nivel, y la presión del resorte (P3) permanece constante, entonces la presión del evaporador (P2) también se ve limitada. Si aumentan las presiones y temperaturas de operación del sistema, la presión del bulbo aumentará tan solo hasta ese punto limitante, y la válvula funcionará como una válvula de expansión de presión constante, manteniendo una presión fija en el evaporador. Si la presión del evaporador tiende a ir más allá de ese punto, las fuerzas que cierran y estrangulan la válvula se ven aumentadas. Por el contrario, si disminuye la presión del evaporador, la presión del bulbo excede las fuerzas que cierran y la válvula abre.</span></p><p style="margin-bottom:10px;font-size:13px;"><span style="font-size:16px;">Cuando a una válvula de termo expansión con carga gaseosa, se le fija el punto limitante muy cercano a la presión de operación del sistema, ésta actúa como una Máxima Presión de Operación, protegiendo al compresor de las altas presiones de succión. En otras palabras, la MOP es la habilidad de la válvula para disminuir el flujo o cerrar completamente, si la presión de succión se aproxima a un límite alto predeterminado, que pudiera representar un peligro para el compresor. En un compresor que usa el gas de la succión como enfriamiento, tal condición pudiera causarle un sobrecalentamiento. Una vez cerrada la válvula a causa de la MOP, el compresor continúa trabajando y tiene la oportunidad de disminuir el exceso de alta presión de succión, hasta llegar a condiciones de operación satisfactorias. En este punto (debajo de la MOP), la válvula reabrirá y alimentará de manera normal, o hasta el momento que haya una sobrecarga de nuevo.</span></p></div></div>
</div></div><div data-element-id="elm__AE26eN8YGCCzFoU59YW1Q" data-element-type="imagetext" class="zpelement zpelem-imagetext "><style> @media (min-width: 992px) { [data-element-id="elm__AE26eN8YGCCzFoU59YW1Q"] .zpimagetext-container figure img { width: 400px !important ; height: 273px !important ; } } @media (max-width: 991px) and (min-width: 768px) { [data-element-id="elm__AE26eN8YGCCzFoU59YW1Q"] .zpimagetext-container figure img { width:400px ; height:273px ; } } @media (max-width: 767px) { [data-element-id="elm__AE26eN8YGCCzFoU59YW1Q"] .zpimagetext-container figure img { width:400px ; height:273px ; } } [data-element-id="elm__AE26eN8YGCCzFoU59YW1Q"].zpelem-imagetext{ border-radius:1px; } </style><div data-size-tablet="" data-size-mobile="" data-align="center" data-tablet-image-separate="false" data-mobile-image-separate="false" class="zpimagetext-container zpimage-with-text-container zpimage-align-center zpimage-size-original zpimage-tablet-fallback-original zpimage-mobile-fallback-original hb-lightbox " data-lightbox-options="
            type:fullscreen,
            theme:dark"><figure role="none" class="zpimage-data-ref"><a class="zpimage-anchor" style="cursor:pointer;" href="javascript:;"><picture><img class="zpimage zpimage-style-none zpimage-space-none " src="https://cdn1.zohoecommerce.com/images/Blog-imagenes/Filtros-Deshidratadores/figura-6-33.jpg?storefront_domain=www.climasmonterrey.com" width="400" height="273" loading="lazy" size="original" alt="" data-lightbox="true"/></picture></a></figure><div class="zpimage-text zpimage-text-align-left " data-editor="true"><div style="color:inherit;"><p style="margin-bottom:10px;font-size:13px;"><span style="font-size:16px;">Hasta este punto, dentro del bulbo se tendrá vapor saturado a una temperatura de 20 °C, ejerciendo una presión de 116 psig sobre el diafragma, con lo que se equilibran las presiones a ambos lados de este último, pero la válvula permanece abierta. Si aumenta la presión dentro del evaporador, la temperatura del gas de succión sobrecalentará el gas dentro del bulbo, pero su presión no aumentará, por lo que la presión del evaporador debajo del diafragma es mayor y cierra la válvula. Cuando la presión del evaporador disminuye por debajo de su MOP de 100 psig, se forma nuevamente líquido en el bulbo, su presión es mayor que las presiones abajo del diafragma haciendo que abra la válvula y alimente más refrigerante hacia el evaporador.</span></p><p style="margin-bottom:10px;font-size:13px;"><span style="font-size:16px;">El punto limitante normalmente se fija arriba de la presión de operación de succión, y sirve primordialmente, como una característica para mantener cerrada la válvula durante los ciclos de paro. Al arrancar, la fuerza que cierra excede la presión del bulbo y se retarda la apertura de la válvula. Conforme el compresor succiona el gas refrigerante del evaporador, la presión de succión disminuye rápidamente, hasta que la fuerza que cierra es menor que la del bulbo. Entonces, abre la válvula y opera igual que la carga de líquido convencional. Este retardo en la apertura durante el arranque, reduce la posibilidad de inundación del compresor, y en algunos sistemas, proporciona inadvertidamente una protección positiva contra sobrecarga del motor.</span></p><p style="margin-bottom:10px;font-size:13px;"><span style="font-size:16px;">La Máxima Presión de Operación (MOP) de una válvula de termo expansión viene ajustada de fábrica, pero se puede variar de la misma manera que se varía el sobrecalentamiento; es decir, variando la presión del resorte (P3). Consulte la sección de Medición y Ajuste del Sobrecalentamiento.</span></p><p style="margin-bottom:10px;font-size:13px;"><span style="font-size:16px;">Puesto que en una válvula con carga gaseosa el contenido de líquido en el elemento de poder es muy limitado (hasta su MOP), la ubicación de la válvula es muy importante. Para mantener el control, el bulbo deberá instalarse siempre en un punto mas frío que el capilar y el cuerpo de la válvula. Es muy importante que el líquido permanezca en el bulbo. Según se muestra en la<em>&nbsp;figura 6.34</em>, si el capilar o la cabeza de la válvula están en contacto con una superficie más fría que el bulbo, el vapor se condensa en ese punto, haciendo que el bulbo pierda el control y que la válvula no funcione correctamente.</span></p></div></div>
</div></div><div data-element-id="elm_NZAjfK5oXYdIdvNR2NZJJg" data-element-type="imagetext" class="zpelement zpelem-imagetext "><style> @media (min-width: 992px) { [data-element-id="elm_NZAjfK5oXYdIdvNR2NZJJg"] .zpimagetext-container figure img { width: 400px !important ; height: 273px !important ; } } @media (max-width: 991px) and (min-width: 768px) { [data-element-id="elm_NZAjfK5oXYdIdvNR2NZJJg"] .zpimagetext-container figure img { width:400px ; height:273px ; } } @media (max-width: 767px) { [data-element-id="elm_NZAjfK5oXYdIdvNR2NZJJg"] .zpimagetext-container figure img { width:400px ; height:273px ; } } [data-element-id="elm_NZAjfK5oXYdIdvNR2NZJJg"].zpelem-imagetext{ border-radius:1px; } </style><div data-size-tablet="" data-size-mobile="" data-align="left" data-tablet-image-separate="false" data-mobile-image-separate="false" class="zpimagetext-container zpimage-with-text-container zpimage-align-left zpimage-size-original zpimage-tablet-fallback-original zpimage-mobile-fallback-original hb-lightbox " data-lightbox-options="
            type:fullscreen,
            theme:dark"><figure role="none" class="zpimage-data-ref"><a class="zpimage-anchor" style="cursor:pointer;" href="javascript:;"><picture><img class="zpimage zpimage-style-none zpimage-space-none " src="https://cdn1.zohoecommerce.com/figura-6-33.jpg?storefront_domain=www.climasmonterrey.com" width="400" height="273" loading="lazy" size="original" alt="" data-lightbox="true"/></picture></a></figure><div class="zpimage-text zpimage-text-align-left " data-editor="true"><div><p style="color:inherit;margin-bottom:10px;font-size:13px;"><span style="font-size:16px;">Las VTE con carga gaseosa pueden utilizarse casi en cualquier aplicación de refrigeración o aire acondicionado, y en cualquier rango de temperaturas. Pero en aplicaciones de baja temperatura y por lo ya expuesto anteriormente deberán tomarse las precauciones del caso. Aunque lo más recomendable es en aplicaciones en un rango de temperaturas de entre 0 y 10 °C, como en enfriadores de agua y equipos de aire acondicionado.</span></p><p style="color:inherit;margin-bottom:10px;font-size:13px;"><span style="font-size:16px;">Resumiendo las características de la válvula con carga gaseosa, encontramos que sus ventajas son:</span></p><p style="color:inherit;margin-bottom:10px;font-size:13px;"><span style="font-size:16px;">1. Mantiene la válvula firmemente cerrada durante los ciclos de paro.</span></p><p style="color:inherit;margin-bottom:10px;font-size:13px;"><span style="font-size:16px;">2. Hay un retardo en la apertura durante el arranque, lo que permite un rápido abatimiento de la presión:</span></p><p style="color:inherit;margin-bottom:10px;font-size:13px;"><span style="font-size:16px;">a) Protege al motor del compresor de las sobrecargas.</span></p><p style="color:inherit;margin-bottom:10px;font-size:13px;"><span style="font-size:16px;">b) Evita la inundación al arranque.</span></p><p style="color:inherit;margin-bottom:10px;font-size:13px;"><span style="font-size:16px;">3. Proporciona una Presión de Operación Máxima durante el ciclo de trabajo, para protección del motor del compresor contra las sobrecargas, algo así como una válvula de expansión de presión constante.</span></p><p style="margin-bottom:10px;"><span style="color:inherit;font-size:16px;">4. Tiene características </span><span style="font-size:16px;">anti fluctuantes</span><span style="color:inherit;font-size:16px;">, las cuales se explicarán más adelante.</span></p><p style="color:inherit;margin-bottom:10px;font-size:13px;"><span style="font-size:16px;">Su principal desventaja es que si la caja del diafragma o el capilar se enfrían más que el bulbo, la carga abandonará al bulbo y se perderá el control. Esta desventaja se agudiza en aplicaciones de baja temperatura y comerciales. Normalmente los sistemas de aire acondicionado y temperaturas similares, no son afectados.</span></p></div></div>
</div></div><div data-element-id="elm_xZbCv5jEzMkaX8HePwmpBQ" data-element-type="imageheadingtext" class="zpelement zpelem-imageheadingtext "><style> @media (min-width: 992px) { [data-element-id="elm_xZbCv5jEzMkaX8HePwmpBQ"] .zpimageheadingtext-container figure img { width: 400px !important ; height: 306px !important ; } } @media (max-width: 991px) and (min-width: 768px) { [data-element-id="elm_xZbCv5jEzMkaX8HePwmpBQ"] .zpimageheadingtext-container figure img { width:400px ; height:306px ; } } @media (max-width: 767px) { [data-element-id="elm_xZbCv5jEzMkaX8HePwmpBQ"] .zpimageheadingtext-container figure img { width:400px ; height:306px ; } } [data-element-id="elm_xZbCv5jEzMkaX8HePwmpBQ"].zpelem-imageheadingtext{ border-radius:1px; } </style><div data-size-tablet="" data-size-mobile="" data-align="left" data-tablet-image-separate="false" data-mobile-image-separate="false" class="zpimageheadingtext-container zpimage-with-text-container zpimage-align-left zpimage-size-original zpimage-tablet-fallback-original zpimage-mobile-fallback-original hb-lightbox " data-lightbox-options="
            type:fullscreen,
            theme:dark"><figure role="none" class="zpimage-data-ref"><a class="zpimage-anchor" style="cursor:pointer;" href="javascript:;"><picture><img class="zpimage zpimage-style-none zpimage-space-none " src='https://cdn1.zohoecommerce.com/images/Blog-imagenes/Filtros-Deshidratadores/figura-6-35.jpg?storefront_domain=www.climasmonterrey.com' data-src="/images/Blog-imagenes/Filtros-Deshidratadores/figura-6-35.jpg" width="400" height="306" loading="lazy" size="original" alt="" data-lightbox="true"/></picture></a></figure><div class="zpimage-headingtext-container"><h3 class="zpimage-heading zpimage-text-align-left" data-editor="true"><span style="color:inherit;"><span style="font-weight:600;font-size:13px;"><span style="font-size:20px;">La Carga Cruzada</span></span></span></h3><div class="zpimage-text zpimage-text-align-left " data-editor="true"><p><span style="color:inherit;"><span style="font-size:16px;">En las válvulas de termo expansión con carga cruzada, el elemento de poder está cargado con un líquido diferente al refrigerante que se está utilizando en el sistema. Este líquido puede ser un refrigerante o algún otro compuesto químico. En una válvula con carga cruzada, al graficar las curvas de saturación (presión-temperatura) del fluido del elemento de poder y del refrigerante que usa el sistema donde está instalada la válvula, estas curvas se cruzan, de allí el nombre de «Carga Cruzada» (ver&nbsp;</span><em style="font-size:16px;">figura 6.35</em><span style="font-size:16px;">). Una carga cruzada puede ser líquida o gaseosa.</span></span><br></p><p><br></p><div style="color:inherit;"><p style="margin-bottom:10px;font-size:13px;"><span style="font-size:16px;">Este tipo de cargas surgieron cuando se intentaba desarrollar una válvula que eliminara las fluctuaciones (ver sección de fluctuación). Al principio se pensó que si se diseñaba una válvula altamente sensible, esta respondería rápido a los cambios de presión y temperatura del gas de succión, proporcionando, por lo tanto, una mejor modulación. Pero este no fue el caso, de hecho, una válvula altamente sensible sólo agravó la condición de la fluctuación. Se intentó lo opuesto, es decir, diseñar una válvula que fuera menos sensible, y se encontró que se podían reducir o eliminar las fluctuaciones. En el desarrollo final, se encontró que una válvula menos sensible a los cambios de temperatura del bulbo, pero que responde a los cambios normales en la presión del evaporador, demostró ser la más práctica. Se tomó este principio y se aplicó para producir válvulas con características antifluctuantes.</span></p><p style="margin-bottom:10px;font-size:13px;"><span style="font-size:16px;">Cuando una válvula de termo expansión con carga cruzada se instala en un sistema, por las características de la válvula, este sistema arrancará cuando la presión de succión sea alta, y parará, cuando el compresor haya disminuido considerablemente la presión dentro del evaporador, llegando al punto a que está ajustado el control de baja presión.</span></p><p style="margin-bottom:10px;font-size:13px;"><span style="font-size:16px;">Después de esto, comenzará a subir la temperatura en el evaporador y en el bulbo, aumentando también sus respectivas presiones. Puesto que el fluido dentro del bulbo es diferente al refrigerante del sistema, la presión del evaporador aumenta más rápido que la del bulbo y la válvula se cierra. Al haber una alta presión de succión, se requiere un alto sobrecalentamiento para que la presión del bulbo pueda vencer la presión dentro del evaporador. Esta es una situación conveniente, ya que evita el regreso de líquido al compresor y ayuda a limitar la carga en el motor.</span></p><p style="margin-bottom:10px;font-size:13px;"><span style="font-size:16px;">Para ilustrar mejor el funcionamiento de una válvula de termo expansión con carga cruzada, supongamos un sistema que trabaja con R-134a, en el cual se instala una válvula con carga cruzada. Si graficamos las presiones y temperaturas de saturación para los dos fluidos, resultarán las curvas de saturación que se muestran en la figura 6.35. La curva «A», corresponde al R-134a y representa las condiciones dentro del evaporador. Es la fuerza que cierra la válvula. La curva punteada «B», corresponde al fluido del elemento de poder, el cual es un refrigerante diferente o algún otro compuesto químico. Como se puede ver en la gráfica, las curvas aproximadamente se cruzan a 6 °C. A temperaturas mayores, el fluido del bulbo tiene una presión de saturación más baja que la del R-134a; pero a temperaturas menores a ese punto, el fluido del bulbo puede desarrollar presiones más altas que el refrigerante dentro del evaporador.</span></p><p style="margin-bottom:10px;font-size:13px;"><span style="font-size:16px;">Por lo anterior, la válvula es menos sensible a los cambios de presión en el bulbo, que a los cambios de presión en el evaporador. Cuando hay una variación en la temperatura del bulbo, su presión varía menos de lo que variaría si estuviera cargado con el mismo refrigerante del sistema. Esto abate la fluctuación.</span></p><p style="margin-bottom:10px;font-size:13px;"><span style="font-size:16px;">Durante la operación, podremos notar que la presión disminuye hasta un punto donde las curvas están más cercanas. Esto significa que el sobrecalentamiento necesario para abrir la válvula, también disminuye en la misma proporción; lo que permite que se utilice más superficie del evaporador para el efecto de refrigeración, aumentando la capacidad del sistema. Una vez que el sistema está operando normalmente, las características de presión y de temperatura en el evaporador y el bulbo son muy similares, y la válvula controlará de manera efectiva con un sobrecalentamiento normal a la salida del evaporador.</span></p><p style="margin-bottom:10px;font-size:13px;"><span style="font-size:16px;">La curva punteada «C», representa las temperaturas a las cuales debe aumentar el fluido del elemento de poder, para que su presión pueda vencer las presiones abajo del diafragma y que la válvula abra completamente. La diferencia de temperaturas entre la curva «A» (evaporador) y la curva «C» (bulbo), son los sobrecalentamientos de operación de la válvula.</span></p><p style="margin-bottom:10px;font-size:13px;"><span style="font-size:16px;">Por lo anterior, es evidente que cuando se instale en un sistema una válvula de termo expansión con carga cruzada, su sobrecalentamiento deberá ajustarse a la temperatura de evaporación más baja que alcance el sistema cuando esté en operación. Esto evita la inundación del compresor con refrigerante líquido.</span></p><p style="margin-bottom:10px;font-size:13px;"><span style="font-size:16px;">La Carga Cruzada Líquida. Generalmente, se utilizan donde es necesario un elemento de poder con carga líquida, para evitar que la carga se condense fuera del bulbo. Estas cargas tienen las mismas ventajas que las cargas líquidas normales, y aun más: la disminución de la presión de succión se hace lenta y moderadamente; reducen la carga en el compresor durante el arranque; reducen casi por completo la fluctuación. Las características del sobrecalentamiento para aplicaciones especiales, pueden hacerse a la medida.</span></p><p style="margin-bottom:10px;font-size:13px;"><span style="font-size:16px;">Aunque las hay disponibles para aplicaciones en tres diferentes rangos de temperaturas, comúnmente se utilizan en aplicaciones comerciales y de baja temperatura, digamos de 4 °C para abajo.</span></p><p style="margin-bottom:10px;font-size:13px;"><span style="font-size:16px;">La Carga Cruzada Gaseosa. Este tipo de cargas tienen las características de todos los otros tipos juntos, y por lo tanto, una válvula con carga cruzada gaseosa puede servir como reemplazo de cualquier otra válvula en el rango de temperaturas entre 10 y -40 °C.</span></p><p style="margin-bottom:10px;font-size:13px;"><span style="font-size:16px;">Estas válvulas pueden aplicarse en un rango muy amplio de temperaturas, y pueden usarse con cualquier tipo de sistema de refrigeración o aire acondicionado. Sin embargo, comercialmente su uso principal es en bombas de calor.</span></p><p style="margin-bottom:10px;font-size:13px;"><span style="font-size:16px;">En general, las ventajas de las válvulas de termo expansión con cargas cruzadas son: cierran rápidamente cuando el compresor para; eliminan la «fluctuación»; mantienen un sobrecalentamiento casi constante; evitan el regreso de líquido al compresor; permiten una rápida disminución de la presión de succión (pull down); protegen al compresor contra sobrecargas (MOP) y pueden instalarse sin considerar la temperatura ambiente, ya que no pierden el control si la válvula está más fría que el bulbo.</span></p></div></div>
</div></div></div><div data-element-id="elm_k0rcAgbrIUZ1dPemzroGwg" data-element-type="imageheadingtext" class="zpelement zpelem-imageheadingtext "><style> @media (min-width: 992px) { [data-element-id="elm_k0rcAgbrIUZ1dPemzroGwg"] .zpimageheadingtext-container figure img { width: 400px !important ; height: 1124px !important ; } } @media (max-width: 991px) and (min-width: 768px) { [data-element-id="elm_k0rcAgbrIUZ1dPemzroGwg"] .zpimageheadingtext-container figure img { width:400px ; height:1124px ; } } @media (max-width: 767px) { [data-element-id="elm_k0rcAgbrIUZ1dPemzroGwg"] .zpimageheadingtext-container figure img { width:400px ; height:1124px ; } } [data-element-id="elm_k0rcAgbrIUZ1dPemzroGwg"].zpelem-imageheadingtext{ border-radius:1px; } </style><div data-size-tablet="" data-size-mobile="" data-align="right" data-tablet-image-separate="false" data-mobile-image-separate="false" class="zpimageheadingtext-container zpimage-with-text-container zpimage-align-right zpimage-size-original zpimage-tablet-fallback-original zpimage-mobile-fallback-original hb-lightbox " data-lightbox-options="
            type:fullscreen,
            theme:dark"><figure role="none" class="zpimage-data-ref"><a class="zpimage-anchor" style="cursor:pointer;" href="javascript:;"><picture><img class="zpimage zpimage-style-none zpimage-space-none " src='https://cdn1.zohoecommerce.com/images/Blog-imagenes/Filtros-Deshidratadores/figura-6-36.jpg?storefront_domain=www.climasmonterrey.com' data-src="/images/Blog-imagenes/Filtros-Deshidratadores/figura-6-36.jpg" width="400" height="1124" loading="lazy" size="original" alt="" data-lightbox="true"/></picture></a></figure><div class="zpimage-headingtext-container"><h3 class="zpimage-heading zpimage-text-align-left" data-editor="true"><span style="color:inherit;"><span style="font-weight:600;font-size:20px;">La Carga de Adsorción</span></span><br></h3><div class="zpimage-text zpimage-text-align-left " data-editor="true"><div><p style="color:inherit;margin-bottom:10px;font-size:13px;"><span style="font-size:16px;">Finalmente, mencionaremos el tipo de carga de adsorción. En realidad, esta es una variante de la carga gaseosa cruzada.</span></p><p style="color:inherit;margin-bottom:10px;font-size:13px;"><span style="font-size:16px;">Los elementos de poder con cargas de adsorción dependen de un principio diferente. En estas válvulas de termo expansión, el elemento de poder contiene dos sustancias. Una es un gas no condensable, tal como el bióxido de carbono, el cual proporciona la presión. La otra, es un sólido; como el carbón, la sílica gel o la alúmina activada. Estas sustancias tienen la habilidad de adsorber gas, dependiendo de su temperatura. Las sustancias adsorben gas con más facilidad a bajas temperaturas.</span></p><p style="color:inherit;margin-bottom:10px;font-size:13px;"><span style="font-size:16px;">Adsorción significa la adhesión de una capa de gas del grueso de una molécula, sobre la superficie de una sustancia sólida. No hay combinación química entre el gas y la sustancia sólida (adsorbente).&nbsp;</span></p><p style="color:inherit;margin-bottom:10px;font-size:13px;"><span style="font-size:16px;">Al calentarse el bulbo sensor, la presión en su interior aumentará debido a la liberación del gas adsorbido. Al enfriarse el bulbo, su presión disminuye debido a que la sustancia adsorbe de nuevo al gas. Este cambio de presión se usa para controlar la apertura de la aguja de la válvula, en una válvula de termo expansión.</span></p><p style="color:inherit;margin-bottom:10px;font-size:13px;"><span style="font-size:16px;">La apariencia y construcción general de estas válvulas, es la misma que con las de carga gaseosa cruzada. La única diferencia está en el gas y las sustancias contenidas en el elemento de poder para controlar sus presiones.</span></p><p style="color:inherit;margin-bottom:10px;font-size:13px;"><span style="font-size:16px;">Estas válvulas de termo expansión tienen la ventaja de un retardo presión-temperatura en su operación. Tienen amplias aplicaciones de temperaturas, y se pueden usar en cualquier tipo de sistema de refrigeración o aire acondicionado. Su rango es suficiente para cubrir casi cualquier aplicación de refrigeración. El gas en el elemento de poder es un gas no condensable, mismo que permanece como tal, durante el rango de operación de la válvula.&nbsp;</span></p><p style="color:inherit;margin-bottom:10px;font-size:13px;"><span style="font-size:16px;">Cada una de las diferentes cargas de bulbos mencionadas, tienen sus propias características individuales de sobrecalentamiento. Las diferentes curvas ilustradas en la&nbsp;<em>figura 6.36</em>, muestran las limitantes de operación de cada tipo. Estas curvas, no deben considerarse como valores verdaderos, sino solamente para ilustrar las ventajas y desventajas de cada una. El paréntesis horizontal indica el rango óptimo de mejor operación.</span></p><div><p style="color:inherit;margin-bottom:10px;font-size:13px;"><span style="font-size:16px;">De la información proporcionada por las curvas de la&nbsp;<em>figura 6.36</em>, sobresale el hecho que la carga gaseosa cruzada W con MOP, es considerada como el mejor desarrollo. Esta carga mantiene casi constante el sobrecalentamiento, en un rango de 10 hasta -40°C de evaporación; lo que hace posible obtener un efecto de refrigeración máximo. Es de esperarse que los ajustes de sobrecalentamiento, sean consistentes para el rango completo de operación del evaporador, eliminando la preocupación de la fluctuación en los extremos de rangos de temperaturas.</span></p><p style="color:inherit;margin-bottom:10px;font-size:13px;"><span style="font-weight:600;"><span style="font-size:20px;">Bulbos con Balasto</span></span></p><div><div style="color:inherit;font-size:13px;"><span style="font-size:16px;">En sistemas de aire acondicionado y temperaturas similares, se requiere un sobrecalentamiento constante. Aunque la carga gaseosa cruzada proporciona un sobrecalentamiento casi constante, no elimina en su totalidad la fluctuación. Investigaciones exhaustivas demostraron que la mejor aproximación seguía siendo una válvula menos sensible a los cambios de temperatura del bulbo, y que sí respondiera a la presión normal del evaporador. Siguiendo este principio, algunos fabricantes de válvulas cambiaron el método, colocando una balasto dentro del bulbo de una válvula con carga gaseosa cruzada. Este balasto no es otra cosa que una barra cuadrada de acero, aunque se pueden utilizar otros materiales. El aumento de sobrecalentamiento se retarda con los cambios de temperatura y presión del bulbo, puesto que la masa de la barra de acero proporciona un retardo térmico.</span></div><div style="color:inherit;font-size:13px;">&nbsp;</div><div><span style="color:inherit;font-size:16px;">Este balasto, actúa como dispositivo de seguridad en caso de que una oleada de líquido, llegara hasta la línea de succión. El líquido enfriaría la pared del bulbo en contacto con la línea de succión. La pequeña cantidad de carga dentro del bulbo, pasaría de la superficie menos fría de la barra de acero, y se asentaría sobre la pared interna más fría del bulbo adyacente a la línea de succión. Esto produciría una disminución inmediata de la temperatura y presión del bulbo, y cerraría la válvula rápidamente. Así pues, el principio </span><span style="font-size:16px;">anti fluctuante</span><span style="color:inherit;font-size:16px;">&nbsp;tiene dos características. La válvula abre lentamente a la persistente demanda de más flujo de refrigerante, pero cierra rápidamente para evitar el regreso de líquido.</span></div></div></div></div></div>
</div></div></div><div data-element-id="elm_QL7CTioPFScmYBCJhPf4yQ" data-element-type="image" class="zpelement zpelem-image "><style> @media (min-width: 992px) { [data-element-id="elm_QL7CTioPFScmYBCJhPf4yQ"] .zpimage-container figure img { width: 400px !important ; height: 192px !important ; } } @media (max-width: 991px) and (min-width: 768px) { [data-element-id="elm_QL7CTioPFScmYBCJhPf4yQ"] .zpimage-container figure img { width:400px ; height:192px ; } } @media (max-width: 767px) { [data-element-id="elm_QL7CTioPFScmYBCJhPf4yQ"] .zpimage-container figure img { width:400px ; height:192px ; } } [data-element-id="elm_QL7CTioPFScmYBCJhPf4yQ"].zpelem-image { border-radius:1px; } </style><div data-caption-color="" data-size-tablet="" data-size-mobile="" data-align="center" data-tablet-image-separate="false" data-mobile-image-separate="false" class="zpimage-container zpimage-align-center zpimage-size-original zpimage-tablet-fallback-original zpimage-mobile-fallback-original hb-lightbox " data-lightbox-options="
                type:fullscreen,
                theme:dark"><figure role="none" class="zpimage-data-ref"><a class="zpimage-anchor" style="cursor:pointer;" href="javascript:;"><picture><img class="zpimage zpimage-style-none zpimage-space-none " src='https://cdn1.zohoecommerce.com/images/Blog-imagenes/Filtros-Deshidratadores/figura-6-37.jpg?storefront_domain=www.climasmonterrey.com' width="400" height="192" loading="lazy" size="original" alt="" data-lightbox="true"/></picture></a></figure></div>
</div><div data-element-id="elm_qsMSw8vSAV74Lkq_94jcMQ" data-element-type="text" class="zpelement zpelem-text "><style> [data-element-id="elm_qsMSw8vSAV74Lkq_94jcMQ"].zpelem-text{ border-radius:1px; } </style><div class="zptext zptext-align-left " data-editor="true"><p><span style="color:inherit;"><span style="font-size:16px;">En la&nbsp;</span><em style="font-size:16px;">figura 6.37</em><span style="font-size:16px;">, se ilustra la operación de una carga de bulbo sin balasto. Puesto que responderá rápidamente en una forma de abrir y cerrar, la válvula puede sobrealimentar y alimentar de menos, causando la indeseable fluctuación en el sistema.</span></span><br></p></div>
</div><div data-element-id="elm_ui6CtQ02f3KPnsSd4V1NFQ" data-element-type="image" class="zpelement zpelem-image "><style> @media (min-width: 992px) { [data-element-id="elm_ui6CtQ02f3KPnsSd4V1NFQ"] .zpimage-container figure img { width: 400px !important ; height: 266px !important ; } } @media (max-width: 991px) and (min-width: 768px) { [data-element-id="elm_ui6CtQ02f3KPnsSd4V1NFQ"] .zpimage-container figure img { width:400px ; height:266px ; } } @media (max-width: 767px) { [data-element-id="elm_ui6CtQ02f3KPnsSd4V1NFQ"] .zpimage-container figure img { width:400px ; height:266px ; } } [data-element-id="elm_ui6CtQ02f3KPnsSd4V1NFQ"].zpelem-image { border-radius:1px; } </style><div data-caption-color="" data-size-tablet="" data-size-mobile="" data-align="center" data-tablet-image-separate="false" data-mobile-image-separate="false" class="zpimage-container zpimage-align-center zpimage-size-original zpimage-tablet-fallback-original zpimage-mobile-fallback-original hb-lightbox " data-lightbox-options="
                type:fullscreen,
                theme:dark"><figure role="none" class="zpimage-data-ref"><a class="zpimage-anchor" style="cursor:pointer;" href="javascript:;"><picture><img class="zpimage zpimage-style-none zpimage-space-none " src='https://cdn1.zohoecommerce.com/images/Blog-imagenes/Filtros-Deshidratadores/figura-6-38.jpg?storefront_domain=www.climasmonterrey.com' width="400" height="266" loading="lazy" size="original" alt="" data-lightbox="true"/></picture></a></figure></div>
</div><div data-element-id="elm_TuglUjaQa6OCIZCzbK6cAg" data-element-type="text" class="zpelement zpelem-text "><style> [data-element-id="elm_TuglUjaQa6OCIZCzbK6cAg"].zpelem-text{ border-radius:1px; } </style><div class="zptext zptext-align-left " data-editor="true"><p><span style="color:inherit;"><span style="font-size:16px;">En la&nbsp;</span><em style="font-size:16px;">figura 6.38</em><span style="font-size:16px;">, se ilustra la variación del sobrecalentamiento de operación de un sistema de refrigeración típico con bulbo con balasto. Cuando disminuye la carga del sistema, la temperatura y el flujo en la línea de succión también disminuyen, y el sobrecalentamiento de operación aumenta rápidamente. Conforme aumenta la temperatura de la línea de succión, la presión del bulbo aumenta lentamente y el sobrecalentamiento de operación disminuye de la misma forma, hasta un nivel predeterminado. Después de varios ciclos en que se va abatiendo la amplitud, el sistema operará al sobrecalentamiento predeterminado, con un mínimo de fluctuaciones en la línea de succión.</span></span><br></p></div>
</div><div data-element-id="elm_auDHt3CUHPmIoRJ4-4waVA" data-element-type="imageheadingtext" class="zpelement zpelem-imageheadingtext "><style> @media (min-width: 992px) { [data-element-id="elm_auDHt3CUHPmIoRJ4-4waVA"] .zpimageheadingtext-container figure img { width: 486.2px !important ; height: 461px !important ; } } @media (max-width: 991px) and (min-width: 768px) { [data-element-id="elm_auDHt3CUHPmIoRJ4-4waVA"] .zpimageheadingtext-container figure img { width:486.2px ; height:461px ; } } @media (max-width: 767px) { [data-element-id="elm_auDHt3CUHPmIoRJ4-4waVA"] .zpimageheadingtext-container figure img { width:486.2px ; height:461px ; } } [data-element-id="elm_auDHt3CUHPmIoRJ4-4waVA"].zpelem-imageheadingtext{ border-radius:1px; } </style><div data-size-tablet="" data-size-mobile="" data-align="left" data-tablet-image-separate="false" data-mobile-image-separate="false" class="zpimageheadingtext-container zpimage-with-text-container zpimage-align-left zpimage-size-custom zpimage-tablet-fallback-custom zpimage-mobile-fallback-custom hb-lightbox " data-lightbox-options="
            type:fullscreen,
            theme:dark"><figure role="none" class="zpimage-data-ref"><a class="zpimage-anchor" style="cursor:pointer;" href="javascript:;"><picture><img class="zpimage zpimage-style-none zpimage-space-none " src='https://cdn1.zohoecommerce.com/images/Blog-imagenes/Filtros-Deshidratadores/figu-6-39.jpg?storefront_domain=www.climasmonterrey.com' data-src="/images/Blog-imagenes/Filtros-Deshidratadores/figu-6-39.jpg" width="486.2" height="461" loading="lazy" size="custom" alt="" data-lightbox="true"/></picture></a></figure><div class="zpimage-headingtext-container"><h3 class="zpimage-heading zpimage-text-align-left" data-editor="true"><span style="color:inherit;"><span style="font-weight:600;font-size:13px;"><span style="font-size:20px;">¿Cuál Carga Utilizar?</span></span></span></h3><div class="zpimage-text zpimage-text-align-left " data-editor="true"><p><span style="color:inherit;"><span style="font-size:16px;">Para ayudarle a comparar la carga correcta con su aplicación específica, consulte el código selector de cargas de válvulas de termo expansión de la&nbsp;</span><em style="font-size:16px;">figura 6.39</em><span style="font-size:16px;">. Esta tabla corresponde a las cargas utilizadas por ALCO CONTROLS. Es importante señalar que cada fabricante de válvulas de termo expansión utiliza su propia nomenclatura, para clasificar los diferentes tipos de cargas y los diferentes tipos de refrigerantes.</span></span><br></p></div>
</div></div></div><div data-element-id="elm_EMHjuSKOp0ncL0E8y96WpA" data-element-type="imagetext" class="zpelement zpelem-imagetext "><style> @media (min-width: 992px) { [data-element-id="elm_EMHjuSKOp0ncL0E8y96WpA"] .zpimagetext-container figure img { width: 400px !important ; height: 133px !important ; } } @media (max-width: 991px) and (min-width: 768px) { [data-element-id="elm_EMHjuSKOp0ncL0E8y96WpA"] .zpimagetext-container figure img { width:400px ; height:133px ; } } @media (max-width: 767px) { [data-element-id="elm_EMHjuSKOp0ncL0E8y96WpA"] .zpimagetext-container figure img { width:400px ; height:133px ; } } [data-element-id="elm_EMHjuSKOp0ncL0E8y96WpA"].zpelem-imagetext{ border-radius:1px; } </style><div data-size-tablet="" data-size-mobile="" data-align="right" data-tablet-image-separate="false" data-mobile-image-separate="false" class="zpimagetext-container zpimage-with-text-container zpimage-align-right zpimage-size-original zpimage-tablet-fallback-original zpimage-mobile-fallback-original hb-lightbox " data-lightbox-options="
            type:fullscreen,
            theme:dark"><figure role="none" class="zpimage-data-ref"><a class="zpimage-anchor" style="cursor:pointer;" href="javascript:;"><picture><img class="zpimage zpimage-style-none zpimage-space-none " src="https://cdn1.zohoecommerce.com/images/Blog-imagenes/Filtros-Deshidratadores/cargas.jpg?storefront_domain=www.climasmonterrey.com" width="400" height="133" loading="lazy" size="original" alt="" data-lightbox="true"/></picture></a></figure><div class="zpimage-text zpimage-text-align-left " data-editor="true"><p><span style="color:inherit;"><span style="font-size:16px;">Las letras que utiliza ALCO CONTROLS para asignar las&nbsp;diferentes cargas del elemento de poder, son como sigue:</span></span><br></p></div>
</div></div></div></div></div></div></div> ]]></content:encoded><pubDate>Tue, 12 Sep 2023 09:30:56 -0600</pubDate></item><item><title><![CDATA[¿Qué es la Fluctuación?]]></title><link>https://www.climasmonterrey.com/blogs/post/que-es-la-fluctuacion</link><description><![CDATA[En muchas instalaciones existe la posibilidad de una condición llamada FLUCTUACION, que es una variación continua en la cantidad de refrigerante alime ]]></description><content:encoded><![CDATA[
<div class="zpcontent-container blogpost-container "><div data-element-id="elm_MdonoGmtRSOTEHjqoSoRYg" data-element-type="section" class="zpsection "><style type="text/css"></style><div class="zpcontainer"><div data-element-id="elm_bT3PXLMqRTCDg3FwIkcO8w" data-element-type="row" class="zprow zpalign-items- zpjustify-content- "><style type="text/css"></style><div data-element-id="elm_x_vtjjNjT7C6uhi_yYiMnQ" data-element-type="column" class="zpelem-col zpcol-12 zpcol-md-12 zpcol-sm-12 zpalign-self- "><style type="text/css"></style><div data-element-id="elm_V6RawXLAaOc01qHLuXHqbA" data-element-type="heading" class="zpelement zpelem-heading "><style> [data-element-id="elm_V6RawXLAaOc01qHLuXHqbA"].zpelem-heading { border-radius:1px; } </style><h2
 class="zpheading zpheading-style-none zpheading-align-left " data-editor="true"><span style="color:inherit;"><span style="font-weight:600;font-size:13px;"><span style="font-size:20px;">Fluctuación (Oscilación o Cicleo)</span></span></span></h2></div>
<div data-element-id="elm_FQSv1PO0wpoIgEOcY3bW8Q" data-element-type="text" class="zpelement zpelem-text "><style> [data-element-id="elm_FQSv1PO0wpoIgEOcY3bW8Q"].zpelem-text{ border-radius:1px; } </style><div class="zptext zptext-align-left " data-editor="true"><div style="color:inherit;"><div style="font-size:13px;"><span style="font-size:16px;">En muchas instalaciones existe la posibilidad de una condición llamada FLUCTUACION, que es una variación continua en la cantidad de refrigerante alimentado por la válvula. Primero no alimenta suficiente, y después, alimenta demasiado.</span></div><div style="font-size:13px;">&nbsp;</div><div style="font-size:13px;"><span style="font-size:16px;">Cuando existe un solo compresor y un solo evaporador en el sistema, la fluctuación provoca una variación tanto en la presión de succión como en el sobrecalentamiento. Cuando en un sistema con un solo compresor y varios evaporadores, si el compresor tiene control de capacidad, puede resultar una fluctuación que se detecta a través de la variación en la temperatura del bulbo. Normalmente, sólo hay un ligero cambio en la presión de succión o ninguno.</span></div><div style="font-size:13px;">&nbsp;</div><div style="font-size:13px;"><span style="font-size:16px;">La fluctuación puede resultar de uno o varios factores relacionados con el diseño del sistema, la instalación o el equipo. Algunas de las causas que pueden inducir una condición de fluctuación son: grandes variaciones en la presión de descarga, cambios rápidos en la carga del evaporador, humedad o ceras suficientes para tapar la válvula o una deficiente distribución de refrigerante.</span></div><div style="font-size:13px;">&nbsp;</div><div style="font-size:13px;"><span style="font-size:16px;">Una razón para que se presente una fluctuación, y quizás la más importante, es que todos los evaporadores tienen un tiempo de retardo. El diseño básico del serpentín hace que algunos evaporadores sean más susceptibles que otros a este problema. Algunos evaporadores tienen un trayecto muy corto y el refrigerante fluye a través de ellos en unos cuantos segundos. Otros tienen una trayectoria muy larga, requiriéndose varios minutos para que el refrigerante fluya a través de ellos. Durante este intervalo, la válvula de termo expansión teóricamente está fuera de control, porque está alimentando en la entrada del evaporador, pero controlando de la temperatura del bulbo a la salida. Es casi como decir que está tratando de controlar algo que ya ha sucedido (<em>figura 6.29</em>).</span></div></div></div>
</div><div data-element-id="elm_MB20Cu5Ooi59gsDyd3WlRA" data-element-type="image" class="zpelement zpelem-image "><style> @media (min-width: 992px) { [data-element-id="elm_MB20Cu5Ooi59gsDyd3WlRA"] .zpimage-container figure img { width: 400px !important ; height: 288px !important ; } } @media (max-width: 991px) and (min-width: 768px) { [data-element-id="elm_MB20Cu5Ooi59gsDyd3WlRA"] .zpimage-container figure img { width:400px ; height:288px ; } } @media (max-width: 767px) { [data-element-id="elm_MB20Cu5Ooi59gsDyd3WlRA"] .zpimage-container figure img { width:400px ; height:288px ; } } [data-element-id="elm_MB20Cu5Ooi59gsDyd3WlRA"].zpelem-image { border-radius:1px; } </style><div data-caption-color="" data-size-tablet="" data-size-mobile="" data-align="center" data-tablet-image-separate="false" data-mobile-image-separate="false" class="zpimage-container zpimage-align-center zpimage-size-original zpimage-tablet-fallback-original zpimage-mobile-fallback-original hb-lightbox " data-lightbox-options="
                type:fullscreen,
                theme:dark"><figure role="none" class="zpimage-data-ref"><a class="zpimage-anchor" style="cursor:pointer;" href="javascript:;"><picture><img class="zpimage zpimage-style-none zpimage-space-none " src='https://cdn1.zohoecommerce.com/images/Blog-imagenes/Filtros-Deshidratadores/figura-6-29.jpg?storefront_domain=www.climasmonterrey.com' width="400" height="288" loading="lazy" size="original" alt="" data-lightbox="true"/></picture></a></figure></div>
</div><div data-element-id="elm_Yk2M1oNA9o7Nyey3wJwLkA" data-element-type="text" class="zpelement zpelem-text "><style> [data-element-id="elm_Yk2M1oNA9o7Nyey3wJwLkA"].zpelem-text{ border-radius:1px; } </style><div class="zptext zptext-align-left " data-editor="true"><div><div style="color:inherit;font-size:13px;"><span style="font-size:16px;">Desafortunadamente, se ha vuelto una práctica común decir que la válvula de termo expansión es la que fluctúa u oscila. Deberíamos decir que es el sistema el que está fluctuando y oscilando, puesto que la causa no es la válvula de termo expansión sola, sino una combinación de muchos factores en el sistema.</span></div><div style="color:inherit;font-size:13px;">&nbsp;</div><div style="color:inherit;font-size:13px;"><span style="font-size:16px;">Con la fluctuación, cada vez que la válvula abre, baja el sobrecalentamiento, aumenta el flujo en la succión y se puede regresar líquido al compresor. Cuando la válvula modula y cierra, aumenta el sobrecalentamiento, baja la presión de succión y no se alimenta suficiente refrigerante al evaporador. Es obvio que la fluctuación continua en la presión de succión, reduce la eficiencia del sistema.</span></div><div style="color:inherit;font-size:13px;">&nbsp;</div><div style="color:inherit;font-size:13px;"><span style="font-size:16px;">La magnitud de la fluctuación está influenciada por:</span></div><div style="color:inherit;font-size:13px;">&nbsp;</div><div style="color:inherit;font-size:13px;"><span style="font-size:16px;">1. Longitud y diámetro de los circuitos.</span></div><div style="color:inherit;font-size:13px;"><span style="font-size:16px;">2. Carga por circuito.</span></div><div style="color:inherit;font-size:13px;"><span style="font-size:16px;">3. Velocidad del refrigerante.</span></div><div style="color:inherit;font-size:13px;"><span style="font-size:16px;">4. Distribución de aire sobre el evaporador.</span></div><div style="color:inherit;font-size:13px;"><span style="font-size:16px;">5. Ubicación de la válvula y el bulbo.</span></div><div style="color:inherit;font-size:13px;"><span style="font-size:16px;">6. Capacidad de la válvula vs. la carga.</span></div><div style="color:inherit;font-size:13px;"><span style="font-size:16px;">7. El tipo de carga del elemento de poder.</span></div><div style="color:inherit;font-size:13px;">&nbsp;</div><div style="color:inherit;font-size:13px;"><span style="font-size:16px;">La fluctuación u oscilación puede eliminarse o reducirse, si se toman las siguientes precauciones:</span></div><div style="color:inherit;font-size:13px;">&nbsp;</div><div style="color:inherit;font-size:13px;"><span style="font-size:16px;">1. Diseñe o seleccione el evaporador con un paso de refrigerante tan corto como sea posible, consistente con buena transferencia de calor.</span></div><div style="color:inherit;font-size:13px;"><span style="font-size:16px;">2. Seleccione la ubicación de la válvula y el bulbo que sean más favorables.</span></div><div style="color:inherit;font-size:13px;"><span style="font-size:16px;">3. Seleccione las válvulas que tengan la capacidad más favorable con relación a la carga.</span></div><div style="color:inherit;font-size:13px;"><span style="font-size:16px;">4. Seleccione la carga adecuada del elemento de poder.</span></div><div style="color:inherit;font-size:13px;">&nbsp;</div><div style="color:inherit;font-size:13px;"><span style="font-weight:600;"><span style="font-size:20px;">Operación a la Capacidad Reducida</span></span></div><div style="color:inherit;font-size:13px;">&nbsp;</div><div style="color:inherit;font-size:13px;"><span style="font-size:16px;">La válvula de termo expansión convencional es un regulador de operación directa auto contenido, el cual no tiene integrados ningunos factores de anticipación o compensación. Como tal, es susceptible a la fluctuación, por causas que son peculiares tanto al diseño de la válvula, como al diseño de los sistemas a los cuales se aplica.</span></div><div style="color:inherit;font-size:13px;">&nbsp;</div><div style="color:inherit;font-size:13px;"><span style="font-size:16px;">La relación de flujo ideal de una válvula de termo expansión, requeriría de una válvula con un balance dinámico perfecto, capaz de respuesta instantánea a cualquier cambio en la proporción de la evaporación (anticipación), y con un medio de evitar que la válvula sobrepase el punto de control debido a la inercia (compensación). Con estas características, una termo válvula estaría en fase con la demanda del sistema todo el tiempo, y no ocurriría la fluctuación.</span></div><div style="color:inherit;font-size:13px;">&nbsp;</div><div style="color:inherit;font-size:13px;"><span style="font-size:16px;">Supongamos que hay un aumento en la carga, causando que incremente el sobrecalentamiento del gas de succión. El intervalo de tiempo entre el instante en que el bulbo siente este aumento de sobrecalentamiento, provocando que se mueva la aguja de la válvula en la dirección de abrir, permite que el sobrecalentamiento del gas de succión aumente aún más.</span></div><div style="color:inherit;font-size:13px;">&nbsp;</div><div><span style="color:inherit;font-size:16px;">En respuesta a lo anterior, la válvula sobrepasa el punto de control y alimenta más refrigerante hacia el evaporador del que puede ser evaporado por la carga, con lo que disminuye el sobrecalentamiento y llega refrigerante líquido a la línea de succión, con el riesgo de pasar al compresor. Nuevamente, hay un tiempo de retardo entre el instante en que el bulbo detecta el refrigerante líquido y que la válvula responde, moviéndose en la dirección de cierre. Durante este tiempo, la válvula continúa sobrealimentando al evaporador. Así pues, cuando la válvula se mueve en la dirección de cierre, nuevamente sobrepasará el punto de control y permanecerá en una posición casi cerrada, hasta que la mayoría del refrigerante líquido haya dejado el evaporador. El siguiente tiempo de retardo antes que la válvula abra, permite que el sobrecalentamiento del gas de succión aumente de nuevo más allá del punto de control. Este ciclo, que es </span><span style="font-size:16px;">auto propagante</span><span style="color:inherit;font-size:16px;">, continúa repitiéndose. La experiencia ha demostrado que una termo válvula está más expuesta a fluctuar en condiciones de baja carga, cuando la aguja de la válvula está cerca del asiento. Generalmente, se piensa que esto se debe a un desbalance entre las fuerzas que operan la válvula.</span></div><div style="color:inherit;font-size:13px;">&nbsp;</div><div style="color:inherit;font-size:13px;"><span style="font-size:16px;">Adicional a las tres fuerzas principales que operan una válvula de termo expansión, la diferencia de presión a través del puerto de la válvula, actúa contra el área del puerto y, dependiendo de la construcción de la válvula, tiende a forzarla a que abra o a que cierre. Cuando opera con la aguja cerca del asiento, ocurrirá lo siguiente.</span></div><div style="color:inherit;font-size:13px;">&nbsp;</div><div style="color:inherit;font-size:13px;"><span style="font-size:16px;">Con la válvula cerrada, tenemos presión de líquido sobre el lado de entrada de la aguja y presión del evaporador sobre la salida. Cuando la válvula comienza a abrir, permitiendo que se lleve a cabo el flujo, la velocidad a través de la garganta de la válvula, provocará un punto de más baja presión en la misma, aumentando la diferencia de presión a través de la aguja y del asiento. Este repentino incremento en el diferencial de presión que actúa sobre el área del puerto, tenderá a forzar la aguja de la válvula hacia el asiento. Cuando la válvula abre de nuevo, ocurre el mismo tipo de acción y la aguja golpetea contra el asiento a una frecuencia muy rápida. Este tipo de fenómeno es más frecuente con válvulas más grandes; ya que la fuerza debida al diferencial de presión, se ve incrementada con áreas de puertos más grandes.</span></div><div style="color:inherit;font-size:13px;">&nbsp;</div><div style="color:inherit;font-size:13px;"><span style="font-size:16px;">Hemos visto que una válvula de termo expansión puede fluctuar, debido a la falta de las características de anticipación y compensación, y a un desbalance en las fuerzas de equilibrio, en el extremo inferior de la carrera de la aguja.&nbsp;</span></div><div style="color:inherit;font-size:13px;">&nbsp;</div><div style="color:inherit;font-size:13px;"><span style="font-size:16px;">Sabemos por experiencia, que una válvula de termo expansión, cuando se selecciona y aplica inteligentemente, contrarresta estos factores y opera virtualmente sin fluctuar, sobre un rango bastante amplio de cargas.</span></div><div style="color:inherit;font-size:13px;">&nbsp;</div><div style="color:inherit;font-size:13px;"><span style="font-size:16px;">Generalmente, una válvula de termo expansión operará satisfactoriamente hasta algo así como abajo del 50% de su capacidad nominal; pero, nuevamente, esto depende del diseño del evaporador y de la tubería, diámetro y longitud de los circuitos del evaporador, la velocidad del refrigerante, el flujo del aire sobre el evaporador y los cambios rápidos en la carga. Nada causará que una termo válvula fluctúe tan rápidamente, que una alimentación desigual de los circuitos paralelos por el distribuidor, o una carga desigual de aire a través del evaporador.</span></div></div></div>
</div></div></div></div></div></div> ]]></content:encoded><pubDate>Tue, 12 Sep 2023 09:29:51 -0600</pubDate></item><item><title><![CDATA[¿Cuál es la ubicación del Bulbo Remoto?]]></title><link>https://www.climasmonterrey.com/blogs/post/cual-es-la-ubicacion-del-bulbo-remoto</link><description><![CDATA[En realidad, más importante que la ubicación física del bulbo alrededor de la tubería es el contacto térmico entre el bulbo y la línea de succión; así ]]></description><content:encoded><![CDATA[
<div class="zpcontent-container blogpost-container "><div data-element-id="elm_aEPEJbE1SeOgnJpCV_7xhQ" data-element-type="section" class="zpsection "><style type="text/css"></style><div class="zpcontainer"><div data-element-id="elm_PNcTw8clQGyBGpBz4AhnhA" data-element-type="row" class="zprow zpalign-items- zpjustify-content- "><style type="text/css"></style><div data-element-id="elm_EKxWqkZQSImFxPbg8fLcSQ" data-element-type="column" class="zpelem-col zpcol-12 zpcol-md-12 zpcol-sm-12 zpalign-self- "><style type="text/css"></style><div data-element-id="elm_FNVhUdEp8bBWLWWXZi_HgA" data-element-type="imageheadingtext" class="zpelement zpelem-imageheadingtext "><style> @media (min-width: 992px) { [data-element-id="elm_FNVhUdEp8bBWLWWXZi_HgA"] .zpimageheadingtext-container figure img { width: 400px !important ; height: 418px !important ; } } @media (max-width: 991px) and (min-width: 768px) { [data-element-id="elm_FNVhUdEp8bBWLWWXZi_HgA"] .zpimageheadingtext-container figure img { width:400px ; height:418px ; } } @media (max-width: 767px) { [data-element-id="elm_FNVhUdEp8bBWLWWXZi_HgA"] .zpimageheadingtext-container figure img { width:400px ; height:418px ; } } [data-element-id="elm_FNVhUdEp8bBWLWWXZi_HgA"].zpelem-imageheadingtext{ border-radius:1px; } </style><div data-size-tablet="" data-size-mobile="" data-align="left" data-tablet-image-separate="false" data-mobile-image-separate="false" class="zpimageheadingtext-container zpimage-with-text-container zpimage-align-left zpimage-size-original zpimage-tablet-fallback-original zpimage-mobile-fallback-original hb-lightbox " data-lightbox-options="
            type:fullscreen,
            theme:dark"><figure role="none" class="zpimage-data-ref"><a class="zpimage-anchor" style="cursor:pointer;" href="javascript:;"><picture><img class="zpimage zpimage-style-none zpimage-space-none " src='https://cdn1.zohoecommerce.com/images/Blog-imagenes/Filtros-Deshidratadores/ubicacion-en-un-sistema.jpg?storefront_domain=www.climasmonterrey.com' data-src="/images/Blog-imagenes/Filtros-Deshidratadores/ubicacion-en-un-sistema.jpg" width="400" height="418" loading="lazy" size="original" alt="" data-lightbox="true"/></picture></a></figure><div class="zpimage-headingtext-container"><h3 class="zpimage-heading zpimage-text-align-left" data-editor="true"><span style="color:inherit;"><span style="font-weight:600;font-size:13px;"><span style="font-size:20px;">Ubicación del Bulbo Remoto</span></span></span></h3><div class="zpimage-text zpimage-text-align-left " data-editor="true"><div style="color:inherit;"><div style="font-size:13px;"><span style="font-size:16px;">Puesto que el funcionamiento del evaporador depende grandemente del buen control de la válvula de termo expansión, y este buen control de la válvula depende de la respuesta a los cambios de temperatura del gas que sale del evaporador, se debe tener mucho cuidado con los tipos de bulbos remotos y su colocación. La buena retroalimentación de la temperatura del gas de succión es vital, para que la válvula de termo expansión mantenga ese control. La ubicación del bulbo remoto es tan importante como la selección de la válvula adecuada; de otra forma, afectará de manera adversa la operación de la válvula. Existen dos formas de instalar los bulbos remotos: mediante abrazaderas o en termopozos, siendo más común la primera.</span></div><div style="font-size:13px;">&nbsp;</div><div style="font-size:13px;"><span style="font-size:16px;">A continuación se dan algunas recomendaciones de instalación del bulbo remoto mediante abrazaderas. El bulbo debe sujetarse firmemente a la línea de succión, lo más cerca posible de la salida del evaporador, en un tramo horizontal. Si se usa más de una termo válvula en evaporadores adyacentes o secciones de evaporadores, asegúrese que el bulbo remoto de cada válvula esté aplicado a la línea de succión del evaporador alimentado por esa válvula. (Ver<em>&nbsp;figura 6.20</em>).</span></div></div></div>
</div></div></div><div data-element-id="elm_gGU6eH5Fxt2j9bRyRXpzKw" data-element-type="row" class="zprow zpalign-items-flex-start zpjustify-content-flex-start zpdefault-section zpdefault-section-bg "><style type="text/css"> [data-element-id="elm_gGU6eH5Fxt2j9bRyRXpzKw"].zprow{ border-radius:1px; } </style><div data-element-id="elm_RhUgAadO9lY5i7rOZX8JXA" data-element-type="column" class="zpelem-col zpcol-12 zpcol-md-4 zpcol-sm-12 zpalign-self- zpdefault-section zpdefault-section-bg "><style type="text/css"> [data-element-id="elm_RhUgAadO9lY5i7rOZX8JXA"].zpelem-col{ border-radius:1px; } </style><div data-element-id="elm_b6505wXyNfYqHRdTXcoJnQ" data-element-type="image" class="zpelement zpelem-image "><style> @media (min-width: 992px) { [data-element-id="elm_b6505wXyNfYqHRdTXcoJnQ"] .zpimage-container figure img { width: 383.12px ; height: 278px ; } } @media (max-width: 991px) and (min-width: 768px) { [data-element-id="elm_b6505wXyNfYqHRdTXcoJnQ"] .zpimage-container figure img { width:383.12px ; height:278px ; } } @media (max-width: 767px) { [data-element-id="elm_b6505wXyNfYqHRdTXcoJnQ"] .zpimage-container figure img { width:383.12px ; height:278px ; } } [data-element-id="elm_b6505wXyNfYqHRdTXcoJnQ"].zpelem-image { border-radius:1px; } </style><div data-caption-color="" data-size-tablet="" data-size-mobile="" data-align="center" data-tablet-image-separate="false" data-mobile-image-separate="false" class="zpimage-container zpimage-align-center zpimage-size-fit zpimage-tablet-fallback-fit zpimage-mobile-fallback-fit hb-lightbox " data-lightbox-options="
                type:fullscreen,
                theme:dark"><figure role="none" class="zpimage-data-ref"><a class="zpimage-anchor" style="cursor:pointer;" href="javascript:;"><picture><img class="zpimage zpimage-style-none zpimage-space-none " src='https://cdn1.zohoecommerce.com/images/Blog-imagenes/Filtros-Deshidratadores/figura-6-23.jpg?storefront_domain=www.climasmonterrey.com' width="383.12" height="278" loading="lazy" size="fit" alt="" data-lightbox="true"/></picture></a></figure></div>
</div></div><div data-element-id="elm_WOmrMttTYCtABeqedQkjTQ" data-element-type="column" class="zpelem-col zpcol-12 zpcol-md-4 zpcol-sm-12 zpalign-self- zpdefault-section zpdefault-section-bg "><style type="text/css"> [data-element-id="elm_WOmrMttTYCtABeqedQkjTQ"].zpelem-col{ border-radius:1px; } </style><div data-element-id="elm_0TEcNDIcKc7RXKSc5f2tCQ" data-element-type="image" class="zpelement zpelem-image "><style> @media (min-width: 992px) { [data-element-id="elm_0TEcNDIcKc7RXKSc5f2tCQ"] .zpimage-container figure img { width: 350px !important ; height: 286.13px !important ; } } @media (max-width: 991px) and (min-width: 768px) { [data-element-id="elm_0TEcNDIcKc7RXKSc5f2tCQ"] .zpimage-container figure img { width:723px ; height:591.05px ; } } @media (max-width: 767px) { [data-element-id="elm_0TEcNDIcKc7RXKSc5f2tCQ"] .zpimage-container figure img { width:415px ; height:339.26px ; } } [data-element-id="elm_0TEcNDIcKc7RXKSc5f2tCQ"].zpelem-image { border-radius:1px; } </style><div data-caption-color="" data-size-tablet="" data-size-mobile="" data-align="center" data-tablet-image-separate="false" data-mobile-image-separate="false" class="zpimage-container zpimage-align-center zpimage-size-custom zpimage-tablet-fallback-custom zpimage-mobile-fallback-custom hb-lightbox " data-lightbox-options="
                type:fullscreen,
                theme:dark"><figure role="none" class="zpimage-data-ref"><a class="zpimage-anchor" style="cursor:pointer;" href="javascript:;"><picture><img class="zpimage zpimage-style-none zpimage-space-none " src='https://cdn1.zohoecommerce.com/images/Blog-imagenes/Filtros-Deshidratadores/figura-6-24.jpg?storefront_domain=www.climasmonterrey.com' width="415" height="339.26" loading="lazy" size="custom" alt="" data-lightbox="true"/></picture></a></figure></div>
</div></div><div data-element-id="elm_2rJ92cBRm_QbXk_4-FanNg" data-element-type="column" class="zpelem-col zpcol-12 zpcol-md-4 zpcol-sm-12 zpalign-self- zpdefault-section zpdefault-section-bg "><style type="text/css"> [data-element-id="elm_2rJ92cBRm_QbXk_4-FanNg"].zpelem-col{ border-radius:1px; } </style><div data-element-id="elm_uB7NjPSQ1RBKLMm-YqpHTw" data-element-type="image" class="zpelement zpelem-image "><style> @media (min-width: 992px) { [data-element-id="elm_uB7NjPSQ1RBKLMm-YqpHTw"] .zpimage-container figure img { width: 350px ; height: 304.50px ; } } @media (max-width: 991px) and (min-width: 768px) { [data-element-id="elm_uB7NjPSQ1RBKLMm-YqpHTw"] .zpimage-container figure img { width:723px ; height:629.01px ; } } @media (max-width: 767px) { [data-element-id="elm_uB7NjPSQ1RBKLMm-YqpHTw"] .zpimage-container figure img { width:415px ; height:361.05px ; } } [data-element-id="elm_uB7NjPSQ1RBKLMm-YqpHTw"].zpelem-image { border-radius:1px; } </style><div data-caption-color="" data-size-tablet="" data-size-mobile="" data-align="center" data-tablet-image-separate="false" data-mobile-image-separate="false" class="zpimage-container zpimage-align-center zpimage-size-fit zpimage-tablet-fallback-fit zpimage-mobile-fallback-fit hb-lightbox " data-lightbox-options="
                type:fullscreen,
                theme:dark"><figure role="none" class="zpimage-data-ref"><a class="zpimage-anchor" style="cursor:pointer;" href="javascript:;"><picture><img class="zpimage zpimage-style-none zpimage-space-none " src='https://cdn1.zohoecommerce.com/images/Blog-imagenes/Filtros-Deshidratadores/figura-6-25.jpg?storefront_domain=www.climasmonterrey.com' width="415" height="361.05" loading="lazy" size="fit" alt="" data-lightbox="true"/></picture></a></figure></div>
</div></div></div><div data-element-id="elm_ueCsrg5f4R-gukbtnVUriA" data-element-type="imagetext" class="zpelement zpelem-imagetext "><style> @media (min-width: 992px) { [data-element-id="elm_ueCsrg5f4R-gukbtnVUriA"] .zpimagetext-container figure img { width: 400px !important ; height: 304px !important ; } } @media (max-width: 991px) and (min-width: 768px) { [data-element-id="elm_ueCsrg5f4R-gukbtnVUriA"] .zpimagetext-container figure img { width:400px ; height:304px ; } } @media (max-width: 767px) { [data-element-id="elm_ueCsrg5f4R-gukbtnVUriA"] .zpimagetext-container figure img { width:400px ; height:304px ; } } [data-element-id="elm_ueCsrg5f4R-gukbtnVUriA"].zpelem-imagetext{ border-radius:1px; } </style><div data-size-tablet="" data-size-mobile="" data-align="right" data-tablet-image-separate="false" data-mobile-image-separate="false" class="zpimagetext-container zpimage-with-text-container zpimage-align-right zpimage-size-original zpimage-tablet-fallback-original zpimage-mobile-fallback-original hb-lightbox " data-lightbox-options="
            type:fullscreen,
            theme:dark"><figure role="none" class="zpimage-data-ref"><a class="zpimage-anchor" style="cursor:pointer;" href="javascript:;"><picture><img class="zpimage zpimage-style-none zpimage-space-none " src="https://cdn1.zohoecommerce.com/images/Blog-imagenes/Filtros-Deshidratadores/figura-6-26.jpg?storefront_domain=www.climasmonterrey.com" width="400" height="304" loading="lazy" size="original" alt="" data-lightbox="true"/></picture></a></figure><div class="zpimage-text zpimage-text-align-left " data-editor="true"><div style="color:inherit;"><div style="font-size:13px;"><span style="font-size:16px;">En realidad, más importante que la ubicación física del bulbo alrededor de la tubería es el contacto térmico entre el bulbo y la línea de succión; así como el diseño de la tubería de succión. Asegúrese de fijar bien las abrazaderas, de modo que el bulbo remoto haga buen contacto con la línea de succión, sin apretar en exceso para no dañar el bulbo. Nunca se debe instalar el bulbo en la parte inferior de la línea de succión; es decir, a las 6 en punto del reloj, porque en esta ubicación puede sentir la temperatura del aceite, el cual fluye por el fondo de la línea horizontal y su temperatura puede ser diferente que la del gas, lo que ocasionará que la válvula opere erráticamente. Si el bulbo se coloca fuera del espacio refrigerado, se requiere protección adicional de la temperatura ambiente. Si es necesario proteger al bulbo remoto del efecto de una corriente de aire, después de fijarlo con las abrazaderas en la línea, utilice un material aislante que no absorba agua con temperaturas del evaporador arriba de 0°C. Para temperaturas menores de 0°C, se sugiere emplear corcho o algún material similar sellante contra la humedad, para prevenir la acumulación del hielo en la ubicación del bulbo. No se recomienda el uso de fieltro. Cuando el bulbo se vaya a ubicar bajo el nivel de agua o salmuera en un serpentín sumergido, utilice un material a prueba de agua que no requiera calentarse arriba de 50°C al aplicarlo, esto para proteger el bulbo remoto y el tubo del bulbo. Nunca aplique calor cerca de la ubicación del bulbo sin antes retirarlo.</span></div><div style="font-size:13px;">&nbsp;</div><div style="font-size:13px;"><span style="font-size:16px;">Debe asegurarse también que el tramo de la línea de succión donde va ubicado el bulbo, tenga una ligera pendiente para que haya un libre drenaje. De la misma manera, el bulbo no debe ubicarse donde exista una trampa en la línea de succión. Si el evaporador o varios evaporadores están instalados en un nivel más alto que el compresor, existen dos maneras de hacer el arreglo de la tubería, como se muestra en la&nbsp;<em>figura 6.26</em>. Si el sistema cuenta con un control de vaciado del evaporador por medio del uso de una válvula solenoide (pump down), se puede conectar la línea de succión directamente abajo del compresor, sin la trampa. Si no se cuenta con el control de vaciado, la línea de succión deberá tener una trampa después del bulbo, antes de subir verticalmente a otra trampa invertida, aproximadamente a la misma altura del evaporador. Esto es con el objeto de evitar que el refrigerante o el aceite drenen hacia el compresor por gravedad durante los ciclos de paro. Esto no evita que durante los ciclos de paro el refrigerante abandone el evaporador y se condense en el compresor, si éste o la línea de succión están a más baja temperatura.</span></div></div></div>
</div></div><div data-element-id="elm_2sa90yQOY3Yev51-GGGdmw" data-element-type="text" class="zpelement zpelem-text "><style> [data-element-id="elm_2sa90yQOY3Yev51-GGGdmw"].zpelem-text{ border-radius:1px; } </style><div class="zptext zptext-align-left " data-editor="true"><p><span style="color:inherit;"><span style="font-size:16px;">Cuando los evaporadores están por abajo del nivel del compresor, deberá hacerse una trampa antes de subir verticalmente, y la conexión a la línea de succión principal deberá ser por la parte de arriba, como se muestra en la&nbsp;</span><em style="font-size:16px;">figura 6.22</em><span style="font-size:16px;">. Cuando hay evaporadores arriba y abajo del compresor, el arreglo de la tubería deberá hacerse, de tal manera que el flujo de una válvula no afecte al bulbo de otra válvula, como se indica en la</span><em style="font-size:16px;">&nbsp;figura 6.27</em><span style="font-size:16px;">.</span></span><br></p></div>
</div><div data-element-id="elm_G9mh6Wd7HOeo-Cqrnb8ZXw" data-element-type="row" class="zprow zpalign-items-flex-start zpjustify-content-flex-start zpdefault-section zpdefault-section-bg "><style type="text/css"> [data-element-id="elm_G9mh6Wd7HOeo-Cqrnb8ZXw"].zprow{ border-radius:1px; } </style><div data-element-id="elm_d-n7g0dFnBVl78bp7B7gLA" data-element-type="column" class="zpelem-col zpcol-12 zpcol-md-6 zpcol-sm-12 zpalign-self- zpdefault-section zpdefault-section-bg "><style type="text/css"> [data-element-id="elm_d-n7g0dFnBVl78bp7B7gLA"].zpelem-col{ border-radius:1px; } </style><div data-element-id="elm_njvkFVBIsdxjqVjqOqpotA" data-element-type="image" class="zpelement zpelem-image "><style> @media (min-width: 992px) { [data-element-id="elm_njvkFVBIsdxjqVjqOqpotA"] .zpimage-container figure img { width: 400px !important ; height: 280px !important ; } } @media (max-width: 991px) and (min-width: 768px) { [data-element-id="elm_njvkFVBIsdxjqVjqOqpotA"] .zpimage-container figure img { width:400px ; height:280px ; } } @media (max-width: 767px) { [data-element-id="elm_njvkFVBIsdxjqVjqOqpotA"] .zpimage-container figure img { width:400px ; height:280px ; } } [data-element-id="elm_njvkFVBIsdxjqVjqOqpotA"].zpelem-image { border-radius:1px; } </style><div data-caption-color="" data-size-tablet="" data-size-mobile="" data-align="center" data-tablet-image-separate="false" data-mobile-image-separate="false" class="zpimage-container zpimage-align-center zpimage-size-original zpimage-tablet-fallback-original zpimage-mobile-fallback-original hb-lightbox " data-lightbox-options="
                type:fullscreen,
                theme:dark"><figure role="none" class="zpimage-data-ref"><a class="zpimage-anchor" style="cursor:pointer;" href="javascript:;"><picture><img class="zpimage zpimage-style-none zpimage-space-none " src='https://cdn1.zohoecommerce.com/figura-6-22.jpg?storefront_domain=www.climasmonterrey.com' width="400" height="280" loading="lazy" size="original" alt="" data-lightbox="true"/></picture></a></figure></div>
</div></div><div data-element-id="elm_5lbBkqPToQNvZsCsmJuR6w" data-element-type="column" class="zpelem-col zpcol-12 zpcol-md-6 zpcol-sm-12 zpalign-self- zpdefault-section zpdefault-section-bg "><style type="text/css"> [data-element-id="elm_5lbBkqPToQNvZsCsmJuR6w"].zpelem-col{ border-radius:1px; } </style><div data-element-id="elm_2yZ94z3bHzfs1O8gBiZlww" data-element-type="image" class="zpelement zpelem-image "><style> @media (min-width: 992px) { [data-element-id="elm_2yZ94z3bHzfs1O8gBiZlww"] .zpimage-container figure img { width: 400px !important ; height: 339px !important ; } } @media (max-width: 991px) and (min-width: 768px) { [data-element-id="elm_2yZ94z3bHzfs1O8gBiZlww"] .zpimage-container figure img { width:400px ; height:339px ; } } @media (max-width: 767px) { [data-element-id="elm_2yZ94z3bHzfs1O8gBiZlww"] .zpimage-container figure img { width:400px ; height:339px ; } } [data-element-id="elm_2yZ94z3bHzfs1O8gBiZlww"].zpelem-image { border-radius:1px; } </style><div data-caption-color="" data-size-tablet="" data-size-mobile="" data-align="center" data-tablet-image-separate="false" data-mobile-image-separate="false" class="zpimage-container zpimage-align-center zpimage-size-original zpimage-tablet-fallback-original zpimage-mobile-fallback-original hb-lightbox " data-lightbox-options="
                type:fullscreen,
                theme:dark"><figure role="none" class="zpimage-data-ref"><a class="zpimage-anchor" style="cursor:pointer;" href="javascript:;"><picture><img class="zpimage zpimage-style-none zpimage-space-none " src='https://cdn1.zohoecommerce.com/images/Blog-imagenes/Filtros-Deshidratadores/figura-6-27.jpg?storefront_domain=www.climasmonterrey.com' width="400" height="339" loading="lazy" size="original" alt="" data-lightbox="true"/></picture></a></figure></div>
</div></div></div><div data-element-id="elm_yGp_pbWHZb0PhUn62R2f-Q" data-element-type="imageheadingtext" class="zpelement zpelem-imageheadingtext "><style> @media (min-width: 992px) { [data-element-id="elm_yGp_pbWHZb0PhUn62R2f-Q"] .zpimageheadingtext-container figure img { width: 369.1px !important ; height: 179px !important ; } } @media (max-width: 991px) and (min-width: 768px) { [data-element-id="elm_yGp_pbWHZb0PhUn62R2f-Q"] .zpimageheadingtext-container figure img { width:369.1px ; height:179px ; } } @media (max-width: 767px) { [data-element-id="elm_yGp_pbWHZb0PhUn62R2f-Q"] .zpimageheadingtext-container figure img { width:369.1px ; height:179px ; } } [data-element-id="elm_yGp_pbWHZb0PhUn62R2f-Q"].zpelem-imageheadingtext{ border-radius:1px; } </style><div data-size-tablet="" data-size-mobile="" data-align="left" data-tablet-image-separate="false" data-mobile-image-separate="false" class="zpimageheadingtext-container zpimage-with-text-container zpimage-align-left zpimage-size-custom zpimage-tablet-fallback-custom zpimage-mobile-fallback-custom hb-lightbox " data-lightbox-options="
            type:fullscreen,
            theme:dark"><figure role="none" class="zpimage-data-ref"><a class="zpimage-anchor" style="cursor:pointer;" href="javascript:;"><picture><img class="zpimage zpimage-style-none zpimage-space-none " src='https://cdn1.zohoecommerce.com/images/Blog-imagenes/Filtros-Deshidratadores/figura-6-28.jpg?storefront_domain=www.climasmonterrey.com' data-src="/images/Blog-imagenes/Filtros-Deshidratadores/figura-6-28.jpg" width="369.1" height="179" loading="lazy" size="custom" alt="" data-lightbox="true"/></picture></a></figure><div class="zpimage-headingtext-container"><h3 class="zpimage-heading zpimage-text-align-left" data-editor="true"><span style="font-size:20px;"><b>Termo pozo</b></span><span style="font-size:20px;"><b><span style="color:rgba(0, 0, 0, 0);">&nbsp;</span><span style="color:rgb(0, 0, 0);">Para Bulbo Remoto</span></b></span></h3><div class="zpimage-text zpimage-text-align-left " data-editor="true"><p><span style="color:inherit;font-size:16px;">Cuando se quiera incrementar la sensibilidad del bulbo remoto a un cambio en la temperatura del gas refrigerante proveniente del evaporador, puede ser necesario utilizar un </span><span style="font-size:16px;">termo pozo</span><span style="color:inherit;font-size:16px;">&nbsp;para el bulbo remoto. Esto es particularmente cierto para instalaciones compactas e instalaciones con líneas de succión grandes (2-1/8&quot; diámetro ext. o más grandes). Los </span><span style="font-size:16px;">termo pozos</span><span style="color:inherit;font-size:16px;">&nbsp;para bulbo remoto deberán usarse: (1) cuando se desean sobrecalentamientos muy bajos y (2) cuando el calor por convección de un cuarto caliente puede influenciar el bulbo remoto. (Ver&nbsp;</span><em style="color:inherit;font-size:16px;">figura 6.28</em><span style="color:inherit;font-size:16px;">).</span><br></p></div>
</div></div></div><div data-element-id="elm_-2IVkWy7PxbCWaIZa1ZXdA" data-element-type="row" class="zprow zpalign-items-flex-start zpjustify-content-flex-start zpdefault-section zpdefault-section-bg "><style type="text/css"> [data-element-id="elm_-2IVkWy7PxbCWaIZa1ZXdA"].zprow{ border-radius:1px; } </style><div data-element-id="elm_Wy7pvTk5XBuznuOqB7ieig" data-element-type="column" class="zpelem-col zpcol-12 zpcol-md-4 zpcol-sm-12 zpalign-self- zpdefault-section zpdefault-section-bg "><style type="text/css"> [data-element-id="elm_Wy7pvTk5XBuznuOqB7ieig"].zpelem-col{ border-radius:1px; } </style><div data-element-id="elm_euNzJw-mnDunQeHc5TSAmw" data-element-type="image" class="zpelement zpelem-image "><style> [data-element-id="elm_euNzJw-mnDunQeHc5TSAmw"].zpelem-image { border-radius:1px; } </style><div data-caption-color="" data-size-tablet="" data-size-mobile="" data-align="center" data-tablet-image-separate="false" data-mobile-image-separate="false" class="zpimage-container zpimage-align-center zpimage-size-medium zpimage-tablet-fallback-medium zpimage-mobile-fallback-medium hb-lightbox " data-lightbox-options="
                type:fullscreen,
                theme:dark"><figure role="none" class="zpimage-data-ref"><a class="zpimage-anchor" style="cursor:pointer;" href="javascript:;"><picture><img class="zpimage zpimage-style-none zpimage-space-none " src='https://static.zohocdn.com/sites/stock-images/images/default.jpg' size="medium" alt="" data-lightbox="true"/></picture></a></figure></div>
</div></div><div data-element-id="elm_tbBr2yba-j0ZHaE3V3rF7w" data-element-type="column" class="zpelem-col zpcol-12 zpcol-md-4 zpcol-sm-12 zpalign-self- zpdefault-section zpdefault-section-bg "><style type="text/css"> [data-element-id="elm_tbBr2yba-j0ZHaE3V3rF7w"].zpelem-col{ border-radius:1px; } </style></div>
<div data-element-id="elm_s_X6P3Ucj51-risHtiPfjA" data-element-type="column" class="zpelem-col zpcol-12 zpcol-md-4 zpcol-sm-12 zpalign-self- zpdefault-section zpdefault-section-bg "><style type="text/css"> [data-element-id="elm_s_X6P3Ucj51-risHtiPfjA"].zpelem-col{ border-radius:1px; } </style></div>
</div></div></div></div></div></div> ]]></content:encoded><pubDate>Tue, 12 Sep 2023 09:23:56 -0600</pubDate></item><item><title><![CDATA[¿Cuál es la Ubicación del Igualador Externo?]]></title><link>https://www.climasmonterrey.com/blogs/post/cual-es-la-ubicacion-del-igualador-externo</link><description><![CDATA[Como se mencionó anteriormente, la línea del igualador externo deberá instalarse en la línea de succión, más allá del punto de mayor caída de presión. ]]></description><content:encoded><![CDATA[
<div class="zpcontent-container blogpost-container "><div data-element-id="elm_CyRjVr6iS-e6T6nlMsCgQQ" data-element-type="section" class="zpsection "><style type="text/css"></style><div class="zpcontainer"><div data-element-id="elm_G6PrB1dJQr2N_H8YwhQFRQ" data-element-type="row" class="zprow zpalign-items- zpjustify-content- "><style type="text/css"></style><div data-element-id="elm_rCahYDJ3TZ6sLz49lqsVgw" data-element-type="column" class="zpelem-col zpcol-12 zpcol-md-12 zpcol-sm-12 zpalign-self- "><style type="text/css"></style><div data-element-id="elm_VzqBJA6Leh4vo7Zpuy98xQ" data-element-type="heading" class="zpelement zpelem-heading "><style> [data-element-id="elm_VzqBJA6Leh4vo7Zpuy98xQ"].zpelem-heading { border-radius:1px; } </style><h2
 class="zpheading zpheading-style-none zpheading-align-left " data-editor="true"><span style="color:inherit;"><span style="font-weight:600;font-size:20px;">Ubicación del Igualador Externo</span></span></h2></div>
<div data-element-id="elm_4wgpY0BF-x31LqueeXzLQg" data-element-type="text" class="zpelement zpelem-text "><style> [data-element-id="elm_4wgpY0BF-x31LqueeXzLQg"].zpelem-text{ border-radius:1px; } </style><div class="zptext zptext-align-left " data-editor="true"><p><span style="color:inherit;"><span style="font-size:16px;">Como se mencionó anteriormente, la línea del igualador externo deberá instalarse en la línea de succión, más allá del punto de mayor caída de presión. Puesto que puede ser difícil determinar este punto, como regla general, es más seguro conectar la línea del igualador externo en la línea de succión a la salida del evaporador, junto al bulbo remoto, del lado del compresor (ver&nbsp;</span><em style="font-size:16px;">figuras 6.17</em><span style="font-size:16px;">&nbsp;y&nbsp;</span><em style="font-size:16px;">6.18</em><span style="font-size:16px;">). De esta forma, la temperatura del bulbo no se verá afectada por la pequeña cantidad de refrigerante que pueda estar presente en la línea del igualador, en caso de una pequeña fuga por el empaque de las varillas de empuje. Cuando se instala en este punto, se evitará cualquier efecto de caída de presión entre la salida de la válvula y la línea de succión. Cuando se conecte el igualador externo a una línea de succión horizontal, siempre se debe hacer en la parte superior, para evitar acumulación de aceite en la línea del igualador.</span></span><br></p></div>
</div><div data-element-id="elm_ZOuDrC7fz2hTcs-lDFVRBg" data-element-type="row" class="zprow zpalign-items-flex-start zpjustify-content-flex-start zpdefault-section zpdefault-section-bg "><style type="text/css"> [data-element-id="elm_ZOuDrC7fz2hTcs-lDFVRBg"].zprow{ border-radius:1px; } </style><div data-element-id="elm_D8pS1ImWoiedPkyRAEDI9g" data-element-type="column" class="zpelem-col zpcol-12 zpcol-md-6 zpcol-sm-12 zpalign-self- zpdefault-section zpdefault-section-bg "><style type="text/css"> [data-element-id="elm_D8pS1ImWoiedPkyRAEDI9g"].zpelem-col{ border-radius:1px; } </style><div data-element-id="elm_KZzhT4KBiEZZMR3kYXF4uA" data-element-type="image" class="zpelement zpelem-image "><style> @media (min-width: 992px) { [data-element-id="elm_KZzhT4KBiEZZMR3kYXF4uA"] .zpimage-container figure img { width: 400px !important ; height: 373px !important ; } } @media (max-width: 991px) and (min-width: 768px) { [data-element-id="elm_KZzhT4KBiEZZMR3kYXF4uA"] .zpimage-container figure img { width:400px ; height:373px ; } } @media (max-width: 767px) { [data-element-id="elm_KZzhT4KBiEZZMR3kYXF4uA"] .zpimage-container figure img { width:400px ; height:373px ; } } [data-element-id="elm_KZzhT4KBiEZZMR3kYXF4uA"].zpelem-image { border-radius:1px; } </style><div data-caption-color="" data-size-tablet="" data-size-mobile="" data-align="center" data-tablet-image-separate="false" data-mobile-image-separate="false" class="zpimage-container zpimage-align-center zpimage-size-original zpimage-tablet-fallback-original zpimage-mobile-fallback-original hb-lightbox " data-lightbox-options="
                type:fullscreen,
                theme:dark"><figure role="none" class="zpimage-data-ref"><a class="zpimage-anchor" style="cursor:pointer;" href="javascript:;"><picture><img class="zpimage zpimage-style-none zpimage-space-none " src='https://cdn1.zohoecommerce.com/images/Blog-imagenes/Filtros-Deshidratadores/valvula-de-termo-expansion-con-igualador-externo-en-un.jpg?storefront_domain=www.climasmonterrey.com' width="400" height="373" loading="lazy" size="original" alt="" data-lightbox="true"/></picture></a></figure></div>
</div></div><div data-element-id="elm_PCTW-EFSfWSCVZEPJczCDA" data-element-type="column" class="zpelem-col zpcol-12 zpcol-md-6 zpcol-sm-12 zpalign-self- zpdefault-section zpdefault-section-bg "><style type="text/css"> [data-element-id="elm_PCTW-EFSfWSCVZEPJczCDA"].zpelem-col{ border-radius:1px; } </style><div data-element-id="elm_bvVkh0rK3Mov2sMX6bcOcA" data-element-type="image" class="zpelement zpelem-image "><style> @media (min-width: 992px) { [data-element-id="elm_bvVkh0rK3Mov2sMX6bcOcA"] .zpimage-container figure img { width: 400px !important ; height: 277px !important ; } } @media (max-width: 991px) and (min-width: 768px) { [data-element-id="elm_bvVkh0rK3Mov2sMX6bcOcA"] .zpimage-container figure img { width:400px ; height:277px ; } } @media (max-width: 767px) { [data-element-id="elm_bvVkh0rK3Mov2sMX6bcOcA"] .zpimage-container figure img { width:400px ; height:277px ; } } [data-element-id="elm_bvVkh0rK3Mov2sMX6bcOcA"].zpelem-image { border-radius:1px; } </style><div data-caption-color="" data-size-tablet="" data-size-mobile="" data-align="center" data-tablet-image-separate="false" data-mobile-image-separate="false" class="zpimage-container zpimage-align-center zpimage-size-original zpimage-tablet-fallback-original zpimage-mobile-fallback-original hb-lightbox " data-lightbox-options="
                type:fullscreen,
                theme:dark"><figure role="none" class="zpimage-data-ref"><a class="zpimage-anchor" style="cursor:pointer;" href="javascript:;"><picture><img class="zpimage zpimage-style-none zpimage-space-none " src='https://cdn1.zohoecommerce.com/images/Blog-imagenes/Filtros-Deshidratadores/valvula-refrigerante-usado.jpg?storefront_domain=www.climasmonterrey.com' width="400" height="277" loading="lazy" size="original" alt="" data-lightbox="true"/></picture></a></figure></div>
</div></div></div><div data-element-id="elm_r5udytbmipR8iLsxhsQH2w" data-element-type="text" class="zpelement zpelem-text "><style> [data-element-id="elm_r5udytbmipR8iLsxhsQH2w"].zpelem-text{ border-radius:1px; } </style><div class="zptext zptext-align-left " data-editor="true"><p><span style="color:inherit;"><span style="font-size:16px;">Cuando se sabe que la caída de presión a través del evaporador, está dentro de los límites definidos en la&nbsp;</span><em style="font-size:16px;">tabla 6.19</em><span style="font-size:16px;">, se permite instalar la conexión del igualador externo en uno de los dobleces de retorno, a la mitad del evaporador. Tal ubicación del igualador, proporcionará un control más suave de la válvula, particularmente cuando la válvula de termo expansión se usa en conjunto con un regulador de presión del evaporador. Sin embargo, en todos los casos donde se instale cualquier tipo de válvula de control en la línea de succión, la conexión del igualador externo NUNCA deberá ubicarse después de tal dispositivo, sino que deberá conectarse del lado del evaporador de esa válvula o control. Una conexión ubicada incorrectamente, interferirá seriamente con la operación eficiente de la válvula de termo expansión.</span></span><br></p></div>
</div><div data-element-id="elm_sfGUDB4lsXPbFIzYwRtQ5Q" data-element-type="imagetext" class="zpelement zpelem-imagetext "><style> @media (min-width: 992px) { [data-element-id="elm_sfGUDB4lsXPbFIzYwRtQ5Q"] .zpimagetext-container figure img { width: 600px !important ; height: 260px !important ; } } @media (max-width: 991px) and (min-width: 768px) { [data-element-id="elm_sfGUDB4lsXPbFIzYwRtQ5Q"] .zpimagetext-container figure img { width:600px ; height:260px ; } } @media (max-width: 767px) { [data-element-id="elm_sfGUDB4lsXPbFIzYwRtQ5Q"] .zpimagetext-container figure img { width:600px ; height:260px ; } } [data-element-id="elm_sfGUDB4lsXPbFIzYwRtQ5Q"].zpelem-imagetext{ border-radius:1px; } </style><div data-size-tablet="" data-size-mobile="" data-align="left" data-tablet-image-separate="false" data-mobile-image-separate="false" class="zpimagetext-container zpimage-with-text-container zpimage-align-left zpimage-size-original zpimage-tablet-fallback-original zpimage-mobile-fallback-original hb-lightbox " data-lightbox-options="
            type:fullscreen,
            theme:dark"><figure role="none" class="zpimage-data-ref"><a class="zpimage-anchor" style="cursor:pointer;" href="javascript:;"><picture><img class="zpimage zpimage-style-none zpimage-space-none " src="https://cdn1.zohoecommerce.com/images/Blog-imagenes/Filtros-Deshidratadores/maximas-caidas-sde-presion.jpg?storefront_domain=www.climasmonterrey.com" width="600" height="260" loading="lazy" size="original" alt="" data-lightbox="true"/></picture></a></figure><div class="zpimage-text zpimage-text-align-left " data-editor="true"><p><span style="color:inherit;"><span style="font-size:16px;">Cuando se sabe que la caída de presión a través del evaporador, está dentro de los límites definidos en la&nbsp;</span><em style="font-size:16px;">tabla 6.19</em><span style="font-size:16px;">, se permite instalar la conexión del igualador externo en uno de los dobleces de retorno, a la mitad del evaporador. Tal ubicación del igualador, proporcionará un control más suave de la válvula, particularmente cuando la válvula de termo expansión se usa en conjunto con un regulador de presión del evaporador. Sin embargo, en todos los casos donde se instale cualquier tipo de válvula de control en la línea de succión, la conexión del igualador externo NUNCA deberá ubicarse después de tal dispositivo, sino que deberá conectarse del lado del evaporador de esa válvula o control. Una conexión ubicada incorrectamente, interferirá seriamente con la operación eficiente de la válvula de termo expansión.</span></span><br></p></div>
</div></div><div data-element-id="elm_BJs0APcZmacn4hFRilYbPA" data-element-type="text" class="zpelement zpelem-text "><style> [data-element-id="elm_BJs0APcZmacn4hFRilYbPA"].zpelem-text{ border-radius:1px; } </style><div class="zptext zptext-align-left " data-editor="true"><div style="color:inherit;"><div style="font-size:13px;"><span style="font-size:16px;">Una válvula de tipo con igualador externo, no operará correctamente, si no va conectada a la línea del igualador. Cuando se instale una válvula con igualador externo conecte la línea, NUNCA coloque un tapón en la conexión del igualador.</span></div><div style="font-size:13px;">&nbsp;</div><div style="font-size:13px;"><span style="font-size:16px;">En sistemas de evaporadores múltiples, donde cada evaporador es alimentado individualmente por una válvula de termo expansión, los igualadores externos de esas válvulas, NUNCA se deben unir en una línea común y conectarse a la línea de succión principal. La línea del igualador externo de cada válvula, deberá instalarse en un punto donde los cambios de presión no afecten el funcionamiento de esa válvula, como se muestra en la&nbsp;<em>figura 6.20</em>. Si las líneas de succión desde la salida de cada evaporador hasta la succión principal, son muy cortas, entonces se recomienda conectar las líneas del igualador al cabezal de succión de su respectivo evaporador.</span></div></div></div>
</div><div data-element-id="elm_vooVqpNrXwodUZ2rckm9gA" data-element-type="imagetext" class="zpelement zpelem-imagetext "><style> @media (min-width: 992px) { [data-element-id="elm_vooVqpNrXwodUZ2rckm9gA"] .zpimagetext-container figure img { width: 401px !important ; height: 419.45px !important ; } } @media (max-width: 991px) and (min-width: 768px) { [data-element-id="elm_vooVqpNrXwodUZ2rckm9gA"] .zpimagetext-container figure img { width:401px ; height:419.45px ; } } @media (max-width: 767px) { [data-element-id="elm_vooVqpNrXwodUZ2rckm9gA"] .zpimagetext-container figure img { width:401px ; height:419.45px ; } } [data-element-id="elm_vooVqpNrXwodUZ2rckm9gA"].zpelem-imagetext{ border-radius:1px; } </style><div data-size-tablet="" data-size-mobile="" data-align="left" data-tablet-image-separate="false" data-mobile-image-separate="false" class="zpimagetext-container zpimage-with-text-container zpimage-align-left zpimage-size-original zpimage-tablet-fallback-original zpimage-mobile-fallback-original hb-lightbox " data-lightbox-options="
            type:fullscreen,
            theme:dark"><figure role="none" class="zpimage-data-ref"><a class="zpimage-anchor" style="cursor:pointer;" href="javascript:;"><picture><img class="zpimage zpimage-style-none zpimage-space-none " src="https://cdn1.zohoecommerce.com/images/Blog-imagenes/Filtros-Deshidratadores/ubicacion-correcta-de-los.jpg?storefront_domain=www.climasmonterrey.com" width="401" height="419.45" loading="lazy" size="original" alt="" data-lightbox="true"/></picture></a></figure><div class="zpimage-text zpimage-text-align-left " data-editor="true"><p><span style="color:inherit;font-size:16px;">Si en la situación anterior, el compresor cuenta con control de capacidad, entonces puede hacerse una excepción y las líneas de los igualadores de cada válvula pueden unirse en una línea común, y conectarse a la succión principal, como se muestra en la</span><em style="color:inherit;font-size:16px;">&nbsp;figura 6.21</em><span style="color:inherit;font-size:16px;">. Las válvulas de solenoide instaladas antes de las válvulas de expansión, están conectadas eléctricamente al sistema de control de capacidad del compresor, de tal manera que conforme se va reduciendo la capacidad del compresor, estas se van </span><span style="font-size:16px;">des energizando</span><span style="color:inherit;font-size:16px;">, quedando en operación únicamente las necesarias de acuerdo al porcentaje de capacidad a que esté operando el compresor. Al incrementarse la capacidad del compresor, se van energizando las válvulas de solenoide, permitiendo el paso de refrigerante a los otros evaporadores, como se muestra en la&nbsp;</span><em style="color:inherit;font-size:16px;">figura 6.21</em><span style="color:inherit;font-size:16px;">. Dependiendo de los porcentajes de reducción de capacidad y del número de evaporadores, se pueden hacer muchos arreglos y combinaciones a este sistema.</span><br></p><p><span style="color:inherit;font-size:16px;"><br></span></p><p><span style="color:inherit;font-size:16px;"><br></span></p></div>
</div></div><div data-element-id="elm_uyFDuuKpYj566KNJkOEz0w" data-element-type="imagetext" class="zpelement zpelem-imagetext "><style> @media (min-width: 992px) { [data-element-id="elm_uyFDuuKpYj566KNJkOEz0w"] .zpimagetext-container figure img { width: 441.76px !important ; height: 307px !important ; } } @media (max-width: 991px) and (min-width: 768px) { [data-element-id="elm_uyFDuuKpYj566KNJkOEz0w"] .zpimagetext-container figure img { width:441.76px ; height:307px ; } } @media (max-width: 767px) { [data-element-id="elm_uyFDuuKpYj566KNJkOEz0w"] .zpimagetext-container figure img { width:441.76px ; height:307px ; } } [data-element-id="elm_uyFDuuKpYj566KNJkOEz0w"].zpelem-imagetext{ border-radius:1px; } </style><div data-size-tablet="" data-size-mobile="" data-align="right" data-tablet-image-separate="false" data-mobile-image-separate="false" class="zpimagetext-container zpimage-with-text-container zpimage-align-right zpimage-size-custom zpimage-tablet-fallback-custom zpimage-mobile-fallback-custom hb-lightbox " data-lightbox-options="
            type:fullscreen,
            theme:dark"><figure role="none" class="zpimage-data-ref"><a class="zpimage-anchor" style="cursor:pointer;" href="javascript:;"><picture><img class="zpimage zpimage-style-none zpimage-space-none " src="https://cdn1.zohoecommerce.com/instalacion-recomendada-en-sistemas.jpg?storefront_domain=www.climasmonterrey.com" width="441.76" height="307" loading="lazy" size="custom" alt="" data-lightbox="true"/></picture></a></figure><div class="zpimage-text zpimage-text-align-left " data-editor="true"><p><span style="color:inherit;"><span style="font-size:16px;">En la&nbsp;</span><em style="font-size:16px;">figura 6.22</em><span style="font-size:16px;">, se muestra otra variante de este método. Dos válvulas de termo expansión con sus respectivos distribuidores, alimentan un solo evaporador. Cada circuito del evaporador está alimentado por dos circuitos de los distribuidores (uno de cada distribuidor). Las válvulas de solenoide están conectadas al sistema de modulación de capacidad del compresor, y son accionadas eléctricamente al variar éste.</span></span><br></p></div>
</div></div><div data-element-id="elm_nipCYeI_bmOWOCt684HiVw" data-element-type="imagetext" class="zpelement zpelem-imagetext "><style> @media (min-width: 992px) { [data-element-id="elm_nipCYeI_bmOWOCt684HiVw"] .zpimagetext-container figure img { width: 461.49px !important ; height: 323px !important ; } } @media (max-width: 991px) and (min-width: 768px) { [data-element-id="elm_nipCYeI_bmOWOCt684HiVw"] .zpimagetext-container figure img { width:461.49px ; height:323px ; } } @media (max-width: 767px) { [data-element-id="elm_nipCYeI_bmOWOCt684HiVw"] .zpimagetext-container figure img { width:461.49px ; height:323px ; } } [data-element-id="elm_nipCYeI_bmOWOCt684HiVw"].zpelem-imagetext{ border-radius:1px; } </style><div data-size-tablet="" data-size-mobile="" data-align="left" data-tablet-image-separate="false" data-mobile-image-separate="false" class="zpimagetext-container zpimage-with-text-container zpimage-align-left zpimage-size-custom zpimage-tablet-fallback-custom zpimage-mobile-fallback-custom hb-lightbox " data-lightbox-options="
            type:fullscreen,
            theme:dark"><figure role="none" class="zpimage-data-ref"><a class="zpimage-anchor" style="cursor:pointer;" href="javascript:;"><picture><img class="zpimage zpimage-style-none zpimage-space-none " src="https://cdn1.zohoecommerce.com/images/Blog-imagenes/Filtros-Deshidratadores/un-solo-evaporador.jpg?storefront_domain=www.climasmonterrey.com" width="461.49" height="323" loading="lazy" size="custom" alt="" data-lightbox="true"/></picture></a></figure><div class="zpimage-text zpimage-text-align-left " data-editor="true"><p><span style="color:inherit;"><span style="font-size:16px;">Habrá algunos casos en que la línea del igualador externo, esté conectada en alguna de las vueltas del centro del serpentín o en la entrada del evaporador. Esto lo determinará el fabricante del evaporador o de la unidad, y es solamente el resultado de pruebas operacionales, buscando una posición donde la válvula tenga un mejor control y que sea más eficiente. No deberá intentarse hacer esto al ensamblar un sistema en el campo.</span></span><br></p></div>
</div></div></div></div></div></div></div> ]]></content:encoded><pubDate>Tue, 12 Sep 2023 09:21:55 -0600</pubDate></item><item><title><![CDATA[¿Cuáles son los Usos del Igualador Externo?]]></title><link>https://www.climasmonterrey.com/blogs/post/cuales-son-las-aplicaciones-del-igualador-externo</link><description><![CDATA[A fin de compensar una caída de presión excesiva a través del evaporador, la válvula de termo expansión tiene que ser del tipo con igualador externo, ]]></description><content:encoded><![CDATA[
<div class="zpcontent-container blogpost-container "><div data-element-id="elm_tWt0DO9QQxGhkQTcFx7eMg" data-element-type="section" class="zpsection "><style type="text/css"></style><div class="zpcontainer"><div data-element-id="elm_Vj9OmpOrQBOI3JIcukFudA" data-element-type="row" class="zprow zpalign-items- zpjustify-content- "><style type="text/css"></style><div data-element-id="elm__2x5668zSqWXPm-VI4BR1w" data-element-type="column" class="zpelem-col zpcol-12 zpcol-md-12 zpcol-sm-12 zpalign-self- "><style type="text/css"></style><div data-element-id="elm_9DHkFRZhbNm8V0dMwiiZ3g" data-element-type="heading" class="zpelement zpelem-heading "><style> [data-element-id="elm_9DHkFRZhbNm8V0dMwiiZ3g"].zpelem-heading { border-radius:1px; } </style><h2
 class="zpheading zpheading-style-none zpheading-align-left " data-editor="true"><span style="color:inherit;"><span style="font-weight:600;font-size:13px;"><span style="font-size:20px;">Usos del Igualador Externo</span></span></span></h2></div>
<div data-element-id="elm_yfvmy1YqDMi1Fy9p9-sVuQ" data-element-type="imagetext" class="zpelement zpelem-imagetext "><style> @media (min-width: 992px) { [data-element-id="elm_yfvmy1YqDMi1Fy9p9-sVuQ"] .zpimagetext-container figure img { width: 325.2px !important ; height: 281px !important ; } } @media (max-width: 991px) and (min-width: 768px) { [data-element-id="elm_yfvmy1YqDMi1Fy9p9-sVuQ"] .zpimagetext-container figure img { width:325.2px ; height:281px ; } } @media (max-width: 767px) { [data-element-id="elm_yfvmy1YqDMi1Fy9p9-sVuQ"] .zpimagetext-container figure img { width:325.2px ; height:281px ; } } [data-element-id="elm_yfvmy1YqDMi1Fy9p9-sVuQ"].zpelem-imagetext{ border-radius:1px; } </style><div data-size-tablet="" data-size-mobile="" data-align="left" data-tablet-image-separate="false" data-mobile-image-separate="false" class="zpimagetext-container zpimage-with-text-container zpimage-align-left zpimage-size-custom zpimage-tablet-fallback-custom zpimage-mobile-fallback-custom hb-lightbox " data-lightbox-options="
            type:fullscreen,
            theme:dark"><figure role="none" class="zpimage-data-ref"><a class="zpimage-anchor" style="cursor:pointer;" href="javascript:;"><picture><img class="zpimage zpimage-style-none zpimage-space-none " src="https://cdn1.zohoecommerce.com/images/Blog-imagenes/Filtros-Deshidratadores/intercambiador-de-calor.jpg?storefront_domain=www.climasmonterrey.com" width="325.2" height="281" loading="lazy" size="custom" alt="" data-lightbox="true"/></picture></a></figure><div class="zpimage-text zpimage-text-align-left " data-editor="true"><div style="color:inherit;"><div style="font-size:13px;"><span style="font-size:16px;">A fin de compensar una caída de presión excesiva a través del evaporador, la válvula de termo expansión tiene que ser del tipo con igualador externo, con la línea del igualador conectada ya sea en el evaporador en un punto más allá de la mayor caída de presión, o en la línea de succión, junto al bulbo remoto del lado del compresor. En general, y como un método práctico, la línea del igualador deberá conectarse a la línea de succión a la salida del evaporador. Si se usa una válvula de termo expansión del tipo con igualador externo, con la línea del igualador conectada a la línea de succión, se ejercerá la verdadera presión de la salida del evaporador debajo del diafragma de la termo válvula. Las presiones de operación sobre el diafragma de la válvula, ahora están libres de cualquier efecto de caída de presión a través del evaporador, y la termo válvula responderá al sobrecalentamiento del gas refrigerante que sale del evaporador.</span></div><div style="font-size:13px;">&nbsp;&nbsp;&nbsp;&nbsp;</div><div style="font-size:13px;"><span style="font-size:16px;">Cuando existen las mismas condiciones de caída de presión en un sistema con una válvula de termo expansión, la cual tiene la característica de igualador externo (ver&nbsp;<em>figura 6.17</em>), existe la misma caída de presión a través del evaporador; sin embargo, la presión abajo del diafragma es ahora la misma que a la salida del evaporador, punto &quot;C&quot;, es decir, 33 psig. La presión requerida arriba del diafragma para el equilibrio es de 33 + 10, o sea 43 psig. Esta presión de 43 psig, corresponde a una temperatura de saturación de -7°C y el sobrecalentamiento requerido ahora es de (-7) (-12) = 5°. El uso de un igualador externo ha reducido el sobrecalentamiento de 10° a 5°. Por lo tanto, la capacidad de un sistema con un evaporador que presenta una caída de presión considerable, se incrementará mediante el uso de una válvula de termo expansión con igualador externo, en comparación con el uso de una válvula igualada internamente.</span></div></div></div>
</div></div><div data-element-id="elm_RcVfn6Rcdb1rh9ChIXF78g" data-element-type="imagetext" class="zpelement zpelem-imagetext "><style> @media (min-width: 992px) { [data-element-id="elm_RcVfn6Rcdb1rh9ChIXF78g"] .zpimagetext-container figure img { width: 402.88px !important ; height: 279px !important ; } } @media (max-width: 991px) and (min-width: 768px) { [data-element-id="elm_RcVfn6Rcdb1rh9ChIXF78g"] .zpimagetext-container figure img { width:402.88px ; height:279px ; } } @media (max-width: 767px) { [data-element-id="elm_RcVfn6Rcdb1rh9ChIXF78g"] .zpimagetext-container figure img { width:402.88px ; height:279px ; } } [data-element-id="elm_RcVfn6Rcdb1rh9ChIXF78g"].zpelem-imagetext{ border-radius:1px; } </style><div data-size-tablet="" data-size-mobile="" data-align="right" data-tablet-image-separate="false" data-mobile-image-separate="false" class="zpimagetext-container zpimage-with-text-container zpimage-align-right zpimage-size-custom zpimage-tablet-fallback-custom zpimage-mobile-fallback-custom hb-lightbox " data-lightbox-options="
            type:fullscreen,
            theme:dark"><figure role="none" class="zpimage-data-ref"><a class="zpimage-anchor" style="cursor:pointer;" href="javascript:;"><picture><img class="zpimage zpimage-style-none zpimage-space-none " src="https://cdn1.zohoecommerce.com/images/Blog-imagenes/Filtros-Deshidratadores/valvula-de-termo-expansion-con-distribuidor.jpg?storefront_domain=www.climasmonterrey.com" width="402.88" height="279" loading="lazy" size="custom" alt="" data-lightbox="true"/></picture></a></figure><div class="zpimage-text zpimage-text-align-left " data-editor="true"><p><span style="color:inherit;"><span style="font-size:16px;">Cuando la caída de presión a través de un evaporador excede los límites previamente definidos, o cuando se utiliza un distribuidor de refrigerante a la entrada del evaporador, la válvula de termo expansión deberá tener la característica con igualador externo, para un mejor desempeño. Hasta este momento, los diagramas utilizados en esta sección han mostrado la válvula de termo expansión del tipo de una sola salida. Aunque un evaporador de circuitos múltiples en sí, puede no tener una caída de presión excesiva, el dispositivo usado para obtener la distribución del líquido, introducirá una caída de presión que limitará la acción de la termo válvula sin igualador externo, porque el distribuidor está instalado entre la salida de la válvula y la entrada del evaporador,&nbsp;</span><em style="font-size:16px;">figura 6.18.</em></span><br></p></div>
</div></div></div></div></div></div></div> ]]></content:encoded><pubDate>Tue, 12 Sep 2023 09:20:22 -0600</pubDate></item><item><title><![CDATA[¿Cuáles son los Principios de Operación?]]></title><link>https://www.climasmonterrey.com/blogs/post/cuales-son-los-principios-de-operacion</link><description><![CDATA[Observando detenidamente la &nbsp;figura 6.10 , se puede ver que el bulbo remoto está conectado a la parte superior de la VTE mediante un tubo capilar. ]]></description><content:encoded><![CDATA[
<div class="zpcontent-container blogpost-container "><div data-element-id="elm_5N-3MpHzS7GDUVb33aJHLg" data-element-type="section" class="zpsection "><style type="text/css"></style><div class="zpcontainer"><div data-element-id="elm_pMYrAAXhSwawf70WY7KPrA" data-element-type="row" class="zprow zpalign-items- zpjustify-content- "><style type="text/css"></style><div data-element-id="elm_CCJvm6e0T5aL_g1n3mxVAA" data-element-type="column" class="zpelem-col zpcol-12 zpcol-md-12 zpcol-sm-12 zpalign-self- "><style type="text/css"></style><div data-element-id="elm_H4dK79MLSD2Xs_YVAhKw0A" data-element-type="heading" class="zpelement zpelem-heading "><style></style><h2
 class="zpheading zpheading-align-center " data-editor="true"><span style="color:inherit;"><span style="font-weight:600;font-size:13px;"><span style="font-size:20px;">Principios de Operación</span></span></span></h2></div>
<div data-element-id="elm_OUlgb1cLzDbpsNrXc2kCZA" data-element-type="imagetext" class="zpelement zpelem-imagetext "><style> @media (min-width: 992px) { [data-element-id="elm_OUlgb1cLzDbpsNrXc2kCZA"] .zpimagetext-container figure img { width: 400px !important ; height: 282px !important ; } } @media (max-width: 991px) and (min-width: 768px) { [data-element-id="elm_OUlgb1cLzDbpsNrXc2kCZA"] .zpimagetext-container figure img { width:400px ; height:282px ; } } @media (max-width: 767px) { [data-element-id="elm_OUlgb1cLzDbpsNrXc2kCZA"] .zpimagetext-container figure img { width:400px ; height:282px ; } } [data-element-id="elm_OUlgb1cLzDbpsNrXc2kCZA"].zpelem-imagetext{ border-radius:1px; } </style><div data-size-tablet="" data-size-mobile="" data-align="left" data-tablet-image-separate="false" data-mobile-image-separate="false" class="zpimagetext-container zpimage-with-text-container zpimage-align-left zpimage-size-original zpimage-tablet-fallback-original zpimage-mobile-fallback-original hb-lightbox " data-lightbox-options="
            type:fullscreen,
            theme:dark"><figure role="none" class="zpimage-data-ref"><a class="zpimage-anchor" style="cursor:pointer;" href="javascript:;"><picture><img class="zpimage zpimage-style-none zpimage-space-none " src="https://cdn1.zohoecommerce.com/images/Blog-imagenes/Filtros-Deshidratadores/valvula-de-termo-expansion-instalada.jpg?storefront_domain=www.climasmonterrey.com" width="400" height="282" loading="lazy" size="original" alt="" data-lightbox="true"/></picture></a></figure><div class="zpimage-text zpimage-text-align-left " data-editor="true"><p><span style="color:inherit;"><span style="font-size:16px;">Observando detenidamente la</span><em style="font-size:16px;">&nbsp;figura 6.10</em><span style="font-size:16px;">, se puede ver que el bulbo remoto está conectado a la parte superior de la VTE mediante un tubo capilar. El bulbo se ubica en la línea de succión, justo a la salida del evaporador. El bulbo y el capilar contienen un fluido (carga) que puede ser líquido o gaseoso, el cual «siente» la temperatura del gas de succión que pasa por este punto. En esta posición, el bulbo y el fluido dentro de éste, tienen aproximadamente la misma temperatura del gas de succión. Los cambios de temperatura causan que aumente o disminuya la presión del fluido dentro del bulbo.</span></span><br></p></div>
</div></div><div data-element-id="elm_EQFYVbnhTpev1rhioYhd-Q" data-element-type="imagetext" class="zpelement zpelem-imagetext "><style> @media (min-width: 992px) { [data-element-id="elm_EQFYVbnhTpev1rhioYhd-Q"] .zpimagetext-container figure img { width: 367px !important ; height: 388.02px !important ; } } @media (max-width: 991px) and (min-width: 768px) { [data-element-id="elm_EQFYVbnhTpev1rhioYhd-Q"] .zpimagetext-container figure img { width:367px ; height:388.02px ; } } @media (max-width: 767px) { [data-element-id="elm_EQFYVbnhTpev1rhioYhd-Q"] .zpimagetext-container figure img { width:367px ; height:388.02px ; } } [data-element-id="elm_EQFYVbnhTpev1rhioYhd-Q"].zpelem-imagetext{ border-radius:1px; } </style><div data-size-tablet="" data-size-mobile="" data-align="right" data-tablet-image-separate="false" data-mobile-image-separate="false" class="zpimagetext-container zpimage-with-text-container zpimage-align-right zpimage-size-custom zpimage-tablet-fallback-custom zpimage-mobile-fallback-custom hb-lightbox " data-lightbox-options="
            type:fullscreen,
            theme:dark"><figure role="none" class="zpimage-data-ref"><a class="zpimage-anchor" style="cursor:pointer;" href="javascript:;"><picture><img class="zpimage zpimage-style-none zpimage-space-none " src="https://cdn1.zohoecommerce.com/images/Blog-imagenes/Filtros-Deshidratadores/corte-de-una-valvula-de-termo-tipica.jpg?storefront_domain=www.climasmonterrey.com" width="367" height="388.02" loading="lazy" size="custom" alt="" data-lightbox="true"/></picture></a></figure><div class="zpimage-text zpimage-text-align-left " data-editor="true"><div style="color:inherit;"><div style="font-size:13px;"><span style="font-size:16px;">Observando ahora la&nbsp;<em>figura 6.11</em>, la presión del bulbo es ejercida sobre la parte superior del diafragma; éste a su vez, transmite ese movimiento a la parte superior del porta aguja mediante las varillas de empuje. Por otro lado, un resorte ejerce una fuerza en la parte inferior del porta aguja, la cual se opone a la del bulbo.</span></div><div style="font-size:13px;">&nbsp;</div><div style="font-size:13px;"><span style="font-size:16px;">Una vez en operación, el funcionamiento de la VTE es de la siguiente manera: cuando aumenta la presión del bulbo, el diafragma es empujado hacia abajo, las varillas de empuje «empujan» el porta aguja, vencen la fuerza del resorte y alejan la aguja del asiento, abriendo de esta manera la válvula y permitiendo el paso de líquido hacia el evaporador. Cuando disminuye la presión del bulbo, la fuerza del resorte es mayor que la del bulbo y empuja el porta aguja acercando la aguja al asiento, con lo cual se cierra la válvula y disminuye el flujo de líquido hacia el evaporador.</span></div><div style="font-size:13px;">&nbsp;</div><div style="font-size:13px;"><span style="font-size:16px;">Por lo anterior, pudiera deducirse que en la operación de una válvula de termo expansión actúan dos presiones: la del bulbo oponiéndose a la del resorte. En realidad, en la operación de una válvula de termo expansión intervienen tres presiones fundamentales: la presión del bulbo, la presión del resorte y la presión del EVAPORADOR. En la<em>&nbsp;figura 6.12</em>, se ilustra cómo actúan estas tres presiones fundamentales. La presión del bulbo actúa en la parte superior del diafragma y tiende a abrir la válvula, la presión del resorte y la del evaporador actúan en la parte inferior del diafragma y tienden a cerrar la válvula. Para que haya un equilibrio entre estas tres presiones, la presión del bulbo debe ser igual a la suma de las presiones del evaporador y del resorte.</span></div><div style="font-size:13px;">&nbsp;</div></div></div>
</div></div><div data-element-id="elm_AAn6t1K0OiAUwN-1t85WZg" data-element-type="imagetext" class="zpelement zpelem-imagetext "><style> @media (min-width: 992px) { [data-element-id="elm_AAn6t1K0OiAUwN-1t85WZg"] .zpimagetext-container figure img { width: 361.24px !important ; height: 354px !important ; } } @media (max-width: 991px) and (min-width: 768px) { [data-element-id="elm_AAn6t1K0OiAUwN-1t85WZg"] .zpimagetext-container figure img { width:361.24px ; height:354px ; } } @media (max-width: 767px) { [data-element-id="elm_AAn6t1K0OiAUwN-1t85WZg"] .zpimagetext-container figure img { width:361.24px ; height:354px ; } } [data-element-id="elm_AAn6t1K0OiAUwN-1t85WZg"].zpelem-imagetext{ border-radius:1px; } </style><div data-size-tablet="" data-size-mobile="" data-align="center" data-tablet-image-separate="false" data-mobile-image-separate="false" class="zpimagetext-container zpimage-with-text-container zpimage-align-center zpimage-size-custom zpimage-tablet-fallback-custom zpimage-mobile-fallback-custom hb-lightbox " data-lightbox-options="
            type:fullscreen,
            theme:dark"><figure role="none" class="zpimage-data-ref"><a class="zpimage-anchor" style="cursor:pointer;" href="javascript:;"><picture><img class="zpimage zpimage-style-none zpimage-space-none " src="https://cdn1.zohoecommerce.com/images/Blog-imagenes/Filtros-Deshidratadores/las-tres-presiones-fundamentales-en.jpg?storefront_domain=www.climasmonterrey.com" width="361.24" height="354" loading="lazy" size="custom" alt="" data-lightbox="true"/></picture></a></figure><div class="zpimage-text zpimage-text-align-left " data-editor="true"><div style="color:inherit;"><div style="font-size:13px;"><span style="font-size:16px;">Como se mencionó arriba, la carga del bulbo está a la misma temperatura que el gas de succión, y si el gas de succión está sobrecalentado, entonces la temperatura de la carga es mayor que la de saturación; es decir, la temperatura de la carga del bulbo es la suma de la temperatura de saturación más la del sobrecalentamiento. De esta manera, la presión del bulbo (P1) es mayor que la del evaporador (P2). Si el sobrecalentamiento es lo suficientemente alto, la presión del bulbo superará a la del resorte (P3) y abrirá la válvula.</span></div><div style="font-size:13px;">&nbsp;&nbsp;</div><div style="font-size:13px;"><span style="font-size:16px;">Aquí podemos ver que la presión de saturación aparece tanto sobre el diafragma (en la presión del bulbo), como debajo de éste (presión del evaporador). Y, puesto que estas presiones se oponen una contra otra y son equivalentes, se cancelan. Por lo tanto, es evidente que los dos factores que actúan para regular la válvula de termo expansión, son la presión del resorte y el sobrecalentamiento. Estos dos factores que se oponen, mantienen un delicado balance de presiones en ambos lados del diafragma, permitiendo que la válvula opere con cargas ligeras, al igual que con cargas pesadas en el evaporador. En la práctica, la válvula de termo expansión es, en efecto, un regulador del sobrecalentamiento.</span></div><div style="font-size:13px;">&nbsp;&nbsp;</div><div style="font-size:13px;"><span style="font-size:16px;">Es muy frecuente oír decir a los técnicos «abrí» o «cerré» la válvula de expansión, refiriéndose a que movieron el vástago de ajuste. Como ya se mencionó, al girar el vástago en el sentido del reloj aumenta la presión del resorte, venciendo a la del bulbo y la válvula tiende a cerrar; por lo que se requiere más sobrecalentamiento para aumentar la presión del bulbo y contrarrestar la del resorte, para que de ésta manera abra la válvula. Inversamente, cuando se gira el vástago en el sentido contrario del reloj, disminuye la presión del resorte, siendo superada por la del bulbo y la válvula tiende a abrir, y para que cierre, se requiere que disminuya el sobrecalentamiento.</span></div><div style="font-size:13px;">&nbsp;&nbsp;</div><div style="font-size:13px;"><span style="font-size:16px;">Cuando aumenta la carga térmica en el evaporador, el refrigerante alimentado por la válvula no es suficiente y se sobrecalienta, esto aumenta la presión del bulbo y hace que la válvula abra más, permitiendo que pase más líquido. Por el contrario, si la carga térmica en el evaporador disminuye, el refrigerante que está alimentando la válvula no se alcanza a evaporar y disminuye su sobrecalentamiento; esto hace que reduzca la presión del bulbo, se cierre la válvula y se reduzca el flujo de líquido. Es importante mencionar que al variar la carga térmica del evaporador, también varía la presión dentro del mismo. Si aumenta la carga, disminuye la presión, y si disminuye la carga, se reduce la presión.</span></div></div></div>
</div></div><div data-element-id="elm_6JIWebv5KkfxzyfCX7f2jw" data-element-type="imagetext" class="zpelement zpelem-imagetext "><style> @media (min-width: 992px) { [data-element-id="elm_6JIWebv5KkfxzyfCX7f2jw"] .zpimagetext-container figure img { width: 400px !important ; height: 244px !important ; } } @media (max-width: 991px) and (min-width: 768px) { [data-element-id="elm_6JIWebv5KkfxzyfCX7f2jw"] .zpimagetext-container figure img { width:400px ; height:244px ; } } @media (max-width: 767px) { [data-element-id="elm_6JIWebv5KkfxzyfCX7f2jw"] .zpimagetext-container figure img { width:400px ; height:244px ; } } [data-element-id="elm_6JIWebv5KkfxzyfCX7f2jw"].zpelem-imagetext{ border-radius:1px; } </style><div data-size-tablet="" data-size-mobile="" data-align="left" data-tablet-image-separate="false" data-mobile-image-separate="false" class="zpimagetext-container zpimage-with-text-container zpimage-align-left zpimage-size-original zpimage-tablet-fallback-original zpimage-mobile-fallback-original hb-lightbox " data-lightbox-options="
            type:fullscreen,
            theme:dark"><figure role="none" class="zpimage-data-ref"><a class="zpimage-anchor" style="cursor:pointer;" href="javascript:;"><picture><img class="zpimage zpimage-style-none zpimage-space-none " src="https://cdn1.zohoecommerce.com/images/Blog-imagenes/Filtros-Deshidratadores/presiones-y-temperaturas-tipicas.jpg?storefront_domain=www.climasmonterrey.com" width="400" height="244" loading="lazy" size="original" alt="" data-lightbox="true"/></picture></a></figure><div class="zpimage-text zpimage-text-align-left " data-editor="true"><div style="color:inherit;"><div style="font-size:13px;"><span style="font-size:16px;">En la&nbsp;<em>figura 6.13</em>, se muestra un ejemplo muy representativo de las condiciones de un sistema con R-134a. El resorte de la válvula de termo expansión ha sido ajustado de fábrica a una presión de 11 psig (libras por pulgada cuadrada manométricas) y la presión del evaporador es de 34 psig. La suma de estas dos presiones ejercen una fuerza de 45 psig, la cual tiende a cerrar la válvula. Si el bulbo está cargado con el mismo refrigerante del sistema, para que las presiones en ambos lados del diafragma se equilibren, se requerirá una presión de 45 psig en el bulbo. Para que el bulbo tenga una presión de 45 psig, debe de estar a una temperatura de 10 °C, si la temperatura de saturación del refrigerante en el evaporador es de 4 °C, es necesario tener un sobrecalentamiento de 6 °C. Las temperaturas y presiones de saturación correspondientes se pueden consultar en la tabla 12.9 del capítulo de refrigerantes.</span></div><div style="font-size:13px;">&nbsp;</div><div style="font-size:13px;"><span style="font-size:16px;">Al arrancar el compresor después de un período prolongado de estar parado, disminuye rápidamente la presión del evaporador y la presión del bulbo es mayor que la del resorte, la válvula abre y permite el paso de refrigerante líquido al evaporador. Si todo este líquido se evapora y se sobrecalienta antes de salir del evaporador, esto aumenta la presión del bulbo y hace que la válvula se mantenga abierta. El equipo seguirá enfriando hasta que la temperatura del espacio refrigerado baje lo suficiente, disminuyendo la carga térmica y haciendo que el refrigerante líquido dentro del evaporador no alcance a evaporarse y llegue líquido hasta el punto donde se encuentra ubicado el bulbo. Al no haber sobrecalentamiento, la presión del bulbo disminuye y el resorte cierra la válvula parcial o totalmente. Así permanecerá hasta que aumente el sobrecalentamiento de nuevo y la presión del bulbo abra la válvula, aumentando el flujo de refrigerante líquido hacia el evaporador.</span></div></div></div>
</div></div><div data-element-id="elm_tApM0zz3kWzRnSEto-vCHg" data-element-type="heading" class="zpelement zpelem-heading "><style> [data-element-id="elm_tApM0zz3kWzRnSEto-vCHg"].zpelem-heading { border-radius:1px; } </style><h2
 class="zpheading zpheading-style-none zpheading-align-left " data-editor="true"><span style="color:inherit;"><span style="font-weight:600;font-size:13px;"><span style="font-size:20px;">Caída de Presión a Través del Evaporador</span></span></span></h2></div>
<div data-element-id="elm_6vqLAJB6wSRYOZ3riF6vqQ" data-element-type="text" class="zpelement zpelem-text "><style> [data-element-id="elm_6vqLAJB6wSRYOZ3riF6vqQ"].zpelem-text{ border-radius:1px; } </style><div class="zptext zptext-align-center " data-editor="true"><div style="color:inherit;"><div style="font-size:13px;"><span style="font-size:16px;">Para simplificar la explicación de los principios de operación de las válvulas de termo expansión, hasta ahora hemos supuesto que no hay caída de presión a través del evaporador; es decir, que la presión de evaporación es constante y que es igual a la entrada y a la salida del evaporador. Sin embargo, con evaporadores grandes en la operación real, existe una caída de presión a través de éstos, siendo un factor que debe considerarse, ya que es una de las presiones que actúan por debajo del diafragma.</span></div><div style="font-size:13px;">&nbsp;</div><div style="font-size:13px;"><span style="font-size:16px;">Cuando el evaporador del sistema es pequeño, la caída de presión es nula o mínima, por lo que es ignorada. En esta situación, la presión que se utiliza para que actúe por debajo del diafragma es la de la entrada, puesto que es la misma que la de la salida. En evaporadores grandes sí existe caída de presión. Esta caída de presión es medible y puede ser causada por varios factores, tales como el diámetro y longitud de los tubos, el número de vueltas, restricciones en los retornos, el número de circuitos, algunos tipos de distribuidores de refrigerante, la cantidad de flujo de refrigerante, la fricción, etc. Cuando la caída de presión alcanza proporciones problemáticas, la presión que se debe de aplicar por debajo del diafragma, es la más baja; es decir, la de la salida del evaporador.</span></div></div></div>
</div><div data-element-id="elm_nrBda_fx_N3ZUN467_MOLA" data-element-type="imageheadingtext" class="zpelement zpelem-imageheadingtext "><style> @media (min-width: 992px) { [data-element-id="elm_nrBda_fx_N3ZUN467_MOLA"] .zpimageheadingtext-container figure img { width: 400px !important ; height: 347px !important ; } } @media (max-width: 991px) and (min-width: 768px) { [data-element-id="elm_nrBda_fx_N3ZUN467_MOLA"] .zpimageheadingtext-container figure img { width:400px ; height:347px ; } } @media (max-width: 767px) { [data-element-id="elm_nrBda_fx_N3ZUN467_MOLA"] .zpimageheadingtext-container figure img { width:400px ; height:347px ; } } [data-element-id="elm_nrBda_fx_N3ZUN467_MOLA"].zpelem-imageheadingtext{ border-radius:1px; } </style><div data-size-tablet="" data-size-mobile="" data-align="right" data-tablet-image-separate="false" data-mobile-image-separate="false" class="zpimageheadingtext-container zpimage-with-text-container zpimage-align-right zpimage-size-original zpimage-tablet-fallback-original zpimage-mobile-fallback-original hb-lightbox " data-lightbox-options="
            type:fullscreen,
            theme:dark"><figure role="none" class="zpimage-data-ref"><a class="zpimage-anchor" style="cursor:pointer;" href="javascript:;"><picture><img class="zpimage zpimage-style-none zpimage-space-none " src='https://cdn1.zohoecommerce.com/images/Blog-imagenes/Filtros-Deshidratadores/valvula-de-termo-expansion-con.jpg?storefront_domain=www.climasmonterrey.com' data-src="/images/Blog-imagenes/Filtros-Deshidratadores/valvula-de-termo-expansion-con.jpg" width="400" height="347" loading="lazy" size="original" alt="" data-lightbox="true"/></picture></a></figure><div class="zpimage-headingtext-container"><h3 class="zpimage-heading zpimage-text-align-left" data-editor="true"><span style="color:inherit;"><span style="font-weight:600;font-size:13px;"><span style="font-size:20px;">Igualado Externo</span></span></span></h3><div class="zpimage-text zpimage-text-align-left " data-editor="true"><div style="color:inherit;"><div style="font-size:13px;"><span style="font-size:16px;">Una caída de presión se traduce en una caída de temperatura. Si la caída de presión provoca en el evaporador una caída de temperatura mayor de 2 °C en el rango de aire acondicionado, de 1 °C en temperatura media y de 0.5 °C en baja temperatura, cuando se está utilizando una válvula con igualador interno, esto mantendrá a la válvula en una posición restringida, reduciendo la capacidad del sistema. En estos casos se debe de utilizar una válvula con igualador externo.</span></div><div style="font-size:13px;">&nbsp;</div><div style="font-size:13px;"><span style="font-size:16px;">El evaporador deberá estar diseñado o seleccionado conforme a las condiciones de operación; la válvula de termo expansión debe ser seleccionada y aplicada de acuerdo a lo que se ha visto.</span></div><div style="font-size:13px;">&nbsp;</div><div style="font-size:13px;"><span style="font-size:16px;">Para explicar lo anterior, veamos qué sucede realmente en un evaporador alimentado por una válvula de termo expansión con igualador interno, donde existe una caída de presión medible de 10 psig, como se muestra en la&nbsp;<em>figura 6.16</em>. La presión en el punto &quot;C&quot; es 33 psig o sea, 10 psi menos que en la salida de la válvula, punto &quot;A&quot;; sin embargo, la presión de 43 psig en el punto &quot;A&quot; es la presión que está actuando en la parte inferior del diafragma en la dirección de cierre. Con el resorte de la válvula ajustado a una compresión equivalente a un sobrecalentamiento de 6°C o a una presión de 10 psig, la presión requerida arriba del diafragma para igualar las fuerzas es de (43 + 10) ó 53 psig. Esta presión corresponde a una temperatura de saturación de -2°C. Es evidente que la temperatura del refrigerante en el punto &quot;C&quot; debe ser -2°C, si es que la válvula ha de estar en equilibrio. Puesto que la presión en este punto es de sólo 33 psig y la temperatura de saturación correspondiente es de -12°C, se requiere un sobrecalentamiento de (-2) (-12) o sea, de 10°C para abrir la válvula. Este alto sobrecalentamiento de 10°C requerido para abrir la válvula, hace necesario utilizar más superficie del evaporador para producir este gas refrigerante sobrecalentado. Por lo tanto, se reduce la cantidad de superficie del evaporador, disponible para la absorción de calor latente de evaporación del refrigerante; produciéndose una insuficiencia de refrigerante, antes de alcanzar el sobrecalentamiento requerido.</span></div></div></div>
</div></div></div><div data-element-id="elm_haldaZJSk1scToavuGVFog" data-element-type="image" class="zpelement zpelem-image "><style> @media (min-width: 992px) { [data-element-id="elm_haldaZJSk1scToavuGVFog"] .zpimage-container figure img { width: 400px !important ; height: 366px !important ; } } @media (max-width: 991px) and (min-width: 768px) { [data-element-id="elm_haldaZJSk1scToavuGVFog"] .zpimage-container figure img { width:400px ; height:366px ; } } @media (max-width: 767px) { [data-element-id="elm_haldaZJSk1scToavuGVFog"] .zpimage-container figure img { width:400px ; height:366px ; } } [data-element-id="elm_haldaZJSk1scToavuGVFog"].zpelem-image { border-radius:1px; } </style><div data-caption-color="" data-size-tablet="" data-size-mobile="" data-align="center" data-tablet-image-separate="false" data-mobile-image-separate="false" class="zpimage-container zpimage-align-center zpimage-size-original zpimage-tablet-fallback-original zpimage-mobile-fallback-original hb-lightbox " data-lightbox-options="
                type:fullscreen,
                theme:dark"><figure role="none" class="zpimage-data-ref"><a class="zpimage-anchor" style="cursor:pointer;" href="javascript:;"><picture><img class="zpimage zpimage-style-none zpimage-space-none " src='https://cdn1.zohoecommerce.com/images/Blog-imagenes/Filtros-Deshidratadores/con-igualador-interno-en-un.jpg?storefront_domain=www.climasmonterrey.com' width="400" height="366" loading="lazy" size="original" alt="" data-lightbox="true"/></picture></a></figure></div>
</div><div data-element-id="elm_NnWmgwkjTCypY-Cg8e5bCQ" data-element-type="text" class="zpelement zpelem-text "><style> [data-element-id="elm_NnWmgwkjTCypY-Cg8e5bCQ"].zpelem-text{ border-radius:1px; } </style><div class="zptext zptext-align-left " data-editor="true"><p><span style="color:inherit;"><span style="font-size:16px;">Puesto que la caída de presión a través del evaporador, la cual causó esta condición de sobrecalentamiento elevado, aumenta con la carga debido a la fricción, este efecto de &quot;restricción&quot; o &quot;insuficiencia&quot; aumenta cuando la demanda sobre la capacidad de la termo válvula es mayor.</span></span><br></p></div>
</div></div></div></div></div></div> ]]></content:encoded><pubDate>Tue, 12 Sep 2023 09:18:00 -0600</pubDate></item></channel></rss>